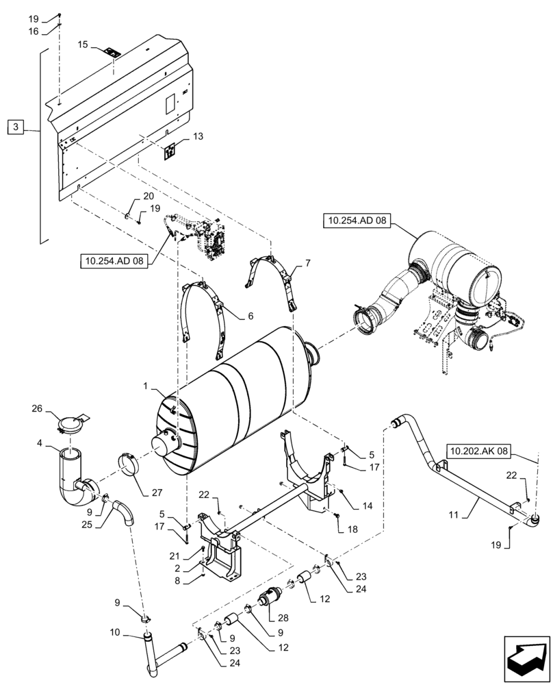
Запчасти Case IH 9240 (10.254.AD[09]) - EXHAUST SYSTEM (10) - ENGINE

Схема запчастей Case IH 9240 - (10.254.AD[09]) - EXHAUST SYSTEM (10) - ENGINE
19
10
8
10.202.ak 08
10.254.ad 08
12
10.254.ad 08
5
12
21
1
24
18
19
23
23
17
22
9
24
11
9
17
9
5
15
22
9
4
16
13
27
28
14
20
26
6
3
2
19
7
25
FIT
1:1
100%

Артикул

Название

Примечание

Количество

1

47447512

MUFFLER

Selective Catalytic Reduction, 1691.6mm L x 386.7mm W

1шт.

2

47468835

SUPPORT

Bracket, Muffler

1шт.

3

47701752

SHIELD

Heat, Incl 13, 15

1шт.

4

47488254

TUBE,153.36mm ID Inlet, 152.4mm OD Outlet, 90 Degree

Exhaust

1шт.

5

84123471

PIN,22mm OD x 58mm OAL, 2 Grooves

4шт.

6

84591328

STRAP

Muffler Securing, Front, 592mm H x 325mm W at Base

1шт.

7

47367111

STRAP

Muffler Securing, Rear, 363mm H x 439.2mm W at Base

1шт.

8

86050279

FLANGE NUT,M10 x 1.5, Cl 10

4шт.

9

214-3140

HOSE CLAMP,1-3/4" - 2-5/8", HD Worm

6шт.

10

47472116

TUBE

Aspiration, 49.15mm ID x 50.8mm OD

1шт.

11

47604471

TUBE,50mm OD

Aspiration

1шт.

12

87308234

HOSE,32mm ID - 66.67mm ID x 16mm W, Unlined

2шт.

13

47692590

DECAL

Def Tank - Clean Machine

1шт.

14

87284531

NUT,Rivnut, M8 x 1.25, 0.5mm - 3mm Grip Range

2шт.

15

84004742

DECAL

Caution, Hot Surface

1шт.

16

378243

WASHER,8.4mm ID x 21mm OD x 1.6mm Thk

4шт.

17

120115

BOLT,M10 x 1.5 x 76.58mm, Cl 8.8

4шт.

18

87030508

BOLT,Hvy Hex, M12 x 30mm, Full Thd, Cl 10.9

3шт.

19

87656137

BOLT,Flange Hex, M8 x 20mm, Cl 10.9

8шт.

20

395606

WASHER,13mm ID x 42mm OD x 5mm Thk

2шт.

21

87698837

FLANGE BOLT,M10 x 30mm, Full Thd, Cl 10.9

4шт.

22

86507066

FLANGE NUT,M8 x 1.25, Cl 10

4шт.

23

87681207

BOLT,M8 x 24.1mm, Cl 10.9

2шт.

24

86634189

CLAMP,50.8mm, Coat, 13.5mm Bolt Hole, P Type

2шт.

25

47457681

ELBOW,50.8mm ID, 90 Degree

Exhaust Stack

1шт.

26

47730231

CAP

Exhaust Stack

1шт.

27

47655904

CLAMP,157.73mm ID x 38.1mm W

Exhaust Stack

1шт.

28

87443913

VALVE

Check, Aspiration Tube

1шт.

Выбрано товаров: 28