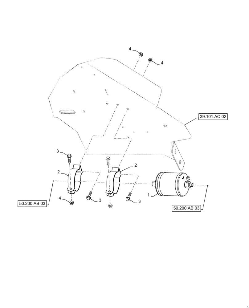
Запчасти Case IH 9240 (50.200.AN[03]) - VAR - 722089 - RECEIVER-DRYER (50) - CAB CLIMATE CONTROL

Схема запчастей Case IH 9240 - (50.200.AN[03]) - VAR - 722089 - RECEIVER-DRYER (50) - CAB CLIMATE CONTROL
4
1
3
2
3
39.101.ac 02
50.200.ab 03
4
50.200.ab 03
3
4
2
FIT
1:1
100%

Артикул

Название

Примечание

Количество

1

47821526

RECEIVER-DRYER

1шт.

2

87105841

BRACKET

Mounting, Receiver-Dryer

2шт.

3

87695419

FLANGE BOLT,M8 x 43.1mm, Cl 10.9

4шт.

4

86981461

FLANGE NUT,M8 x 1.25, Cl 8

4шт.

Выбрано товаров: 0