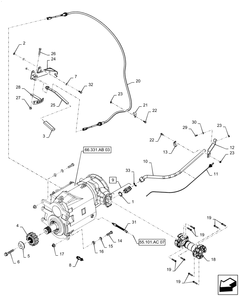
1
86598104
O-RING,2.9mm Thk x 29.6mm ID, Cl 6, 90 Duro
1шт.
2
100016
NUT,M10 x 1.5, Cl 8
2шт.
3
357545
HANDLE GRIP
Rotor Gearbox Shifter
1шт.
4
47523311
GEAR
12 Tooth External/39 Tooth Internal
1шт.
5
47523315
WASHER,13mm ID x 76.2mm OD x 12mm Thk
1шт.
6
47607661
BOLT,M16 x 115.4mm, Cl 10.9
1шт.
7
140045
BELLEVILLE WASHER,M10 Bolt Size x 22mm OD x 1.6mm Thk
4шт.
8
87485712
DRAINCOCK/TAP SUPPLY
Drain Valve
1шт.
9
86639054
45 ELBOW,45 Degree, 1-7/16"-12 ORFS x M33 x 2.0 ORB
Incl 1
1шт.
10
47408255
TUBE
Rotor Gearbox Dipstick
1шт.
11
84153776
DIPSTICK
Rotor Drive Gearbox
1шт.
12
47408260
BRACKET
Dipstick Mount
1шт.
13
600427
CLAMP,25.4mm, Coat, 8.7mm Bolt Hole, P Type
25.4mm OD
1шт.
14
87017895
BOLT,M16 x 2.0 x 70.18mm, Cl 10.9
6шт.
15
86625266
WASHER,17.5mm ID x 30mm OD x 4mm Thk
6шт.
16
87106105
SPACER
17.46mm ID x 30.16mm OD x 9mm OAL
6шт.
17
86981464
FLANGE NUT,M16 x 2.0, Cl 10
6шт.
18
47423123
DRIVE SHAFT
Rotor Gearbox
1шт.
19
87017891
12 PT SCREW,M10 x 1.5 x 55mm, Cl 12.9
8шт.
20
86998008
CABLE,2900mm L
Rotor Gearbox Shift
1шт.
21
9827902
CLAMP,25.4mm, Coat, 10.3mm Bolt Hole, P Type
1шт.
22
9671714
FLANGE BOLT,Hex, M8 x 1.25 x 25mm, Cl 8.8
2шт.
23
9804277
FLANGE NUT,Hex, M8 x 1.25, Cl 8
3шт.
24
87107830
BRACKET
Shift Cable Mount
1шт.
25
87107827
LEVER
Rotor Gearbox Shift
1шт.
26
9706693
BOLT,M12 x 60mm, Cl 8.8
1шт.
27
412126
NUT,M12 x 1.75
1шт.
28
87106667
INDICATOR
Gear Indicator
1шт.
29
120104
BOLT,Hex, M8 x 1.25 x 20mm, Cl 8.8
1шт.
30
322358
BELLEVILLE WASHER,M8 Bolt Size x 18mm OD x 1.4mm Thk
1шт.
31
87662555
SENSOR
Rotor Speed
1шт.
32
43140
BOLT,Hex, M10 x 1.5 x 30mm, Cl 8.8
2шт.
33
9824050
O-RING,0.07" Thk x 0.926" ID, -21, Cl 6, 90 Duro
1шт.