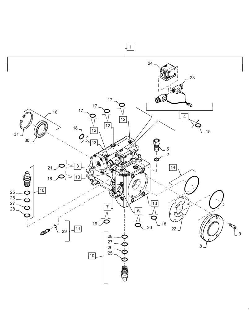
Запчасти Case IH 9240 (29.100.AC[02]) - HYDROSTATIC PUMP, COMPONENTS (29) - HYDROSTATIC DRIVE

Схема запчастей Case IH 9240 - (29.100.AC[02]) - HYDROSTATIC PUMP, COMPONENTS (29) - HYDROSTATIC DRIVE
2
26
18
13
25
27
22
25
8
26
12
4
7
18
17
16
19
5
3
28
20
12
9
1
24
21
12
10
13
31
18
6
14
17
11
28
29
23
30
17
27
10
15
13
FIT
1:1
100%

Артикул

Название

Примечание

Количество

1

87634754

HYDROSTATIC PUMP,125 CC

125CC, W/O Thru Drive, Incl 2 - 31

1шт.

1

87634754R

REMAN-HYD PUMP

125 CC

1шт.

1

87634754C

CORE-HYDRAULIC PUMP

Return Number

1шт.

2

271913

O-RING,0.103" Thk x 0.924" ID, -119, Cl 6, 90 Duro

1шт.

3

86598046

PLUG,M18 x 1.5 ORB

Incl 21

1шт.

4

87696316

MODULE

Valve Control, Incl 15, 23 - 24

1шт.

5

87651797

ADAPTER

M26 x 1.5 to M27 x 2

1шт.

6

86583483

PLUG,Hex, M42 x 2 ORB

Hex Socket, ORB, M42 x 2, Incl 20

1шт.

7

86583482

HEX SOCKET PLUG,M33 x 2

Incl 19

1шт.

8

84148630

PUMP

Charge Includes Splined Coupler

1шт.

9

14422134

HEX SOC SCREW,M12 x 1.75 x 35mm, Cl 10.9, Full Thd

4шт.

10

87702284

VALVE PRESSURE RELIE

Main, 490 Bar, Incl 25 - 28

2шт.

11

87702285

VALVE, PRESSURE RELI

Charge, 30 bar, Incl 29

1шт.

12

86598044

PLUG,Hex, M14 x 1.5 ORB

Incl 17

3шт.

13

86598043

PLUG,M12 x 1.5 ORB

Incl 18

4шт.

14

87654434

SEAL KIT

Services 8, 22, Contains 2 Seals

1шт.

15

87696330

SEAL KIT

Services 4, Contains 18 Seals

1шт.

16

87695722

SEAL KIT

Services 1, Contains 1 Seal, 1 Snap Ring

1шт.

17

86598099

O-RING,2.2mm Thk x 11.3mm ID, Cl 6

3шт.

18

86598098

O-RING,2.2mm Thk x 9.3mm ID, Cl 6, 90 Duro

4шт.

19

86598104

O-RING,2.9mm Thk x 29.6mm ID, Cl 6, 90 Duro

1шт.

20

86598105

O-RING,2.9mm Thk x 38.6mm ID, Cl 6, 90 Duro

1шт.

21

86598101

O-RING,2.2mm Thk x 15.3mm ID, Cl 6, 90 Duro

1шт.

22

NSS

NOT SOLD SEPARAT

Charge Pump Plate

1шт.

23

87638868

SERVICE KIT

Proportional Solenoid, Incl in 4

1шт.

24

NSS

NOT SOLD SEPARAT

Control Module Body, Incl in 4

1шт.

25

NSS

NOT SOLD SEPARAT

O - Ring, Incl in 10

1шт.

26

NSS

NOT SOLD SEPARAT

O - Ring, Incl in 10

1шт.

27

NSS

NOT SOLD SEPARAT

O - Ring, Incl in 10

1шт.

28

NSS

NOT SOLD SEPARAT

O - Ring, Incl in 10

1шт.

29

NSS

NOT SOLD SEPARAT

O - Ring, 15/16" ID x 3/32" Thk, Incl in 11

1шт.

30

NSS

NOT SOLD SEPARAT

Shaft Seal, 55mm ID x 90mm OD x 7mm Thk, Incl in 16

1шт.

31

NSS

NOT SOLD SEPARAT

Snap Ring, Incl in 16

1шт.

Выбрано товаров: 33