Запчасти Case IH 9240 (29.300.AP[03]) - VAR - 722305, 425256 - PLUG, REAR AXLE ASSY, STANDARD (29) - HYDROSTATIC DRIVE

Схема запчастей Case IH 9240 - (29.300.AP[03]) - VAR - 722305, 425256 - PLUG, REAR AXLE ASSY, STANDARD (29) - HYDROSTATIC DRIVE
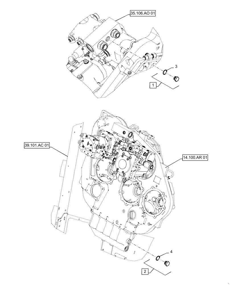
1
39.101.ac 01
4
2
35.106.ao 01
3
14.100.ar 01
FIT
1:1
100%

Артикул

Название

Примечание

Количество

1

86981620

PLUG,M16 x 1.5, ORB

Incl 3

1шт.

2

87013333

PLUG,M33 x 2.0, ORB

Incl 4

1шт.

3

637-63133

O-RING,2.2mm Thk x 13.3mm ID, Cl 6, 90 Duro

1шт.

4

637-64296

O-RING,2.9mm Thk x 29.6mm ID, Cl 6, 90 Duro

1шт.

Выбрано товаров: 4