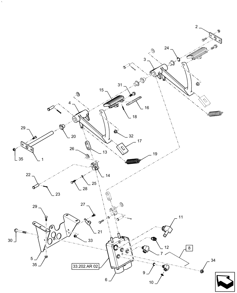
Запчасти Case IH AF4077 (33.202.BN[01]) - PEDAL, BRAKE, HEATER ONLY (33) - BRAKES & CONTROLS

Схема запчастей Case IH AF4077 - (33.202.BN[01]) - PEDAL, BRAKE, HEATER ONLY (33) - BRAKES & CONTROLS
15
11
4
33
20
23
29
9
30
35
24
14
35
26
7
31
33.202.ar 02
18
10
27
21
8
12
32
6
17
1
29
34
22
19
13
3
5
25
28
2
16
FIT
1:1
100%

Артикул

Название

Примечание

Количество

1

120160A2

SHAFT

Assy

1шт.

2

1281794C1

PLATE

Bar, Pivot Shaft Support

1шт.

3

138017A4

PEDAL

LH, Brake, Painted

1шт.

4

138016A4

PEDAL

RH, Brake, Painted

1шт.

5

47617589

Bracket, Power Brake

SUPPORT

1шт.

6

137449A2

BRAKE VALVE

Assy

1шт.

7

87016877

ELBOW,90 Degree, 13/16"-16 x 9/16"-18, Adj, ORFS

1шт.

8

9840543

90 ELBOW,90 Degree, 11/16"-16 x 9/16"-18 Adj, ORFS

Incl 9, 10

1шт.

9

9617873

O-RING,0.078" Thk x 0.468" ID, -906, Cl 6, 90 Duro

1шт.

10

9993141

O-RING,0.07" Thk x 0.364" ID, -12, Cl 6, 90 Duro

1шт.

11

87010107

HYD CONNECTOR

Fitting, Hose

1шт.

12

197070A1

VALVE, CHECK

Brake Supply

1шт.

13

384082R1

LINK

2шт.

14

384083R2

YOKE

Yoke

2шт.

15

119902A1

PAD

Pedal, Use for 2015

2шт.

15

47943827

Pedal, Use from 2016

PAD

2шт.

16

119903A1

PLATE

1шт.

17

120159A1

FOAM INSULATION

Pedal

2шт.

18

38-3814

PIN,1/8" x 7/8", Coiled

1шт.

19

182652A1

SPRING

2шт.

20

185062R1

BUSHING

4шт.

21

87301490

CLAMP,12.7mm, Coat, 10.3mm Bolt Hole, J Type

1шт.

22

427-8168

CLEVIS PIN,12.7mm OD x 42.88mm L

4шт.

23

432-816

COTTER PIN,1/8" x 1"

4шт.

24

G49413

WASHER

1шт.

25

80681

LOCK WASHER,5/16"

Lock

2шт.

26

495-11053

WASHER,1/2", SAE

4шт.

27

120103

BOLT,M8 x 1.25 x 16mm, Cl 8.8

1шт.

28

413-518

BOLT,Hex, 5/16" - 18 x 1-1/8", Gr 5

2шт.

29

43127

BOLT,Hex, M8 x 1.25 x 25mm, Cl 8.8

9шт.

30

844-10090

BOLT,Hvy Hex, M10 x 90mm, Cl 8.8

2шт.

31

905-10035

BOLT,Hex Flg, M10 x 35mm

2шт.

32

43435

FLANGE NUT,Hex, M10 x 1.5

2шт.

33

825-2408

FLANGE NUT,M8 x 1.25, Flg, Cl 8

1шт.

34

825-2410

FLANGE NUT,M10 x 1.5, Flg, Cl 8

2шт.

35

825-5148

SERRATED NUT,M8, Flg Ser

9шт.

Выбрано товаров: 36