Запчасти Case IH AF4077 (60.110.AF[01]) - FEEDER ASSY, HD (60) - PRODUCT FEEDING

Схема запчастей Case IH AF4077 - (60.110.AF[01]) - FEEDER ASSY, HD (60) - PRODUCT FEEDING
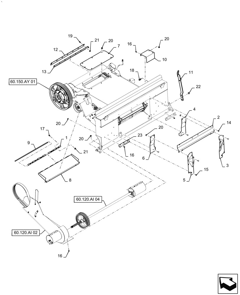
60.150.ay 01
21
15
16
5
4
20
10
8
16
9
20
21
1
20
19
7
3
22
6
17
20
2
11
20
18
23
16
14
13
12
60.120.ai 04
60.120.ai 02
FIT
1:1
100%

Артикул

Название

Примечание

Количество

1

47584813

Feeder Plate

HINGE

1шт.

2

47490004

Crop Front

DEFLECTOR

1шт.

3

87658626

DEFLECTOR

Crop Front, LH

1шт.

4

47490012

Crop Front, LH

DEFLECTOR

1шт.

5

87658627

DEFLECTOR

Crop Front, RH

1шт.

6

47490015

Crop Front, RH

DEFLECTOR

1шт.

7

47497245

Access, Feeder Top

COVER

1шт.

8

47584816

Weld Assy, Feeder, Bottom

DOOR

1шт.

9

47584815

Feeder, Door Hinge

ROD

1шт.

10

47632119

Jackshaft, LH, Inner

SHIELD

1шт.

11

47630413

Weld Assy

LEVER

1шт.

12

47630422

Feeder Top

SEAL

1шт.

13

47630420

Feeder, Top Seal Support

ANGLE

1шт.

14

86625200

SELF-TAP SCREW,Hex Flng, M8 x 1.25 x 20mm

6шт.

15

87682383

CARRIAGE BOLT,M8 x 1.25 x 20mm, Cl 10.9

10шт.

16

87656137

BOLT,Flange Hex, M8 x 20mm, Cl 10.9

Flange

17шт.

17

87698835

FLANGE BOLT,M10 x 20mm, Full Thd, Cl 10.9

6шт.

18

87495304

FLANGE BOLT,M6 x 55.4mm, Cl 10.9

3шт.

19

87698836

BOLT,M10 x 25mm, Full Thd, Cl 10.9

Use for 2015

7шт.

19

87698837

FLANGE BOLT,M10 x 30mm, Full Thd, Cl 10.9

Use from 2016

7шт.

20

86507066

FLANGE NUT,M8 x 1.25, Cl 10

35шт.

21

86050279

FLANGE NUT,M10 x 1.5, Cl 10

13шт.

22

86512498

FLANGE NUT,M16 x 2, Cl 10

3шт.

23

47647951

Feeder, Use from 2017

STRIPPER

2шт.

Выбрано товаров: 24