Запчасти Case IH AF4077 (74.140.AM[02]) - DRIVE ASSY, ELEVATOR JACKSHAFT (74) - CLEANING

Схема запчастей Case IH AF4077 - (74.140.AM[02]) - DRIVE ASSY, ELEVATOR JACKSHAFT (74) - CLEANING
74.140.ci
10
28
10
15
13
6
9
20
8
29
7
29
29
29
24
3
17
21
16
26
22
5
13
9
11
29
18
29
27
1
25
4
12
19
14
9
23
29
2
FIT
1:1
100%

Артикул

Название

Примечание

Количество

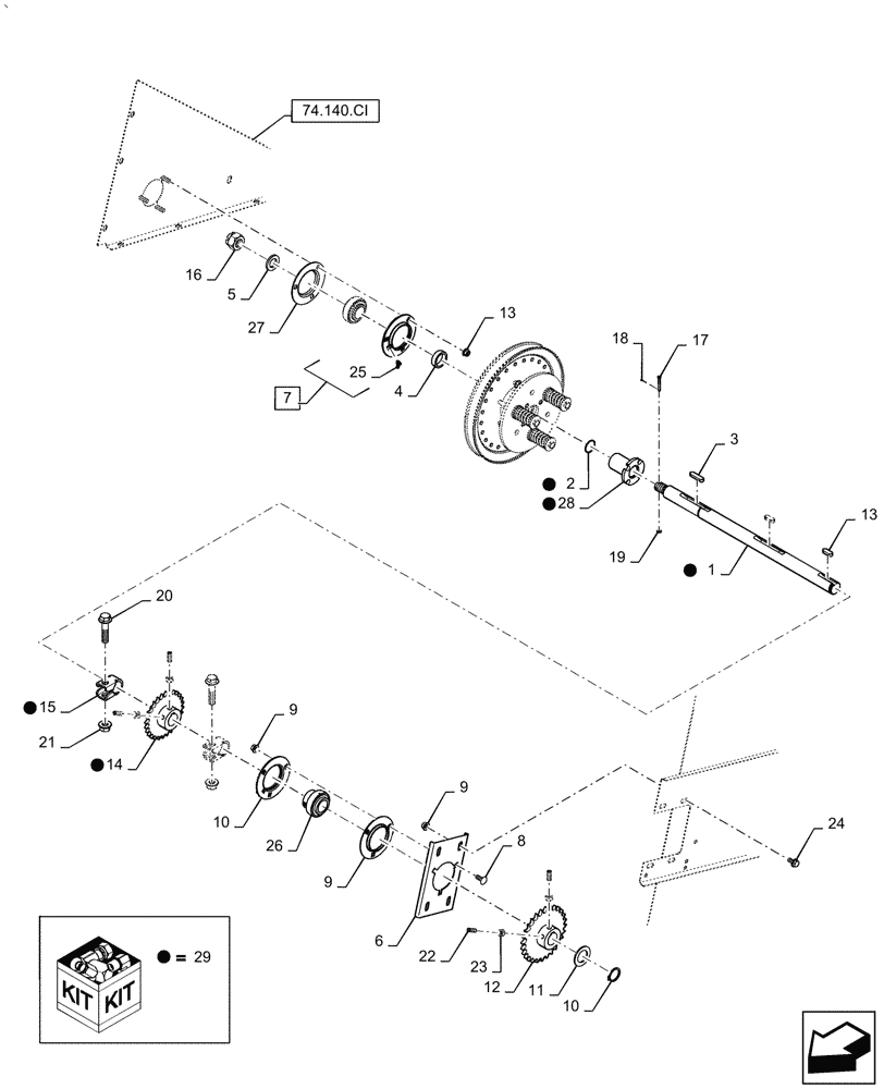
1

47953439

Elevator Drive, Use from 2016

JACKSHAFT

1шт.

2

84213582

SNAP RING

Elevator Jackshaft, Use from 2016

1шт.

3

170056

KEY,12mm W x 50mm OAL

Square

1шт.

4

47472138

Elevator Jackshaft

SPACER

1шт.

5

87016608

WASHER,25.8mm ID x 44.5mm OD x 5mm Thk

1шт.

6

47550208

Bracket, Elevator Jackshaft

SUPPORT

1шт.

7

87430561

FLANGE

Spherical, Bearing Housing With Lube Fitting, Incl 25

2шт.

7

86620418

FLANGE,Bearing

Spherical, Housing With Lube Port, Incl 25

1шт.

8

87682391

CARRIAGE BOLT,M10 x 1.5 x 25mm, Cl 10.9

3шт.

9

86050279

FLANGE NUT,M10 x 1.5, Cl 10

10шт.

10

87016944

SNAP RING,M34, Ext

Heavy Retain

1шт.

11

87613240

WASHER,1.41" ID x 2.25" OD x 0.12" Thk

1шт.

12

47549294

Weld Assy, Elevator Drive

SPROCKET

1шт.

13

170015

KEY,12mm x 8mm x 32mm

2шт.

14

47954097

Weld Assy, Elevator Drive, Use from 2016

SPROCKET

1шт.

15

47954095

Tie Rod, Use from 2016

CLAMP

2шт.

16

11693821

SLOTTED NUT,M24 x 2, Cl 10

1шт.

17

427-3175

CLEVIS PIN,4.78mm OD x 44.45mm L

1шт.

18

280236

COTTER PIN,1/16" x 1/2"

1шт.

19

88612

WASHER,0.22mm ID x 0.5mm OD x 0.05mm Thk

1шт.

20

86981489

BOLT,Hex, M16 x 70mm, Cl 10.9

Flange

2шт.

21

87016581

FLANGE NUT,M16 x 2, CI 10

Previlege Torque

2шт.

22

300484

SET SCREW

4шт.

23

100016

NUT,M10 x 1.5, Cl 8

4шт.

24

87698835

FLANGE BOLT,M10 x 20mm, Full Thd, Cl 10.9

4шт.

25

219-37

LUBE NIPPLE,45 Degree Elbow, 1/4" - 28 NPTF

Fitting

1шт.

26

756965

BALL BEARING,35mm ID x 72mm OD x 19mm W

1шт.

27

36403

BEARING HOUSING

1шт.

28

47953479

Elevator Rachet Clutch, Use from 2016

HUB

1шт.

29

47956627

Elevator Jackshaft, Incl 1, 2, 14, 15, and 28, Use from 2016

KIT

1шт.

Выбрано товаров: 30