Запчасти Case IH AF4088 (29.218.AO[07]) - HYDROSTATIC PUMP, CONTROL VALVE, 2-SPEED, POWERED, USE FOR 2016 (29) - HYDROSTATIC DRIVE

Схема запчастей Case IH AF4088 - (29.218.AO[07]) - HYDROSTATIC PUMP, CONTROL VALVE, 2-SPEED, POWERED, USE FOR 2016 (29) - HYDROSTATIC DRIVE
12
11
6
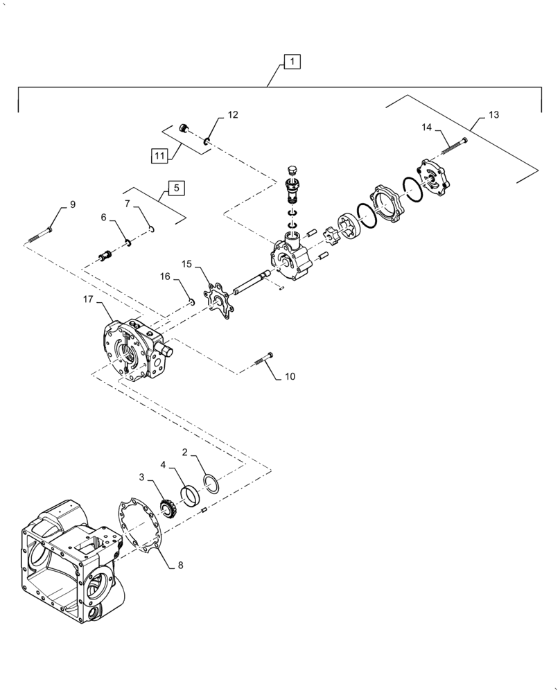
1
4
8
17
10
9
14
13
3
5
16
15
2
7
FIT
1:1
100%

Артикул

Название

Примечание

Количество

1

47728929

Variable, Incl 2 - 17

HYDRAULIC PUMP

1шт.

2

142398C91

SHIM KIT

1шт.

3

400983R91

ROLLER BEARING,1.18775" ID x 2.5317" OD x 0.8478"

1шт.

4

530741R1

BEARING CUP

1шт.

5

140769C1

CHECK VALVE

Assy, Incl 6, 7

2шт.

6

238-6113

O-RING,0.103" Thk x 0.549" ID, -113, Cl 6, 90 Duro

1шт.

7

140770C1

RING

1шт.

8

92741C2

GASKET,0.38mm Thk

1шт.

9

280874

BOLT,Hex, 7/16" - 14 x 3", Gr 8

6шт.

10

280541

BOLT,Hex, 7/16" - 14 x 2", Gr 8

2шт.

11

86512512

PLUG,7/8" - 14 ORB

Tube, Incl 12

1шт.

12

167269

O-RING,0.097" Thk x 0.755" ID, -910, Cl 6, 90 Duro

1шт.

13

107593A2

PUMP

Kit, Charge, Incl 11, 12 and 14

1шт.

14

84180360

BOLT

4шт.

15

87699760

GASKET,1.02mm Thk

Charge Pump

1шт.

16

1272750C1

ORIFICE

Vent, Control Valve

1шт.

17

1986739C1

REPAIR KIT

Internal Pressure Override

1шт.

Выбрано товаров: 17