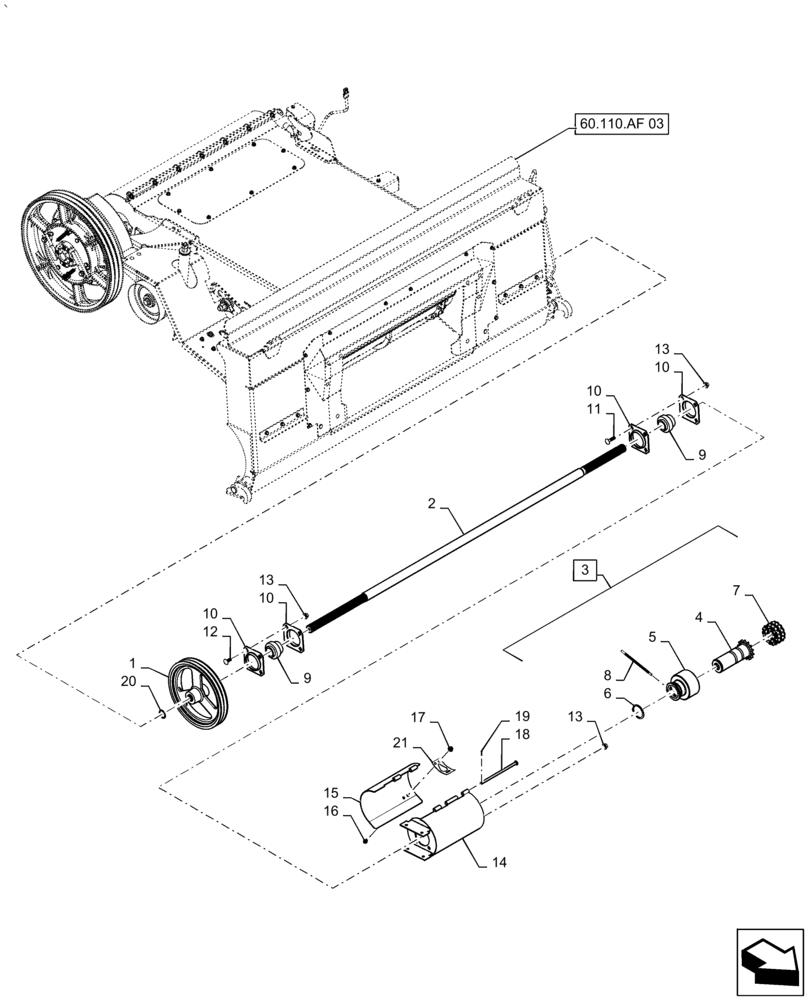
Запчасти Case IH AF4088 (60.120.AI[08]) - DRIVE, HEADER, SINGLE SPEED, STD (60) - PRODUCT FEEDING

Схема запчастей Case IH AF4088 - (60.120.AI[08]) - DRIVE, HEADER, SINGLE SPEED, STD (60) - PRODUCT FEEDING
19
13
1
17
9
10
5
13
9
15
14
10
13
11
2
7
18
60.110.af 03
3
21
4
20
12
10
10
6
8
16
FIT
1:1
100%

Артикул

Название

Примечание

Количество

1

47483711

Feeder Jackshaft Drive, Use for 2015

PULLEY

1шт.

1

47902761

Feeder Jackshaft Drive, Use from 2016

PULLEY

1шт.

2

47648043

Header Drive

SHAFT

1шт.

3

NSS

NOT SOLD SEPARAT

Assy, Chain Coupler, Incl 4 - 8

1шт.

4

NSS

NOT SOLD SEPARAT

Feeder Jackshaft, Coupler

1шт.

5

NSS

NOT SOLD SEPARAT

Chain Coupler

1шт.

6

NSS

NOT SOLD SEPARAT

Cir-Clip

1шт.

7

NSS

NOT SOLD SEPARAT

1шт.

8

NSS

NOT SOLD SEPARAT

1шт.

9

455805

BALL BEARING,40mm ID x 80mm OD x 42.9mm Thk

With Lockcollar

2шт.

10

86974037

FLANGE

Spherical Bearing Housing

4шт.

11

87495307

CARRIAGE BOLT,M12 x 45mm, Cl 10.9

4шт.

12

87695426

CARRIAGE BOLT,M12 x 30mm, Cl 0.9

4шт.

13

86512497

FLANGE NUT,M12 x 1.75, Cl 10

12шт.

14

47664064

Access, Feeder Drive, LH

COVER

1шт.

15

47664076

Jackshaft, LH Upper

SHAFT

1шт.

16

87656137

BOLT,Flange Hex, M8 x 20mm, Cl 10.9

Flange

2шт.

17

86507066

FLANGE NUT,M8 x 1.25, Cl 10

2шт.

18

86605626

CLEVIS PIN,M10 x 150

1шт.

19

130003

COTTER PIN,3mm OD x 30mm OAL

1шт.

20

370004

SNAP RING,M35 x 1.5mm Thk, External

2шт.

21

86638316

LATCH

1шт.

Выбрано товаров: 22