Запчасти Case IH AF4088 (73.230.AM) - FIXED BLADE, CHOPPER INSTALLATION (73) - RESIDUE HANDLING

Схема запчастей Case IH AF4088 - (73.230.AM) - FIXED BLADE, CHOPPER INSTALLATION (73) - RESIDUE HANDLING
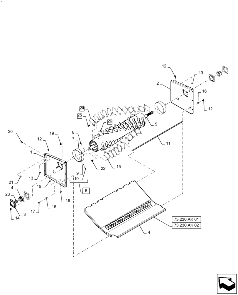
25
11
15
2
13
5
19
26
9
23
12
18
24
16
12
10
73.230.ak 01
6
3
12
13
16
21
8
15
1
73.230.ak 02
14
22
4
17
4
20
7
FIT
1:1
100%

Артикул

Название

Примечание

Количество

1

47430848

Weld Assy, Chopper LH

SUPPORT

1шт.

2

47415387

Weld Assy, Chopper RH

SUPPORT

1шт.

3

86979948

FLANGE

Spherical Bearing Housing

4шт.

4

47624986

BALL BEARING

With Collar

2шт.

5

84306350

ROLLER,203.2mm OD x 1468.2mm L

Fixed Blade - Painted

1шт.

6

47433506

Bracket Assy, Chopper Drum Wrap With Hardware, Incl 7 - 10

SUPPORT

2шт.

7

NSS

NOT SOLD SEPARAT

Bracket, Weld Assy, Chopper Drum Wrap, Incl in 6

1шт.

8

87284531

NUT,Rivnut, M8 x 1.25, 0.5mm - 3mm Grip Range

1шт.

9

322358

BELLEVILLE WASHER,M8 Bolt Size x 18mm OD x 1.4mm Thk

1шт.

10

120104

BOLT,Hex, M8 x 1.25 x 20mm, Cl 8.8

1шт.

11

47433500

Bottom Hinge

ROD

1шт.

12

87698836

BOLT,M10 x 25mm, Full Thd, Cl 10.9

16шт.

13

86050279

FLANGE NUT,M10 x 1.5, Cl 10

14шт.

14

87681209

FLANGE NUT,Hex, M12 x 1.75, Cl 10

8шт.

15

87656137

BOLT,Flange Hex, M8 x 20mm, Cl 10.9

Flange

8шт.

16

86592700

WASHER,10.5mm ID x 28mm OD x 4mm Thk

4шт.

17

87698837

FLANGE BOLT,M10 x 30mm, Full Thd, Cl 10.9

2шт.

18

86507066

FLANGE NUT,M8 x 1.25, Cl 10

4шт.

19

87681210

FLANGE NUT,M8 x 1.25, Cl 10

Prevailing Torque

4шт.

20

87698838

FLANGE BOLT,M10 x 35mm, Full Thd, Cl 10.9

2шт.

21

43435

FLANGE NUT,Hex, M10 x 1.5

2шт.

22

87109745

PLUG

Plastic

10шт.

23

NSS

NOT SOLD SEPARAT

Bearing Lock Collar, Incl in 4

1шт.

24

409731A1

BLADE

1шт.

25

413-816

BOLT,Hex, 1/2" - 13 x 1", Gr 5

2шт.

26

231-5148

FLANGE NUT,Flg, USR, 1/2"-13

2шт.

Выбрано товаров: 26