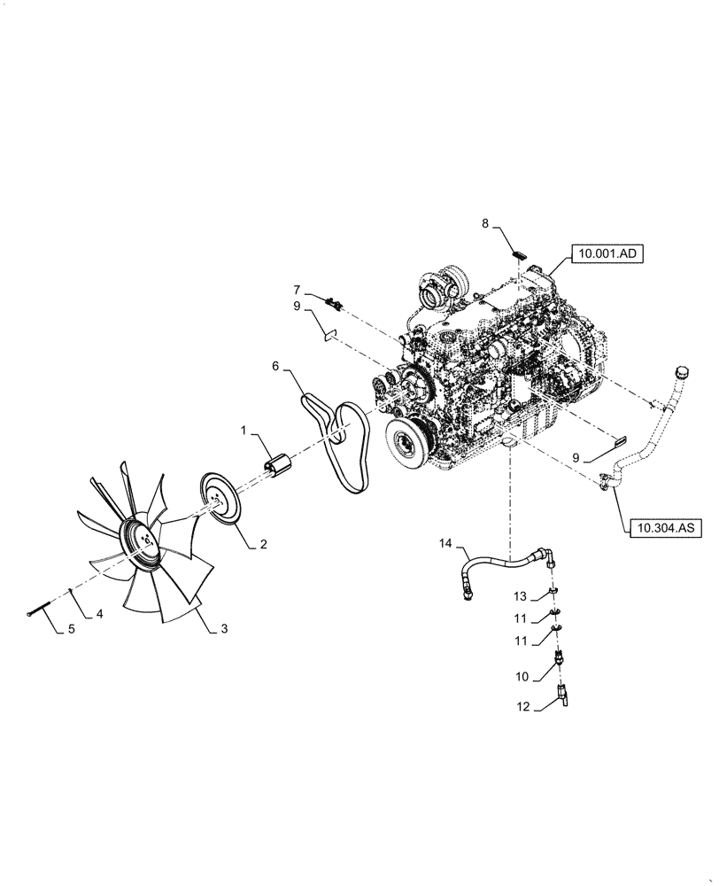
Запчасти Case IH AF4088 (10.414.AC[01]) - ENGINE FAN DRIVE, USE FOR 2016 (10) - ENGINE

Схема запчастей Case IH AF4088 - (10.414.AC[01]) - ENGINE FAN DRIVE, USE FOR 2016 (10) - ENGINE
10.001.ad
9
12
2
13
4
9
7
3
11
5
6
8
14
10
11
1
10.304.as
FIT
1:1
100%

Артикул

Название

Примечание

Количество

1

A184549

SPACER

Fan

1шт.

2

87573769

SHIELD

Fan Hub

1шт.

3

87313617

FAN,9 Blades, 762mm OD

9 Blades

1шт.

4

87016

WASHER,0.41" ID x 0.81" OD x 0.07" Thk

4шт.

5

86508575

BOLT,Hex, M10 x 130mm, Cl 8.8

4шт.

6

47778259

Alternator

BELT

1шт.

7

87485712

DRAINCOCK/TAP SUPPLY

Valve Assy, Use For 2016

1шт.

8

84373430

EMBLEM

Decal, Case Ih - Engine

1шт.

9

87679098

DECAL,37mm x 70mm

Oil Filter

2шт.

10

84288936

FITTING,3/4" - 16 ORB x 1" - 14 ORFS

Connector, Hyd, Bulkhead, Use form 2017

1шт.

11

140022

WASHER,26mm ID x 44mm OD x 4mm Thk

Use form 2017

2шт.

12

84185100

SHUT-OFF VALVE,3/4" - 16 x 3/4" - 16

Use form 2017

1шт.

13

201-919

BHD LOCK NUT,1" - 14

Use form 2017

1шт.

14

47783180

HOSE

Assy, Oil Drain, Use form 2017

1шт.

Выбрано товаров: 14