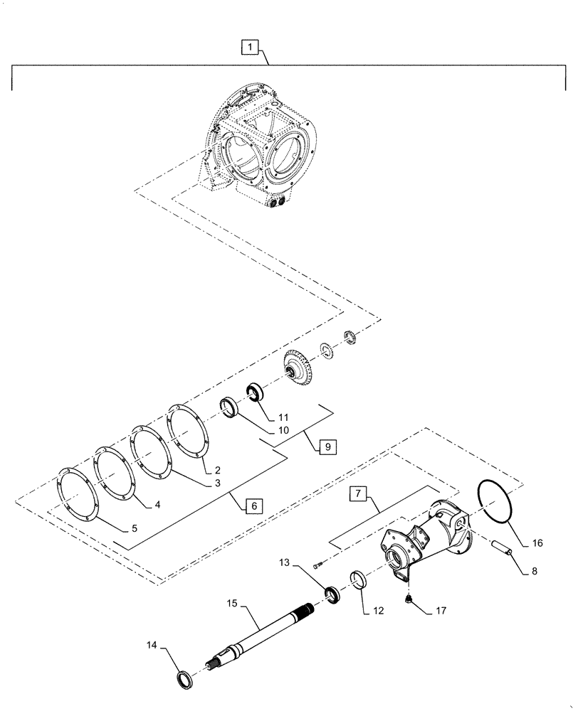
Запчасти Case IH AF4088 (14.100.AP[02]) - PTO GEARBOX ASSY (14) - MAIN GEARBOX & DRIVE

Схема запчастей Case IH AF4088 - (14.100.AP[02]) - PTO GEARBOX ASSY (14) - MAIN GEARBOX & DRIVE
2
3
10
5
6
17
4
11
16
8
7
14
15
9
12
13
1
FIT
1:1
100%

Артикул

Название

Примечание

Количество

1

84346357

GEARBOX

Assembly, Power Take Off, Incl 2 - 17

1шт.

2

84364130

SHIM

2шт.

3

84364131

SHIM

2шт.

4

84364132

SHIM

2шт.

5

84364133

SHIM

2шт.

6

84364134

SHIM

Kit, Incl 2 - 5

1шт.

7

84362993

HOUSING

Assy, Separator Drive, Incl 8

1шт.

8

195439C2

PIN,25.29mm OD x 101.6mm L

Auxilary Hydraulic Pump DR Arm

1шт.

9

87616966

BEARING ASSY,50 mm ID x 90 mm OD x 28 mm

Taper Roller, Incl 10 - 11

1шт.

10

A75210

BEARING CUP,3.5433" OD x 0.9055"

1шт.

11

A75211

ROLLER BEARING,1.9685" ID x 1.1024"

Cone

1шт.

12

376463C1

BEARING CUP

Seperator Drive

1шт.

13

364463C91

BEARING ASSY,2.0005" ID x 3.2283" OD x 0.875"

Cone

1шт.

14

194051C1

SEAL,63.42mm ID x 82.8mm OD x 11mm Thk

Separator Drive Housing

1шт.

15

84374516

SHAFT

Separator Drive

1шт.

16

238-6266

O-RING,0.139" Thk x 7.984" ID, -266, Cl 6, 90 Duro

1шт.

17

84513374

PLUG

Magnetic

1шт.

Выбрано товаров: 17