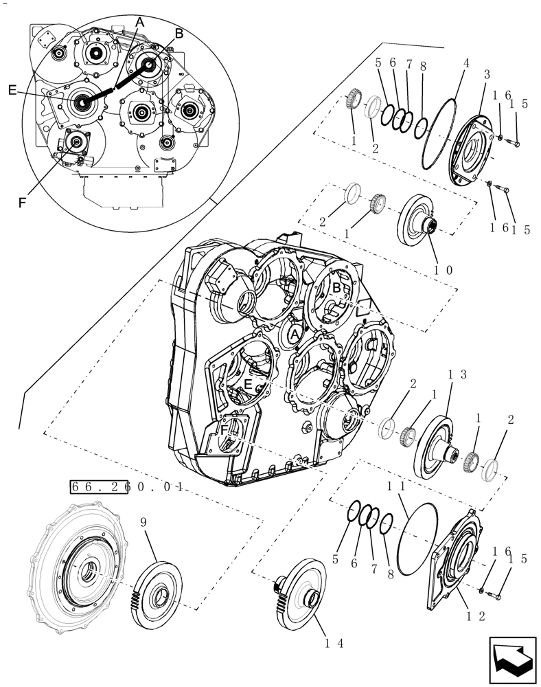
Запчасти Case IH 9010 (31.114.02[02]) - PTO, COVERS, OUTPUT GEARS, ENGINE GEARBOX - 9010 (31) - IMPLEMENT POWER TAKE OFF

Схема запчастей Case IH 9010 - (31.114.02[02]) - PTO, COVERS, OUTPUT GEARS, ENGINE GEARBOX - 9010 (31) - IMPLEMENT POWER TAKE OFF
15
2
3
1
2
5
14
1
1
7
2
66.260.01
7
1
15
9
8
6
2
11
4
16
13
15
6
12
5
10
8
16
16
FIT
1:1
100%

Артикул

Название

Примечание

Количество

1

L33289

ROLLER BEARING,57.1565mm ID x 21.857mm Thk

4шт.

2

105497H

BEARING CUP,96.85mm OD x 15.77mm W

4шт.

3

397677A1

FLANGE

Pump Mounting

1шт.

4

238-5171

O-RING,0.103" Thk x 8" ID, -171, Cl 5, 75 Duro

1шт.

5

378158A1

SHIM

1шт.

6

378159A1

SHIM

1шт.

7

378160A1

SHIM

1шт.

8

378161A1

SHIM

1шт.

9

86975202

GEAR

PTO Input, 58 T

1шт.

10

86975203

GEAR

Pump Drive, 42 T

1шт.

11

238-5274

O-RING,0.139" Thk x 9.984" ID, -274, Cl 5, 75 Duro

1шт.

12

86997812

FLANGE

Driveshaft, Feeder / Header

1шт.

13

86975205

GEAR

Drive, Feeder / Header, 51 T

1шт.

14

86975206

GEAR

Rotor Drive, 57 T

1шт.

15

628-12035

BOLT,Hex, M12 x 1.75 x 35mm, Cl 10.9, Full Thd

1шт.

16

896-12012

WASHER,13.5mm ID x 24mm OD x 3mm Thk

1шт.

Выбрано товаров: 16