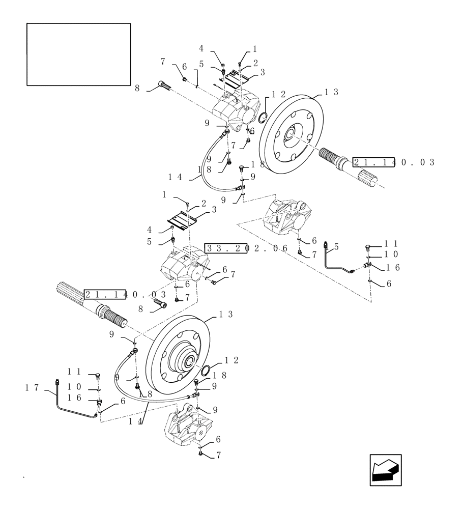
Запчасти Case IH 9010 (33.202.04) - SERVICE BRAKES - 9010 (33) - BRAKES & CONTROLS

Схема запчастей Case IH 9010 - (33.202.04) - SERVICE BRAKES - 9010 (33) - BRAKES & CONTROLS
12
6
21.140.03
10
18
9
6
21.140.03
6
16
11
7
7
9
12
6
9
18
16
10
1
2
11
6
3
14
17
13
8
9
2
13
3
6
9
7
6
9
7
8
5
5
9
15
7
18
6
14
4
9
1
4
18
7
33.202.06
FIT
1:1
100%

Артикул

Название

Примечание

Количество

1

300806

BOLT,Hex, M5 x 0.8 x 10mm, Cl 8.8, Full Thd

4шт.

2

80322356

WASHER

M5

4шт.

3

84004317

PLATE

2шт.

4

89835349

CAP

Seal

6шт.

5

89832308

SCREW

Vent

6шт.

6

84439102

SEALING WASHER,10mm ID x 16mm OD x 1.5mm Thk

10шт.

7

89832307

SCREW

Sealing

8шт.

8

89817243

SCREW

Cylinder Head

8шт.

9

84449206

RING,10.2mm ID x 13.4mm OD x 1mm Thk

8шт.

10

80355607

SEALING RING

SEALRING

2шт.

11

89832304

BANJO BOLT

Hollow

2шт.

12

370007

SNAP RING,M45, Ext

2шт.

13

84071125

BRAKE DISC

2шт.

14

84447450

BRAKE LINE,360mm L

L = 360mm

2шт.

15

87330717

BRAKE LINE

Tube, Brake Duct

1шт.

16

9832303

FITTING

2шт.

17

87330720

BRAKE LINE,4.75 mm DIA

Tube, Brake Duct

1шт.

18

84449205

BANJO BOLT,M10 x 1 x 17mm

4шт.

Выбрано товаров: 18