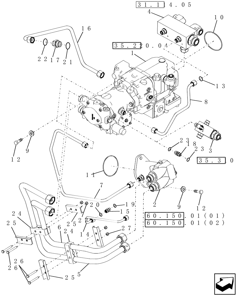
Запчасти Case IH 9010 (35.204.01[01]) - CVT FEEDER / HEADER DRIVE - PRIOR TO PIN HAJ202001 - 7010/8010 (35) - HYDRAULIC SYSTEMS

Схема запчастей Case IH 9010 - (35.204.01[01]) - CVT FEEDER / HEADER DRIVE - PRIOR TO PIN HAJ202001 - 7010/8010 (35) - HYDRAULIC SYSTEMS
26
11
9
25
23
9
27
31.114.05
60.150.01(02)
60.150.01(01)
35.220.04
25
4
12
23
8
19
26
10
7
20
35.310.41
18
13
14
24
3
2
1
25
22
6
16
15
21
5
27
17
12
24
FIT
1:1
100%

Артикул

Название

Примечание

Количество

1

86638315

HYDRAULIC PUMP

Rotor / Header

1шт.

1

86638314R

REMAN-HYD PUMP

Rotor / Header

1шт.

1

86638314C

CORE-HYDRAULIC PUMP

Return Number

1шт.

2

86996948

MOTOR, HYDRAULIC

Header

1шт.

2

86981121R

REMAN-HYD MOTOR

Header

1шт.

2

86981121C

CORE-MOTOR HYDRAULIC

Return Number

1шт.

3

87553802

VALVE

Charge Pressure

1шт.

4

87108152

MANIFOLD

1шт.

5

86995853

HYD TUBE

Feeder 1

1шт.

6

86995854

HYD TUBE

Feeder 2

1шт.

7

86995874

HYD TUBE,0.50" OD

Motor, Drain

1шт.

8

86995888

HYD TUBE,0.50" OD

Pump, Drain

1шт.

9

86625256

WASHER,13.3mm ID x 28.5mm OD x 4mm Thk

6шт.

10

274336

O-RING,0.103" Thk x 4.737" ID, -158, Cl 5, 75 Duro

1шт.

11

9828498

O-RING,0.103" Thk x 3.987" ID, -155, Cl 5, 75 Duro

1шт.

12

87022683

BOLT,Hex, M12 x 40mm, Cl 10.9

6шт.

13

9992298

O-RING,0.07" Thk x 0.489" ID, -14, Cl 6, 90 Duro

1шт.

14

86995995

HYD TUBE,0.375" OD

Feeder Clutch Pressure

1шт.

15

86579671

HYD CONNECTOR,11/16" - 16 ORFS x M14 x 1.5 ORB

1шт.

16

86995997

HYD TUBE,0.75" OD

Feeder Gearbox Drain

1шт.

17

86579683

HYD CONNECTOR,1-3/16"-12 ORFS x M33 x 2.0 ORB

1шт.

18

86997654

HYD CONNECTOR

1шт.

19

86598099

O-RING,2.2mm Thk x 11.3mm ID, Cl 6

1шт.

20

9993141

O-RING,0.07" Thk x 0.364" ID, -12, Cl 6, 90 Duro

1шт.

21

86598104

O-RING,2.9mm Thk x 29.6mm ID, Cl 6, 90 Duro

1шт.

22

9991976

O-RING,0.07" Thk x 0.739" ID, -18, Cl 6, 90 Duro

1шт.

23

86598101

O-RING,2.2mm Thk x 15.3mm ID, Cl 6, 90 Duro

2шт.

24

86999893

CLAMP

2шт.

Clamps Together - Refs 5 & 6

1шт.

25

87000242

CHANNEL

4шт.

26

120061

BOLT,Hex, M8 x 60mm L, Cl 8.8

4шт.

27

86629542

NUT,M8 x 1.25, Cl 8.8

4шт.

Выбрано товаров: 32