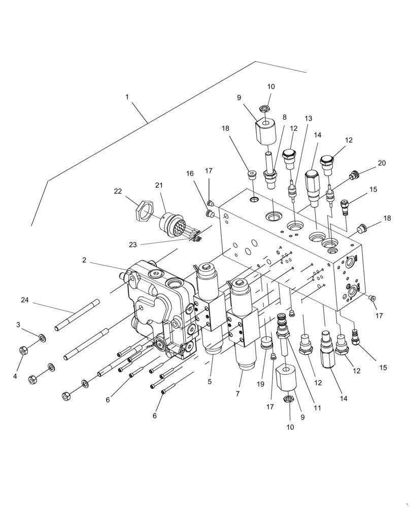
Запчасти Case IH 9010 (35.204.05[02]) - VALVE, FEEDER STACK & LATERAL TILT (35) - HYDRAULIC SYSTEMS

Схема запчастей Case IH 9010 - (35.204.05[02]) - VALVE, FEEDER STACK & LATERAL TILT (35) - HYDRAULIC SYSTEMS
19
12
7
15
12
15
12
10
2
9
17
8
17
18
13
18
20
6
3
4
12
24
14
23
16
11
21
5
17
14
1
9
10
22
6
FIT
1:1
100%

Артикул

Название

Примечание

Количество

1

87109742

HYDRAULIC VALVE

1шт.

2

87281778

VALVE

Reel Drive

1шт.

2

87281778R

REMAN-HYD VALVE

Reel Drive

1шт.

2

87281778C

CORE-VALVE HYD

Return Number

1шт.

3

895-18010

WASHER,10.5mm ID x 18mm OD x 1.6mm Thk

3шт.

4

829-1410

NUT,M10 x 1.5, Cl 10.9

3шт.

5

87434014

CONTROL VALVE

Three Position, Four Way

1шт.

6

61-31020

HEX SOC SCREW,#10 - 24 x 1 1/4"

8шт.

7

86995306

VALVE

Three Position, Four Way

1шт.

7

86995306R

REMAN-HYD VALVE

Three Position, Four Way

1шт.

7

86995306C

CORE-VALVE HYD

Return Number

1шт.

8

87436627

VALVE

1шт.

9

86995302

SOLENOID

Coil

2шт.

10

195683A1

JAM NUT,1/2"-20

2шт.

11

190711A1

VALVE

1шт.

12

87433998

CHECK VALVE,7/8" - 14

4шт.

13

149940C1

PISTON

2шт.

14

190986A1

VALVE PRESSURE RELIE,7/8" - 14

2шт.

15

190704A1

CHECK VALVE

2шт.

15a

190707A1

SEAL KIT

Repair, Ref 15

2шт.

16

278548

PLUG,Hex, 7/16"-20 ORB

1шт.

17

86632547

PLUG,Hex, 5/16"-24 ORB

4шт.

18

9625178

PLUG,9/16" - 18 ORB

2шт.

19

86625138

PLUG,7/18" - 14

1шт.

20

221573A1

PLUG,Hex Soc, M12 x 1.5, ORB

1шт.

21

319151A1

CONNECTOR, ELEC

CONNECTOR

1шт.

22

86619907

NUT,1.6875"-18

1шт.

23

453133C1

PLUG

9шт.

24

190716A1

STUD

3шт.

Выбрано товаров: 29