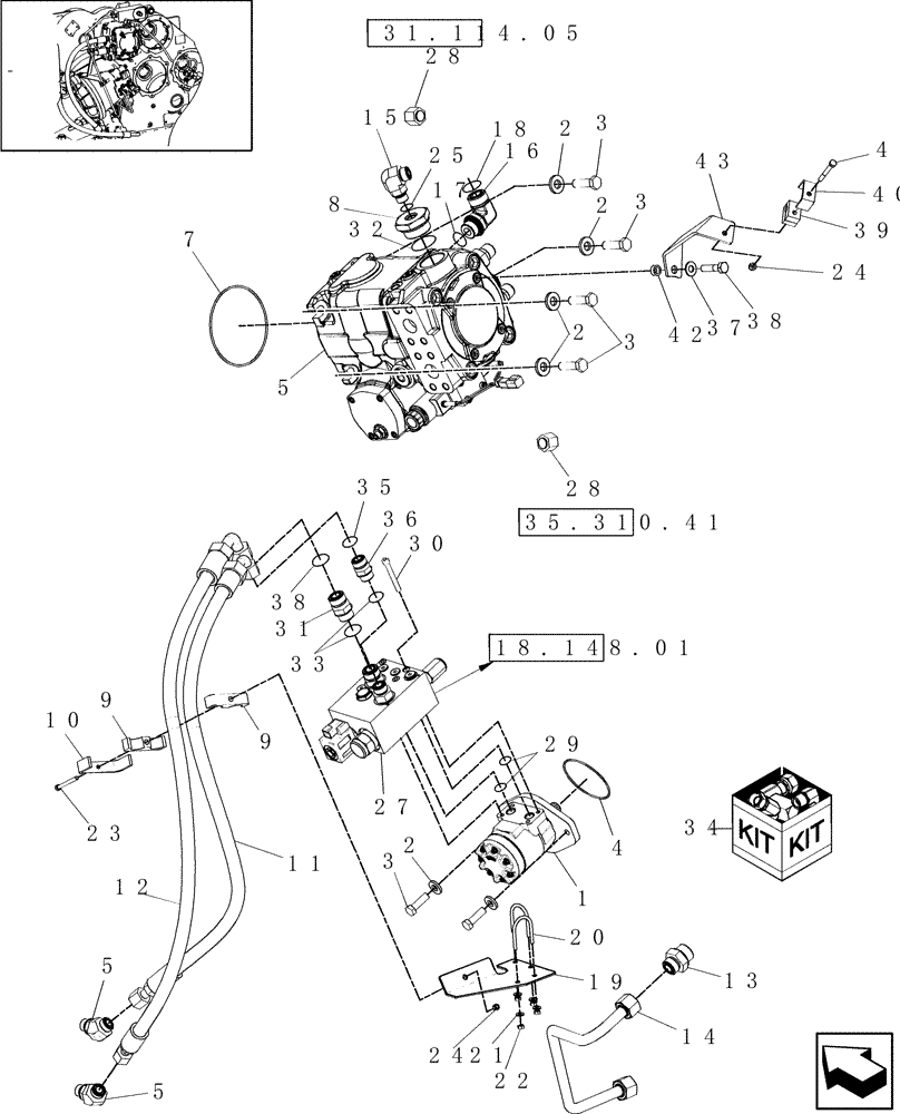
Запчасти Case IH 9010 (35.910.05) - FIXED SPEED - FEEDER / HEADER DRIVE HYDRAULICS - 9010 (35) - HYDRAULIC SYSTEMS

Схема запчастей Case IH 9010 - (35.910.05) - FIXED SPEED - FEEDER / HEADER DRIVE HYDRAULICS - 9010 (35) - HYDRAULIC SYSTEMS
30
5
4
15
39
13
28
9
35
43
21
16
41
40
11
29
38
20
2
17
5
3
32
3
36
34
25
9
24
3
1
38
2
12
18.148.01
35.310.41
31.114.05
31
14
10
7
42
23
2
2
33
28
27
22
18
19
5
24
8
37
3
FIT
1:1
100%

Артикул

Название

Примечание

Количество

1

87284672

MOTOR, HYDRAULIC,66CC

1шт.

2

86625256

WASHER,13.3mm ID x 28.5mm OD x 4mm Thk

6шт.

3

87022683

BOLT,Hex, M12 x 40mm, Cl 10.9

6шт.

4

9828498

O-RING,0.103" Thk x 3.987" ID, -155, Cl 5, 75 Duro

1шт.

5

86639053

ELBOW,45 Degree, 1"-14 ORFS x M22 x 1.5 ORB

1шт.

6

87577618

HYDROSTATIC PUMP,71 CC

1шт.

87577618R

REMAN-HYD PUMP

REMANUFACTURED HYD PUMP - for N.A. Only

1шт.

87577618C

CORE-HYDRAULIC PUMP

Return Number, HYD PUMP - for N.A. Only

1шт.

7

274336

O-RING,0.103" Thk x 4.737" ID, -158, Cl 5, 75 Duro

1шт.

8

87607845

PLUG

1шт.

9

457547

CLAMP

2шт.

10

743320

SUPPORT

1шт.

11

87283792

HOSE,16mm ID x 1270mm L

Supply, Reverser

1шт.

12

87284629

FLEXIBLE HOSE

Return, Reverser

1шт.

13

86579683

HYD CONNECTOR,1-3/16"-12 ORFS x M33 x 2.0 ORB

1шт.

14

87283801

HYD TUBE,0.75" OD

Feeder Gearcase Drain

1шт.

15

86579691

90 ELBOW,90 Degree, 13/16"-18 ORFS x M18 x 1.5 ORB

1шт.

16

87598659

ELBOW

1шт.

17

87621902

O-RING

1шт.

18

9991976

O-RING,0.07" Thk x 0.739" ID, -18, Cl 6, 90 Duro

1шт.

19

87283795

BRACKET

Hose Support

1шт.

20

799339

U-BOLT

2шт.

21

322357

BELLEVILLE WASHER,M6 Bolt Size x 14mm OD x 1.3mm Thk

4шт.

22

9706755

NUT,M6, Cl 8

4шт.

23

338413

BOLT,Hex, M6 x 60mm, Cl 8.8

1шт.

24

353308

NUT,M6 x 1.0, Cl 8

2шт.

25

86598101

O-RING,2.2mm Thk x 15.3mm ID, Cl 6, 90 Duro

1шт.

26

9992298

O-RING,0.07" Thk x 0.489" ID, -14, Cl 6, 90 Duro

1шт.

27

87284673

VALVE

Reverser

1шт.

28

9840575

CAP,13/16" - 16 ORFS

2шт.

29

272344

O-RING,0.103" Thk x 0.487" ID, -112, Cl 6, 90 Duro

2шт.

30

87302046

HEX SOC SCREW,M8 x 80mm, Cl 8.8

4шт.

31

86579682

HYD CONNECTOR,1-3/16" - 12 ORFS x M27 x 2 ORB

1шт.

32

87621903

O-RING KIT,39mm ID x 50mm OD x 2mm Thk

1шт.

33

86598103

O-RING,2.9mm Thk x 23.6mm ID, Cl 6, 90 Duro

2шт.

34

9807617

SEAL KIT

For Ref 1 Motor

1шт.

35

9992069

O-RING,0.07" Thk x 0.614" ID, -16, Cl 6, 90 Duro

1шт.

36

86597760

HYD CONNECTOR,1"-14 ORFS x M2 x 2.0 ORB

1шт.

37

140045

BELLEVILLE WASHER,M10 Bolt Size x 22mm OD x 1.6mm Thk

1шт.

38

120068

BOLT,Hex, M10 x 40mm, Cl 8.8

1шт.

39

433008

CLAMP

2шт.

40

442340

SUPPORT

1шт.

41

120056

BOLT,M6 x 1.0 x 54.15mm, Cl 8.8

1шт.

42

87342153

SPACER,10.34mm ID x 15.88mm OD x 6.3mm L

1шт.

43

87646029

BRACKET, SUPPORTING

Tube

1шт.

Выбрано товаров: 45