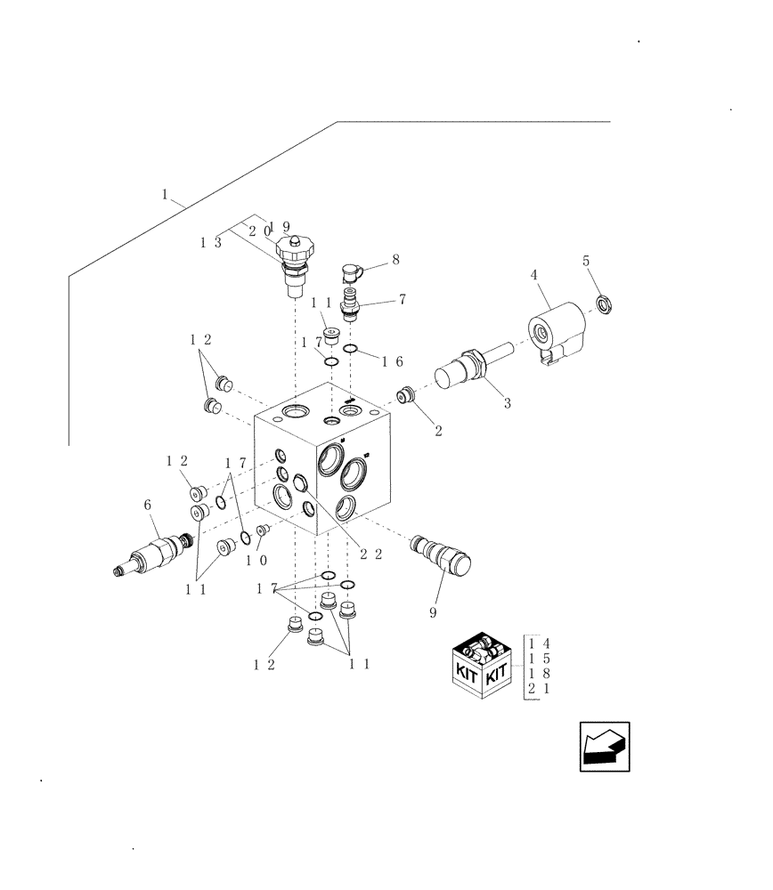
Запчасти Case IH 9010 (35.910.12[02]) - SPREADER CONTROL VALVE, COMPONENTS - 9010 (35) - HYDRAULIC SYSTEMS

Схема запчастей Case IH 9010 - (35.910.12[02]) - SPREADER CONTROL VALVE, COMPONENTS - 9010 (35) - HYDRAULIC SYSTEMS
12
5
10
11
11
2
17
13
18
17
12
17
11
20
16
12
6
8
7
9
15
22
3
1
19
14
21
4
FIT
1:1
100%

Артикул

Название

Примечание

Количество

1

86975667

HYDRAULIC VALVE

1шт.

Prior To PIN HAJ202001

1шт.

1

87619388

HYDRAULIC VALVE

1шт.

PIN HAJ202001 & After

1шт.

2

87434021

PLUG

Orificed

1шт.

3

86514793

SOLENOID VALVE

See Also: Ref 15

1шт.

4

87352779

SOLENOID

Component Of 86975667

1шт.

Shown

1шт.

4

87623908

COIL ASSY.

Solenoid; Component Of 87619388

1шт.

Not Shown: Cartridge Is Square

1шт.

5

195683A1

JAM NUT,1/2"-20

1шт.

6

299075A1

VALVE, PRESSURE RELI

EF See Also: Ref 14

1шт.

7

84320565

COUPLING,M14 x 1.5

Includes: Ref 16

1шт.

8

H434163

DUST CAP

1шт.

9

87031239

HYDRAULIC VALVE

See Also: Ref 18

1шт.

10

87026245

ORIFICE

1шт.

11

9625178

PLUG,9/16" - 18 ORB

Includes: Ref 17

6шт.

12

87035062

PLUG,Hex, 1/2"-20 ORB

4шт.

13

87031238

CONTROL VALVE,7/8" - 14

Regulator, Flow; Includes: Refs 19 & 20

1шт.

14

G110098

KIT

Services Ref 6

1шт.

15

86514794

SEAL KIT

Services Ref 3

1шт.

16

86598099

O-RING,2.2mm Thk x 11.3mm ID, Cl 6

1шт.

17

237-6006

O-RING,0.078" Thk x 0.468" ID, -906, Cl 6, 90 Duro

6шт.

18

87024936

SEAL KIT

Services Ref 9

1шт.

19

86505844

NUT,Acorn, #10-32

1шт.

20

87447534

KNOB

1шт.

21

86508168

SEAL KIT

Services Ref 13

1шт.

22

NSS

NOT SOLD SEPARAT

Valve, Check; Component Of 87619388

1шт.

Выбрано товаров: 28