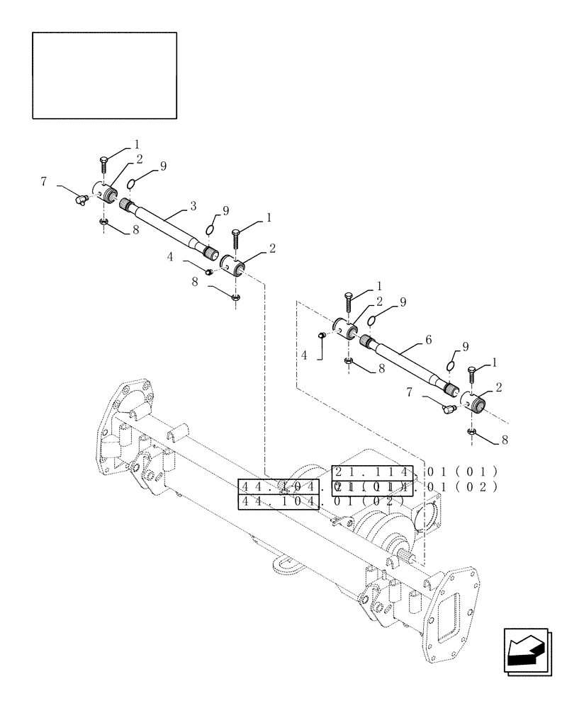
Запчасти Case IH 9010 (44.151.07) - HALF-SHAFTS - 9010 (41) - STEERING

Схема запчастей Case IH 9010 - (44.151.07) - HALF-SHAFTS - 9010 (41) - STEERING
8
1
1
9
7
9
8
2
1
8
4
2
2
6
7
9
4
3
2
44.104.01(02)
21.114.01(02)
44.104.01(01)
21.114.01(01)
8
1
9
FIT
1:1
100%

Артикул

Название

Примечание

Количество

1

120073

BOLT,Hex, M10 x 86.58mm, Cl 8.8

4шт.

2

84438982

SPLINED BUSHING,22T

4шт.

3

84440159

DRIVE SHAFT

R.H., 753mm

1шт.

4

321204

LUBE NIPPLE,M6 x 1.0 x 16mm OAL

2шт.

5

Reference Not Used

1шт.

6

84440156

DRIVE SHAFT

L.H., 493mm

1шт.

7

323713

LUBE NIPPLE,M6 x 1mm

2шт.

8

100037

LOCK NUT,M10 x 1.5, Cl 8

4шт.

9

84446910

SNAP RING,M40

4шт.

Выбрано товаров: 9