Запчасти Case IH 9010 (44.151.12) - TRACK KIT - NA ONLY (44) - WHEELS

Схема запчастей Case IH 9010 - (44.151.12) - TRACK KIT - NA ONLY (44) - WHEELS
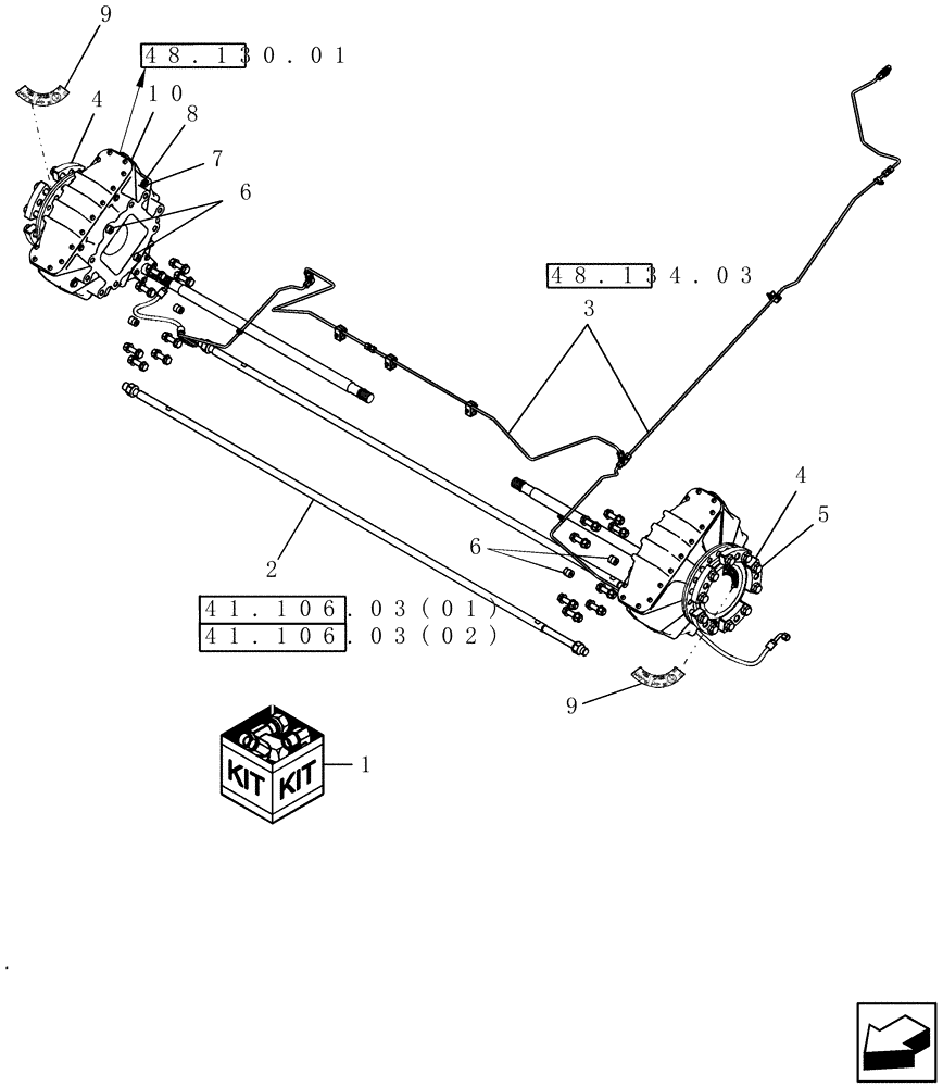
2
48.130.01
48.134.03
5
1
6
41.106.03(02)
7
6
10
41.106.03(01)
9
8
4
3
4
9
FIT
1:1
100%

Артикул

Название

Примечание

Количество

1

87477345

SERVICE KIT

Track; Includes: Refs 2 Thru 10

1шт.

2

0C

ORDER COMPONENTS

Drive Shafts & Rods

1шт.

3

87748777

HYD TUBE,410, 360 mm L

Tube Assembly

1шт.

4

87327940

PLATE

10шт.

5

87367550

FLANGE BOLT,Hex, M22 x 1.5 x 95mm, Cl 12.9

20шт.

6

626826

DOWEL,29.92mm OD x 35.1mm L

4шт.

7

386287

BREATHER

2шт.

8

220025

SEALING RING,24.3mm ID x 28.9mm OD x 2mm Thk

SEALRING

2шт.

9

87563204

DECAL

Front Wheel Bolt Torque

2шт.

10

87734570

HOUSING

Drive, Final

2шт.

84514129R

REMAN-TRANSMISSION

7010 (2/07-9/08), 8010 PIN HAJ200001 THRU HAJ204999 (9/06-9/08), Reman for New PN 87734570

2шт.

84514129C

CORE-TRANSMISSION

Return Number

1шт.

Выбрано товаров: 12