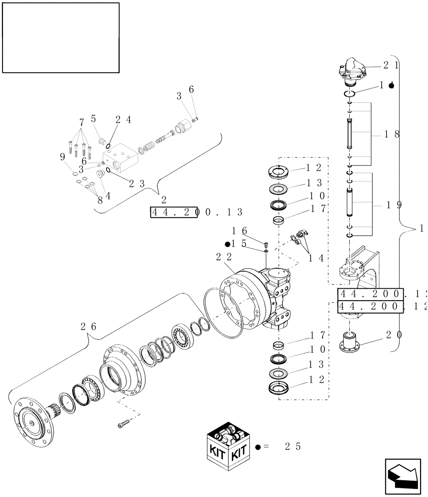
Запчасти Case IH 9010 (44.200.07) - MOTOR, HYDROSTATIC, PRA (44) - WHEELS

Схема запчастей Case IH 9010 - (44.200.07) - MOTOR, HYDROSTATIC, PRA (44) - WHEELS
13
8
12
26
6
24
1
3
6
17
13
10
23
21
20
19
12
15
9
14
10
7
16
18
44.200.12(02)
5
22
11
2
44.200.13
4
44.200.12(01)
3
17
FIT
1:1
100%

Артикул

Название

Примечание

Количество

1

87281652

HYDRAULIC MOTOR,2099CC

L.H.

1шт.

1

87281652R

REMAN-HYD MOTOR

7010 (2/07-9/08), 8010 PIN HAJ200001 THRU HAJ204999 (9/06-9/08)

1шт.

1

87281652C

CORE-MOTOR HYDRAULIC

Retun Number

1шт.

1

87661746

MOTOR, HYDRAULIC

L.H.

1шт.

Dual Speed

1шт.

1

87661746R

REMAN-HYD MOTOR

7010 (2/07-9/08), 8010 PIN HAJ200001 THRU HAJ204999 (9/06-9/08)

1шт.

1

87661746C

CORE-MOTOR HYDRAULIC

Return Number

1шт.

1

87281653

HYDRAULIC MOTOR

R.H.

1шт.

1

87281653R

REMAN-HYD MOTOR

7010 (2/07-9/08), 8010 PIN HAJ200001 THRU HAJ204999, Both AXIAL-FLOW COMBINE (9/06-9/08)

1шт.

1

87281653C

CORE-MOTOR HYDRAULIC

Return Number

1шт.

1

87661747

MOTOR, HYDRAULIC

R.H.

1шт.

Dual Speed

1шт.

1

87661747R

REMAN-HYD MOTOR

Remanufacture Hydraulic PMotor

1шт.

1

87661747C

CORE-MOTOR HYDRAULIC

Return Number, HYDRAULIC PMOTOR (7010, 8010)

1шт.

2

87281713

CONTROL VALVE

PRA; Used W/Motors 87281652 & 87281653

1шт.

Shown

1шт.

2

87283383

VALVE

PRA; Used W/Motors 87661746 & 87661747

1шт.

Not Shown

1шт.

3

863-6010

HEX SOC SCREW,M6 x 10mm, Cl 12.9

2шт.

4

221578A1

PLUG,M18 x 1.5 ORB

1шт.

5

254742A1

PLUG

M14 x 1.5, -05, W/Ref 24

1шт.

6

87283879

SEALING WASHER

Bleed Screw

2шт.

7

87035492

HEX SOC SCREW,M6 x 40mm, Cl 12.9

4шт.

8

379365R1

O-RING,0.07" Thk x 0.364" ID, -12, Cl 6, 90 Duro

4шт.

9

238-6015

O-RING,0.07" Thk x 0.551" ID, -15, Cl 6, 90 Duro

1шт.

10

84817926

SEAL,109.22mm ID x 127mm OD x 9.14mm Thk

SEALRING Environmental

2шт.

11

84817917

SEAL,66.04mm ID x 76.71mm OD x 5.33mm Thk

SEALRING 3.02" OD x 0.21" Thick

1шт.

12

84817924

DUST CAP,137.92mm OD x 22.1mm W

2шт.

13

84817900

THRUST WASHER,3.23" ID x .08" Thk

2шт.

14

87415

LUBE NIPPLE,90 Degree, 1/4" NPT x 3/4" L, Drive

2шт.

15

87281727

SEALING WASHER

Motor, Metal/Rubber

3шт.

16

87035490

HEX SOC SCREW,M8 x 1.25 x 10mm, Cl 8.8, Full Thd

3шт.

17

84817916

BUSHING,80.01mm ID x 89.15mm OD x 20.07mm L

2шт.

18

84800213

TUBE,1.25" DIA x 7.05" L

Inner

1шт.

19

84800212

TUBE,1.77" OD x 5.24" L

Outer

1шт.

20

84800194

PIN,3.15" OD x 3.07" L

Bottom, King

1шт.

21

87281730

PIN

Upper, King

1шт.

22

NSS

NOT SOLD SEPARAT

Motor

1шт.

23

637-63153

O-RING,2.2mm Thk x 15.3mm ID, Cl 6, 90 Duro

1шт.

24

637-63113

O-RING,2.2mm Thk x 11.3mm ID, Cl 6

1шт.

25

87360505

SEAL KIT

Includes Refs 11 & 15 (Includes 7 Additional NSS seals for motor)

1шт.

26

87552816

BEARING ASSY

Front Side Motor

1шт.

26

87552816R

REMAN-WHEEL END ASSY

7010 (2/07-9/08), 8010 PIN HAJ200001 THRU HAJ204999 (9/06-9/08)

1шт.

26

87552816C

CORE-WHEEL END ASSY

Return Number

1шт.

Выбрано товаров: 44