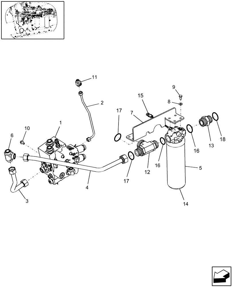
Запчасти Case IH AFX8010 (A.10.A[1]) - FILTERS AND MAIN STACK VALVE A - Distribution Systems

Схема запчастей Case IH AFX8010 - (A.10.A[1]) - FILTERS AND MAIN STACK VALVE A - Distribution Systems
3
15
6
10
16
17
9
18
1
12
13
4
14
2
5
8
11
16
17
7
FIT
1:1
100%

Артикул

Название

Примечание

Количество

1

0C

ORDER COMPONENTS

Main Stack; For Component Breakdown, Refer To Fig. A.10.A.18[4]

1шт.

2

86995855

HYD TUBE

Load Sense from Main Valve

1шт.

3

86995864

HYD TUBE,1" OD

Return from Main Valve Stack

1шт.

4

86995867

HYD TUBE,1" OD

PFC Return to Filter

1шт.

5

86998593

HYDRAULIC OIL FILTER

Aux Return to Reservoir, 17.4 " long

1шт.

6

86705422

TEE

1шт.

7

87284382

STRAP

Mounting, Ref. # 5, Serial Range: -HAJ105757

1шт.

7

87284938

STRAP

Mounting, Ref. # 5, Start Serial: HAJ105758

1шт.

8

140045

BELLEVILLE WASHER,M10 Bolt Size x 22mm OD x 1.6mm Thk

1шт.

9

43138

BOLT,Hex, M10 x 1.5 x 20mm, Cl 8.8

8шт.

9

43139

BOLT,M10 x 1.5 x 25mm, Cl 8.8

4шт.

10

274249

BOLT,Hex, M10 x 20mm

3шт.

11

9840322

TEE,11/16"-16 ORFS

1шт.

12

86579708

TEE,1-11/16" - 12 ORFS x 1-11/16" - 12 ORFS x M42 x 2 ORB

1шт.

13

86997863

HYD CONNECTOR,2" - 12 ORFS x M42 x 2 ORB

1шт.

14

277311A1

HYDRAULIC OIL FILTER

Element, 14.4 " long

1шт.

15

87447716

SWITCH

Filter Bypass

1шт.

16

637-64386

O-RING,2.9mm Thk x 38.6mm ID, Cl 6, 90 Duro

2шт.

17

238-6025

O-RING,0.07" Thk x 1.176" ID, -25, Cl 6, 90 Duro

2шт.

18

238-6029

O-RING,0.07" Thk x 1.489" ID, -29, Cl 6, 90 Duro

1шт.

Выбрано товаров: 20