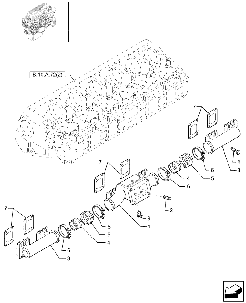
Запчасти Case IH AFX8010 (B.40.A.38) - EXHAUST MANIFOLD (500335634) B - Power Production

Схема запчастей Case IH AFX8010 - (B.40.A.38) - EXHAUST MANIFOLD (500335634) B - Power Production
1
6
5
6
4
3
7
8
4
3
5
6
7
b.10.a.72(2)
2
7
9
6
FIT
1:1
100%

Артикул

Название

Примечание

Количество

1

500333842

EXHAUST MANIFOLD

1шт.

1

504142535

EXHAUST MANIFOLD

Tier 3, Start Serial: HAJ106401

1шт.

2

16731370

STUD

M10 x 30

2шт.

3

99434992

EXHAUST MANIFOLD

2шт.

3

504027315

EXHAUST MANIFOLD

Tier 3, Start Serial: HAJ106401

2шт.

4

99440118

RING

2шт.

5

2859383

LOCKING RING

2шт.

6

500305815

CLAMP

4шт.

7

99440116

GASKET

6шт.

8

99443210

SCREW,M10 x 1.5 x 40

24шт.

9

99441940

PLUG

M12 x 1.5

2шт.

Выбрано товаров: 11