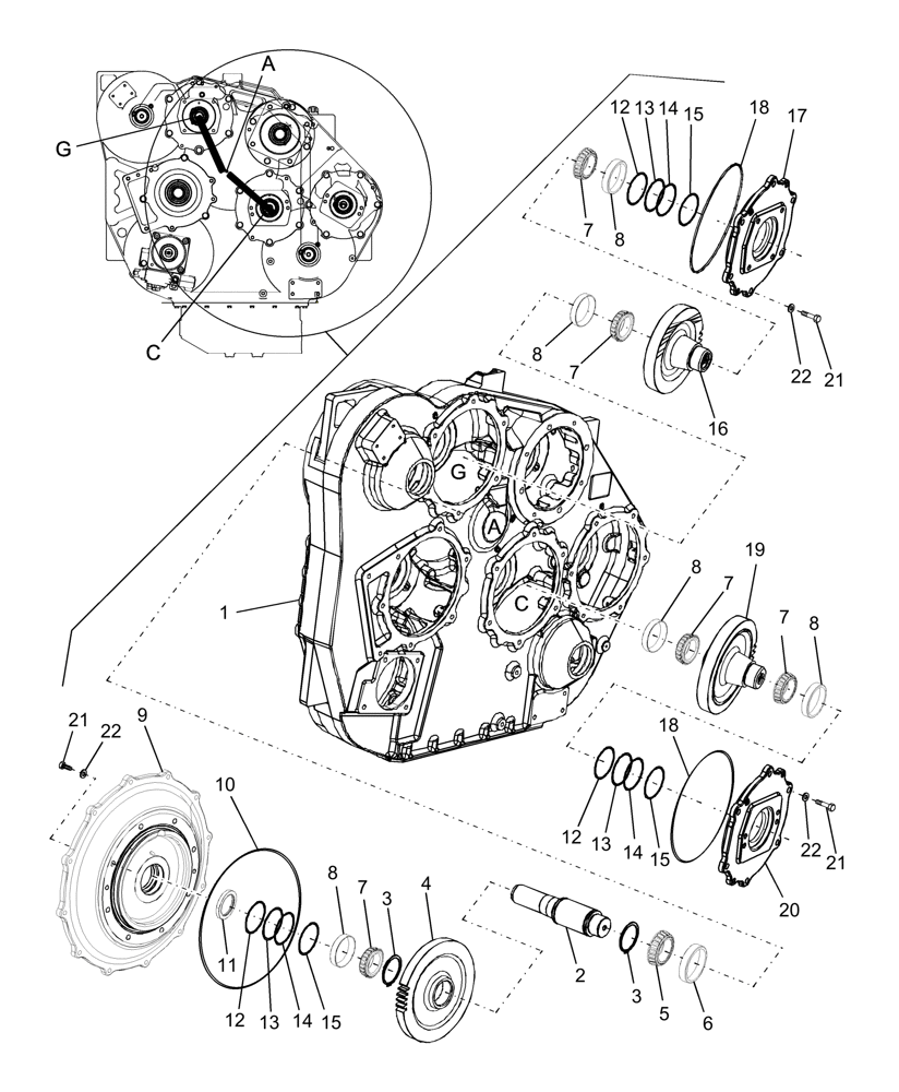
Запчасти Case IH AFX8010 (C.10.B.42[2]) - PTO, INPUT SHAFT, ENGINE GEARBOX C - Power Train

Схема запчастей Case IH AFX8010 - (C.10.B.42[2]) - PTO, INPUT SHAFT, ENGINE GEARBOX C - Power Train
18
18
7
22
4
16
10
13
8
13
8
22
14
15
9
7
21
8
20
8
14
13
15
1
22
3
21
8
21
2
14
7
11
5
6
17
12
12
7
15
3
19
7
12
FIT
1:1
100%

Артикул

Название

Примечание

Количество

1

87108216

HOUSING

Housing

1шт.

2

397688A1

SHAFT

Input

1шт.

3

100-11262

SNAP RING,#262, Ext

2шт.

4

86975202

GEAR

Input, 58T

1шт.

5

PO12993

BEARING CONE

1шт.

6

22365V

BEARING CUP,3.6718" OD x 0.93"

1шт.

7

364463C91

BEARING ASSY,2.0005" ID x 3.2283" OD x 0.875"

1шт.

8

364462C1

BEARING CUP,82.55mm OD x 16.51mm W

1шт.

9

397673A1

COVER

Input, SAE 2 - CDC Engine

1шт.

9

397675A1

COVER

Input, SAE 1 - Iveco Engine

1шт.

10

238-5277

O-RING,0.139" Thk x 11.484" ID, -277, Cl 5, 75 Duro

1шт.

11

328567A1

SEAL

Lip

1шт.

12

378154A1

SHIM,0.127mm Thk

1шт.

13

378155A1

SHIM,0.178mm Thk

1шт.

14

378156A1

SHIM,0.203mm Thk

1шт.

15

378157A1

SHIM,0.508mm Thk

1шт.

16

86975207

GEAR

42T

1шт.

17

86975218

FLANGE

1шт.

18

238-5272

O-RING,0.139" Thk x 9.484" ID, -272, Cl 5, 75 Duro

2шт.

19

86975204

GEAR

48T

1шт.

20

87107642

FLANGE

1шт.

21

628-12035

BOLT,Hex, M12 x 1.75 x 35mm, Cl 10.9, Full Thd

1шт.

22

896-12012

WASHER,13.5mm ID x 24mm OD x 3mm Thk

1шт.

Выбрано товаров: 0