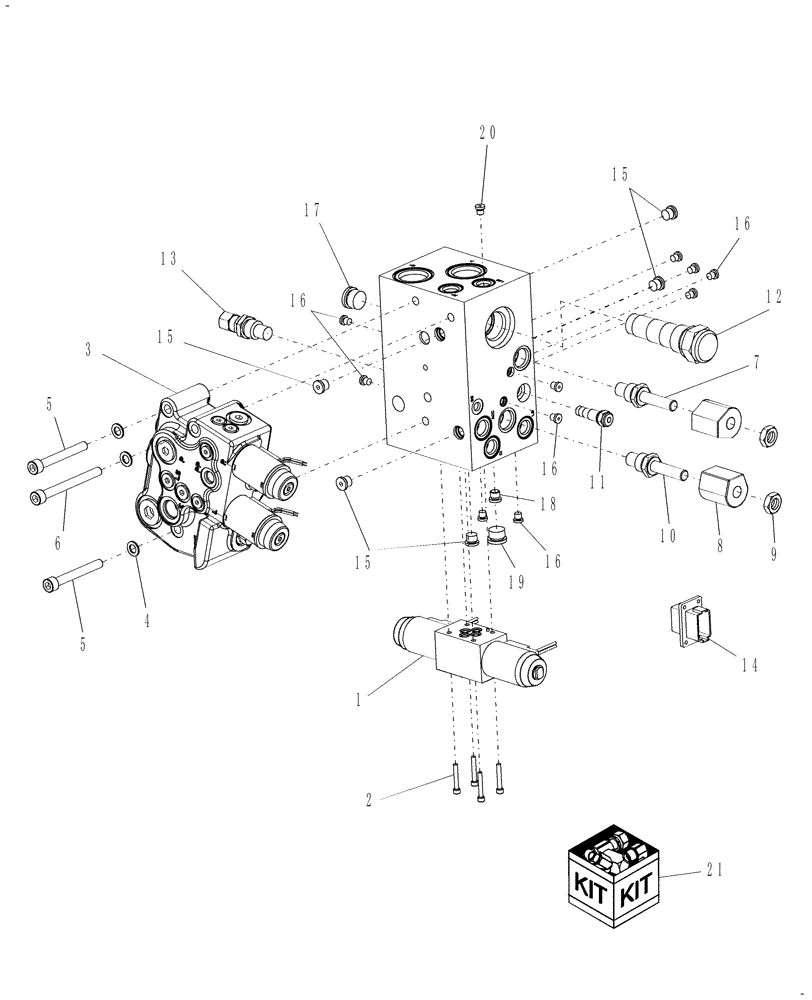
Запчасти Case IH AFX8010 (A.10.A.18[5]) - VALVE, FEEDER LIFT A - Distribution Systems

Схема запчастей Case IH AFX8010 - (A.10.A.18[5]) - VALVE, FEEDER LIFT A - Distribution Systems
9
6
5
16
14
17
15
19
12
11
20
8
5
13
1
2
4
16
16
18
16
15
3
7
15
21
10
FIT
1:1
100%

Артикул

Название

Примечание

Количество

1

87434014

CONTROL VALVE

Three Position, Four Way

1шт.

2

61-31020

HEX SOC SCREW,#10 - 24 x 1 1/4"

4шт.

3

87434009

CONTROL VALVE

Feeder Lift

1шт.

3

87648197R

REMAN-HYD VALVE

Feeder Lift

1шт.

3

87648197C

CORE-VALVE HYD

Return Number

1шт.

4

895-18010

WASHER,10.5mm ID x 18mm OD x 1.6mm Thk

3шт.

5

864-10080

HEX SOC SCREW,M10 x 80mm, Cl 8.8

2шт.

6

864-10100

HEX SOC SCREW,M10 x 100mm, Cl 8.8

1шт.

7

191121A1

VALVE

Two Way, Normally Closed

1шт.

8

86995302

SOLENOID

Coil, 12 Volt

2шт.

9

195683A1

JAM NUT,1/2"-20

2шт.

10

87281256

CARTRIDGE

Two Way, Two Position With Orifice

1шт.

11

190704A1

CHECK VALVE

1шт.

11a

190707A1

SEAL KIT

Repair Ref. 11

1шт.

12

87678444

VALVE

Valve, Priority; See Also: Ref. 21

1шт.

13

87434000

VALVE PRESSURE RELIE

1шт.

14

323464A1

CONNECTOR, ELEC

CONNECTOR

1шт.

15

87035062

PLUG,Hex, 1/2"-20 ORB

Tube OD = 5/16"

5шт.

16

86632547

PLUG,Hex, 5/16"-24 ORB

Tube OD = 1/8"

10шт.

17

86625138

PLUG,7/18" - 14

Tube OD = 5/8"

1шт.

18

87434016

PLUG

Orificed With Screen

1шт.

19

71100209

PLUG,Hex Soc, 3/4"-16 ORB

Tube OD = 1/2"

1шт.

20

87434017

PLUG

Orificed, .030

1шт.

21

87434015

SEAL KIT

Services: Ref. 12

1шт.

Выбрано товаров: 24