Качественные детали и логистика
Оригинальные и аналоговые запчасти с доставкой по России, Казахстану и Беларуси
©2022 PartSell ООО "Система" ИНН 2463123282 ОГРН 1212400004838
Центральный офис: г. Красноярск, Академика Киренского, д.87, пом.4
Телефон: 8 (800) 777-65-74 Email: zakaz@partsell.ru
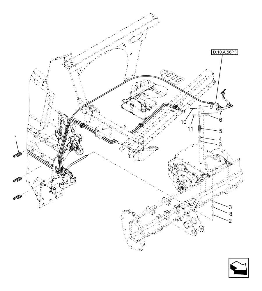
(D.10.A.56[2]) - DIFFERENTIAL LOCK
№
Артикул
Название
Примечание
Количество
1
9818147
CLAMP
3шт.
2
449469
SCREW,Hex, M10 x 50mm OAL
1шт.
3
394629
WASHER,10.5mm ID x 24mm OD x 3mm Thk
2шт.
4
449470
NUT,M10 x 1.5
5
9818291
BOOT
6
381140
7
388340
YOKE
8
100016
NUT,M10 x 1.5, Cl 8
9
376876
CLEVIS PIN,6mm OD x 30mm L
10
86977785
COTTER PIN,M1.6 x 20mm
11
120100
BOLT,M6 x 20mm, Cl 8.8
Выбрано товаров: 0