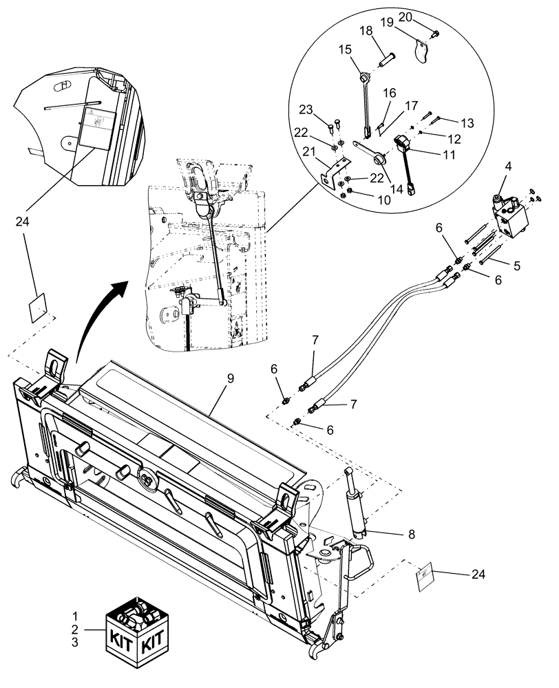
Запчасти Case IH AFX8010 (G.30.A.77.77[5]) - LATERAL TILT KITS G - Tool Positioning

Схема запчастей Case IH AFX8010 - (G.30.A.77.77[5]) - LATERAL TILT KITS G - Tool Positioning
17
14
20
2
4
13
6
3
18
10
6
19
16
9
6
21
8
24
15
22
6
24
22
7
11
7
1
12
5
23
FIT
1:1
100%

Артикул

Название

Примечание

Количество

1

87281928

KIT

Includes: Refs. 4-8, 10-23

1шт.

2

84083570

KIT

Includes: Refs. 4-7, 9, 24

1шт.

3

87105744

SEAL KIT

Ref. 8, Cylinder Repairs

1шт.

4

86995690

CONTROL VALVE

Lateral Tilt Add-on

1шт.

5

86508575

BOLT,Hex, M10 x 130mm, Cl 8.8

4шт.

6

86579672

HYD CONNECTOR,11/16"-16 ORFS x M16 x 1.5 ORB

4шт.

7

87109107

HOSE

Assy. Lateral Tilt

2шт.

8

87282645

CYLINDER,Double Acting, 28mm Rod, 140mm Stroke

1шт.

9

NSS

NOT SOLD SEPARAT

Adapter Assy. See Figure G.30.A.77.77 (3)

1шт.

10

9706690

NUT,M8 x 1.25, Cl 8

2шт.

11

87283864

SENSOR

Feeder Angle

1шт.

12

9824326

WASHER,5.3mm ID x 10mm OD x 1mm Thk

2шт.

13

86502967

SCREW,Phillips Drive, Pan HD, M5 x 30mm, Cl 4.8

2шт.

14

87105024

ARM

1шт.

15

87283220

LINKAGE

1шт.

16

84019930

CLEVIS PIN,6mm OD x 20mm L

1шт.

17

86523849

COTTER PIN,1/16" x 3/4"

1шт.

18

87282857

PIN

1шт.

19

87107104

PLATE

1шт.

20

86511841

BOLT,Flng, M8 x 1.25 x 16mm, Full Thd, Cl 8.8

1шт.

21

87001364

BRACKET

1шт.

22

322358

BELLEVILLE WASHER,M8 Bolt Size x 18mm OD x 1.4mm Thk

4шт.

23

43127

BOLT,Hex, M8 x 1.25 x 25mm, Cl 8.8

2шт.

24

86996879

DECAL

2шт.

Выбрано товаров: 24