Запчасти Case IH AFX8010 (K.40.C.44[2]) - INPUT SHAFT & GEARS, ROTOR GEARBOX K - Crop Processing

Схема запчастей Case IH AFX8010 - (K.40.C.44[2]) - INPUT SHAFT & GEARS, ROTOR GEARBOX K - Crop Processing
14
13
8
9
18
1
25
12
26
24
29
2
19
5
27
15
22
11
30
17
4
23
16
7
28
20
10
3
6
21
FIT
1:1
100%

Артикул

Название

Примечание

Количество

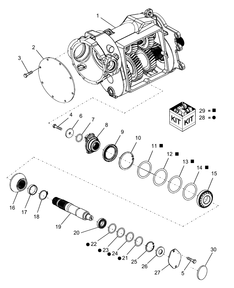
1

87280565

HOUSING

Housing, With Bolt On Input Shaft Cover, Years: -06-DEC-03

1шт.

1

87282569

HOUSING

, Start Year: 06-DEC-03

1шт.

2

87280569

COVER

Rear

1шт.

3

628-10020

BOLT,Hex, M10 x 1.5 x 20mm, Cl 10.9, Full Thd

8шт.

4

628-12030

BOLT,Hex, M12 x 1.75 x 30mm, Cl 10.9, Full Thd

1шт.

5

614-10016

BOLT,Hex, M10 x 1.5 x 16mm, Cl 8.8, Full Thd

2шт.

6

86975743

WASHER,13.22mm ID x 57.5mm OD x 7.1mm Thk

Shaker Drive

1шт.

7

104258

O-RING,0.21" Thk x 1.6" ID, -326, Cl 5, 75 Duro

1шт.

8

87280573

YOKE

Input Shaft

1шт.

9

87280576

OIL SEAL,75mm ID x 110mm OD x 13mm Thk

75 x 110 x 13

1шт.

9

84192176

OIL SEAL,75mm ID x 110mm OD x 12mm Thk

75 x 110 x 12, replaces 87280576

1шт.

10

800-21110

SNAP RING,M110, Int

1шт.

11

87033537

SHIM,90mm ID x 110mm OD x 0.5mm Thk

0.5

1шт.

12

87033536

SHIM,90mm ID x 110mm OD x 0.3mm Thk

0.3

1шт.

13

87033535

SHIM,90mm ID x 110mm OD x 0.15mm Thk

0.15

1шт.

14

87033534

SHIM,90mm ID x 110mm OD x 0.1mm Thk

0.10

1шт.

15

87280574

BEARING ASSY,50mm ID x 110mm OD x 29.25mm W

1шт.

16

87280570

GEAR SET

Bevel

1шт.

17

87280577

SPACER,54.7mm ID x 62.2mm OD x 14.9mm L

1шт.

18

800-5155

SNAP RING,M55 x 3mm Thk, External

2шт.

19

87280578

SHAFT W/WORM SCREW

Input - With Bolt On Input Shaft Cover, Years: -06-DEC-03

1шт.

19

87282570

SHAFT

Input- For Gearbox 87282405, Start Year: 06-DEC-03

1шт.

19

87684709

SHAFT

Input- For Gearbox 87696391, Start Year: 01-SEP-07

1шт.

20

87280575

BEARING ASSY,30mm ID x 62mm OD x 17.25mm W

1шт.

21

87025487

SHIM,50mm ID x 62mm OD x 0.1mm Thk

1шт.

22

87033533

SHIM,50mm ID x 62mm OD x 0.15mm Thk

0.15

1шт.

23

87025488

SHIM,50mm ID x 62mm OD x 0.3mm Thk

1шт.

24

87025489

SHIM,50mm ID x 62mm OD x 0.5mm Thk

1шт.

25

87040216

SNAP RING,M62 x 3mm, Internal

1шт.

26

87281001

OIL SEAL,30mm ID x 62mm OD x 7mm Thk

Oil Seal

1шт.

27

87280986

COVER

Cover, RH, Input Shaft

1шт.

28

87281004

SHIM KIT

1шт.

29

87281005

SHIM KIT

1шт.

30

87280587

PLUG

Cover, For Gearbox 87282405 and 87696391, Start Year: 06-DEC-03

1шт.

Выбрано товаров: 34