Запчасти Case IH AFX8010 (A.30.A.80) - MAIN CAB ELECTRICITY A - Distribution Systems

Схема запчастей Case IH AFX8010 - (A.30.A.80) - MAIN CAB ELECTRICITY A - Distribution Systems
15
d.20.c.40
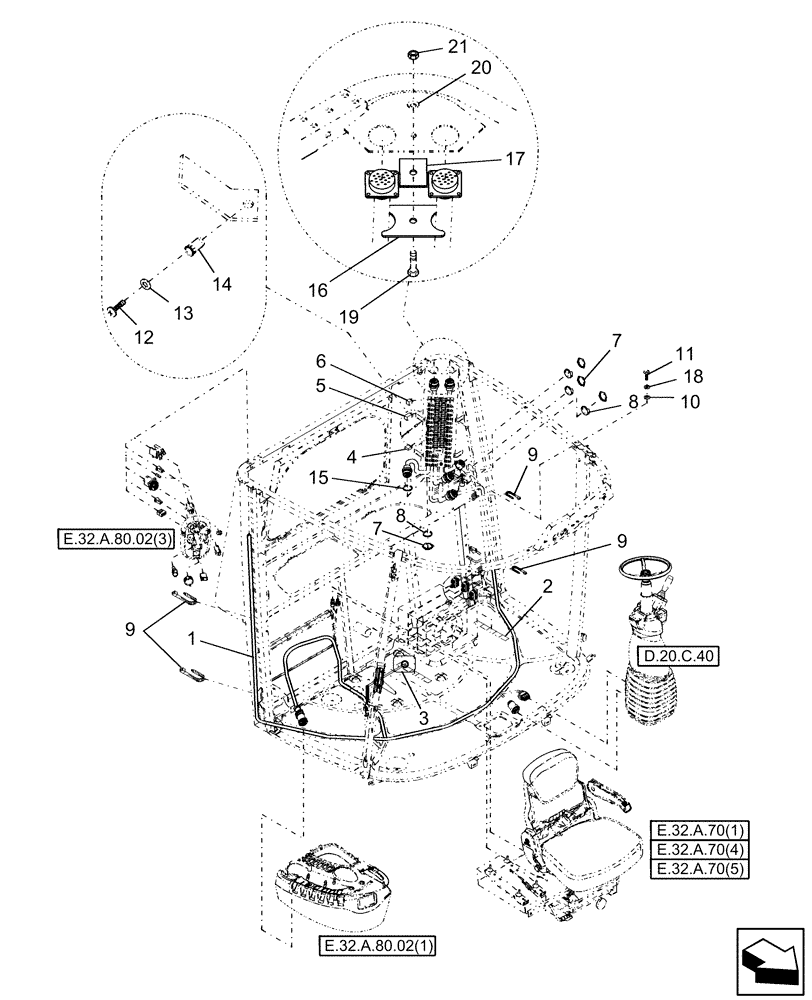
1
8
16
12
4
18
5
20
13
17
21
6
7
10
14
9
9
7
9
8
11
19
3
e.32.a.80.02(3)
e.32.a.70(5)
e.32.a.70(4)
e.32.a.70(1)
e.32.a.80.02(1)
2
FIT
1:1
100%

Артикул

Название

Примечание

Количество

1

87019319

WIRE HARNESS

Main Cab, Years: -29-AUG-03

1шт.

1

87032330

WIRE HARNESS

Main Cab, Start Year: 29-AUG-03

1шт.

1

87045780

WIRE HARNESS

Main Cab (Start Relay in Cab ), Start Year: 03-SEP-04

1шт.

1

87379206

WIRE HARNESS

Main, Cab - With Fuel Pump Shut-Off

1шт.

2

86611340

DECAL

LH

1шт.

3

86611339

DECAL

RH

1шт.

4

86509590

RELAY

20 Amp

33шт.

5

86633776

TIMER

1шт.

6

86529089

RELAY

SPDT

1шт.

7

86619907

NUT,1.6875"-18

4шт.

8

636665

LOCK WASHER,43.18mm ID x 52.68mm OD x 1.57mm Thk

4шт.

9

323597

CABLE TIE,165mm OAL x 9mm Thk

CABLE STRAP

4шт.

10

140016

WASHER,M8 x 16mm OD x 1.6mm Thk

1шт.

11

120104

BOLT,Hex, M8 x 1.25 x 20mm, Cl 8.8

1шт.

12

86511042

SCREW,Pan Head, M4 x 0.7 x 16mm, Cl 4.8

Use with Ref. 14

4шт.

12

87324967

SCREW,Cross Pan Hd, M4 x 16mm

Self-Tapping - Use without Ref. 14

4шт.

13

9824840

WASHER,4.3mm ID x 9mm OD x 0.8mm Thk

4шт.

14

84438912

THREADED INSERT,M4 x 0.7

4шт.

15

87010222

GASKET

4шт.

16

87010225

PLATE

1шт.

17

87013665

PLATE

1шт.

18

322358

BELLEVILLE WASHER,M8 Bolt Size x 18mm OD x 1.4mm Thk

1шт.

19

120100

BOLT,M6 x 20mm, Cl 8.8

1шт.

20

322357

BELLEVILLE WASHER,M6 Bolt Size x 14mm OD x 1.3mm Thk

1шт.

21

9706755

NUT,M6, Cl 8

1шт.

22

178149A1

SOLENOID SWITCH

Start Relay, Includes Ref. 23 - 28, Start Year: 03-SEP-04

1шт.

23

178148A1

COVER

1шт.

24

183038A1

SOLENOID

1шт.

25

225-14210

NUT,#10-32

1шт.

26

231-5145

SERRATED NUT,Flg, USR, 5/16"-18

3шт.

27

492-11010

LOCK WASHER,#10

1шт.

28

L18337

CABLE TIE,9.95"-12.1" lg

CABLE STRAP

2шт.

Выбрано товаров: 32