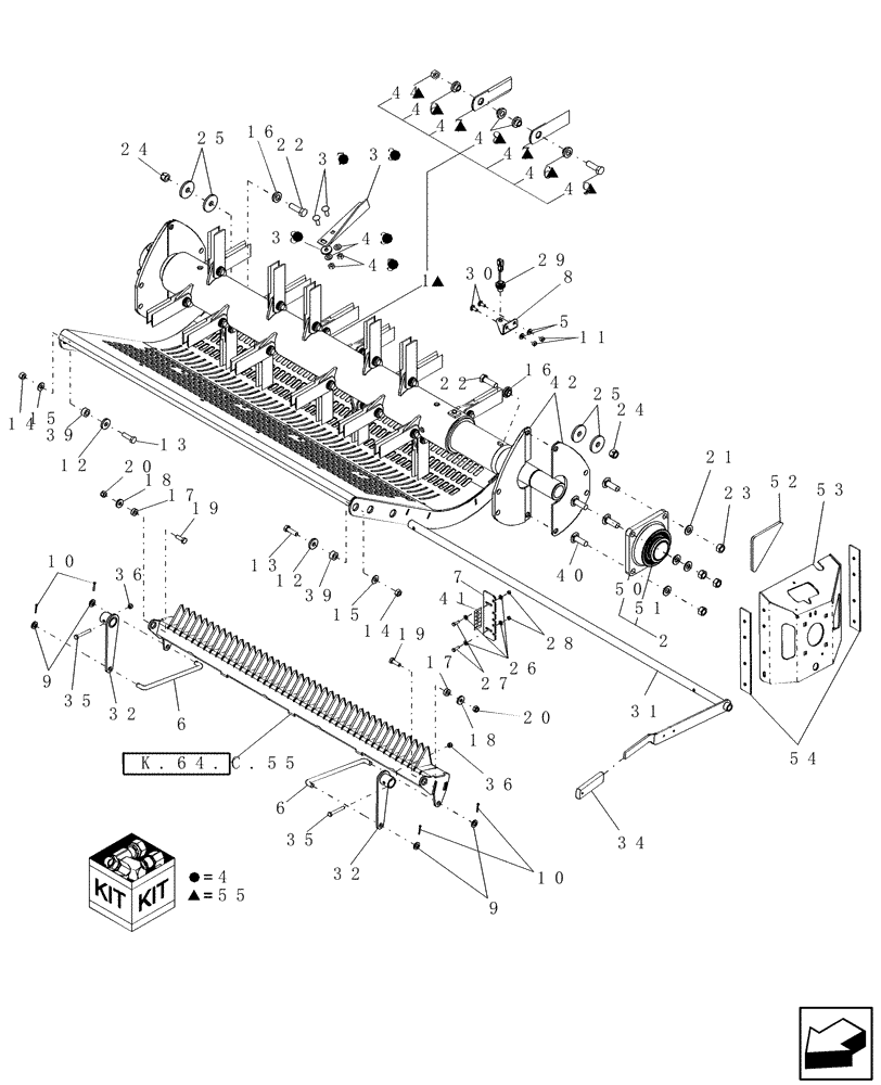
Запчасти Case IH AFX8010 (K.64.C[2]) - STRAW CHOPPER, FLAIL K - Crop Processing

Схема запчастей Case IH AFX8010 - (K.64.C[2]) - STRAW CHOPPER, FLAIL K - Crop Processing
20
6
9
5
2
47
17
32
14
36
47
12
19
18
24
30
48
38
46
13
37
35
16
55
15
11
46
6
22
42
35
20
10
7
10
26
17
12
14
33
32
49
k.64.c.55
25
43
22
18
19
54
1
15
23
29
25
39
50
21
31
39
52
27
53
16
13
8
45
4
40
34
28
36
44
24
41
51
9
FIT
1:1
100%

Артикул

Название

Примечание

Количество

1

87316357

ROTOR

Flail, W/Blades

1шт.

2

87109088

BEARING ASSY

1шт.

Please See Figure Note

1шт.

3

87282893

PAN

1шт.

4

87317345

KIT

Vane, Discharge Pan

1шт.

5

322358

BELLEVILLE WASHER,M8 Bolt Size x 18mm OD x 1.4mm Thk

2шт.

6

87282824

LINK

2шт.

7

87109324

PLATE

1шт.

8

87107532

BRACKET

1шт.

9

140018

WASHER,13.5mm ID x 24mm OD x 2.5mm Thk

4шт.

10

130004

COTTER PIN,2.9mm OD x 31.4mm OAL

4шт.

11

9706690

NUT,M8 x 1.25, Cl 8

2шт.

12

86592701

WASHER,13mm ID x 35mm OD x 5mm Thk

2шт.

13

337563

BOLT,M12 x 1.75 x 47.68mm, Cl 10.9

2шт.

14

9706685

NUT,M12 x 1.75, Cl 8

2шт.

15

140046

BELLEVILLE WASHER,M12 Bolt Size x 27mm OD x 1.8mm Thk

2шт.

16

87000251

BUSHING,17mm ID x 34mm OD x 12mm L

2шт.

17

86997386

BUSHING,11.15mm ID x 22.23mm OD x 8mm L

2шт.

18

86592700

WASHER,10.5mm ID x 28mm OD x 4mm Thk

2шт.

19

43140

BOLT,Hex, M10 x 1.5 x 30mm, Cl 8.8

2шт.

20

100037

LOCK NUT,M10 x 1.5, Cl 8

2шт.

21

140048

BELLEVILLE WASHER,M16 Bolt Size x 32mm OD x 2.8mm Thk

4шт.

22

412398

BOLT,Hex, M16 x 2 x 50mm, Cl 10.9, Full Thd

2шт.

23

392530

NUT,M16, Cl 10

4шт.

24

86512555

NUT,M16 x 2, Cl 10

2шт.

25

84007183

WASHER,16.5mm ID x 58mm OD x 6mm Thk

Hardened

4шт.

26

322357

BELLEVILLE WASHER,M6 Bolt Size x 14mm OD x 1.3mm Thk

4шт.

27

120100

BOLT,M6 x 20mm, Cl 8.8

2шт.

28

9706755

NUT,M6, Cl 8

2шт.

29

84058861

SENSOR

Chopper Speed

1шт.

30

86507486

CARRIAGE BOLT,M8 x 1.25 x 20mm, Cl 8.8

2шт.

31

87281621

HANDLE

1шт.

32

87108765

ARM

2шт.

33

87510546

ANGLE

Discharge Vane

1шт.

34

357545

HANDLE GRIP

1шт.

35

120061

BOLT,Hex, M8 x 60mm L, Cl 8.8

2шт.

36

86629542

NUT,M8 x 1.25, Cl 8.8

2шт.

37

86512446

CARRIAGE BOLT,M10 x 1.5 x 30mm, Cl 8.8

2шт.

38

140042

WASHER,11mm ID x 34mm OD x 3mm Thk

1шт.

39

699963

SPACER

2шт.

40

9845488

BOLT

Carriage, Short Neck, CL 10.9, M16 x 2 x50

4шт.

41

87280049

DECAL

Chopper Knives

1шт.

42

87282748

SEAL

2шт.

43

140045

BELLEVILLE WASHER,M10 Bolt Size x 22mm OD x 1.6mm Thk

2шт.

44

87030549

NUT,M10 x 1.5, Cl 10

22шт.

45

100016

NUT,M10 x 1.5, Cl 8

2шт.

46

1994758C2

BUSHING,10.5mm ID x 30mm OD x 15mm L

44шт.

47

NSS

NOT SOLD SEPARAT

Blade

44шт.

48

1322242C1

SPACER

44шт.

49

84437627

BOLT,M10 x 55mm, Cl 10.9

22шт.

50

NSS

NOT SOLD SEPARAT

Flange Housing

1шт.

51

NSS

NOT SOLD SEPARAT

Bearing

1шт.

52

87323948

PLATE

1шт.

53

87316122

BRACKET

LH

1шт.

54

87318855

PLATE

2ARшт.

55

87623449

PACKAGE,SERVICE

Includes: Ref.s 44(4), 46(8), 47(8), 48(8), & 49(4)

1шт.

Выбрано товаров: 56