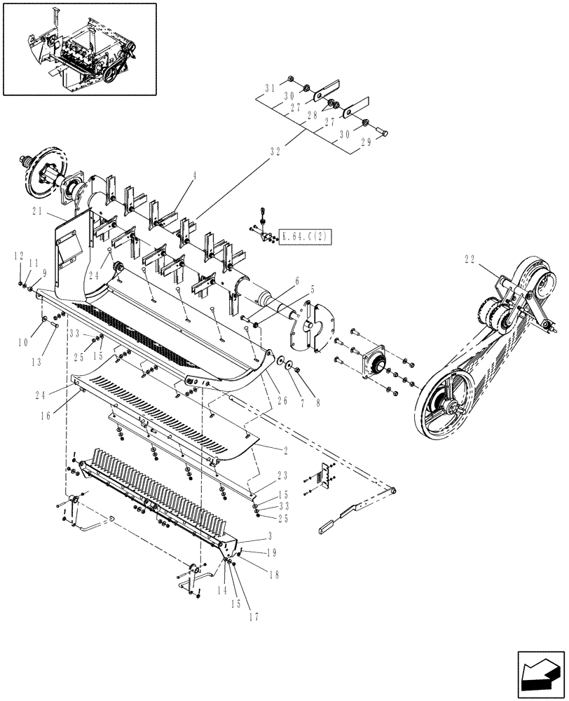
Запчасти Case IH AFX8010 (K.64.C.60) - KIT, EUROPEAN FLAIL CHOPPER, CAMPAIGN K - Crop Processing

Схема запчастей Case IH AFX8010 - (K.64.C.60) - KIT, EUROPEAN FLAIL CHOPPER, CAMPAIGN K - Crop Processing
25
12
16
22
3
27
30
11
4
32
5
13
30
6
15
25
21
24
2
8
33
24
28
19
23
26
29
14
31
18
7
k.64.c(2)
15
17
15
27
9
33
10
FIT
1:1
100%

Артикул

Название

Примечание

Количество

1

87610993

DIA KIT, HARVESTER

Flail Chopper, Campaign; Includes: Ref.s 2 Thru 26

1шт.

2

87645540

SPLASH SHIELD

1шт.

3

87697856

BAR ASSY.

For Component Breakdown, Refer To Fig. K.64.C.56

1шт.

4

87610906

SERVICE KIT

Blade Set; Includes: Ref. 27(44), 28(44), 29(22), 30(44), & 31(22)

1шт.

5

87000251

BUSHING,17mm ID x 34mm OD x 12mm L

2шт.

6

412398

BOLT,Hex, M16 x 2 x 50mm, Cl 10.9, Full Thd

2шт.

7

84007183

WASHER,16.5mm ID x 58mm OD x 6mm Thk

4шт.

8

86512555

NUT,M16 x 2, Cl 10

2шт.

9

699963

SPACER

2шт.

10

86592701

WASHER,13mm ID x 35mm OD x 5mm Thk

2шт.

11

140046

BELLEVILLE WASHER,M12 Bolt Size x 27mm OD x 1.8mm Thk

2шт.

12

9706685

NUT,M12 x 1.75, Cl 8

2шт.

13

337563

BOLT,M12 x 1.75 x 47.68mm, Cl 10.9

2шт.

14

86997386

BUSHING,11.15mm ID x 22.23mm OD x 8mm L

4шт.

15

86592700

WASHER,10.5mm ID x 28mm OD x 4mm Thk

14шт.

16

43140

BOLT,Hex, M10 x 1.5 x 30mm, Cl 8.8

4шт.

17

100037

LOCK NUT,M10 x 1.5, Cl 8

4шт.

18

140018

WASHER,13.5mm ID x 24mm OD x 2.5mm Thk

2шт.

19

130004

COTTER PIN,2.9mm OD x 31.4mm OAL

2шт.

20

87563854

PAN ASSY.

1шт.

21

87530183

KIT

For Component Breakdown, Refer To Fig. K.64.C.57

1шт.

22

87619876

TENSIONER

For Component Breakdown, Refer To Fig. K.64.C.49[2]

1шт.

23

87653676

Slat

1шт.

24

86512446

CARRIAGE BOLT,M10 x 1.5 x 30mm, Cl 8.8

10шт.

25

100016

NUT,M10 x 1.5, Cl 8

10шт.

26

87563854

PAN ASSY.

1шт.

27

87593795

KNIFE BLADE

Blade, Serrated

44шт.

28

1322242C1

SPACER

44шт.

29

84437627

BOLT,M10 x 55mm, Cl 10.9

22шт.

30

1994758C2

BUSHING,10.5mm ID x 30mm OD x 15mm L

44шт.

31

87030549

NUT,M10 x 1.5, Cl 10

22шт.

32

87623435

PACKAGE,SERVICE

Includes: Ref.s 27(8), 29(4), 30(8), & 31(4)

1шт.

33

140045

BELLEVILLE WASHER,M10 Bolt Size x 22mm OD x 1.6mm Thk

10шт.

Выбрано товаров: 33