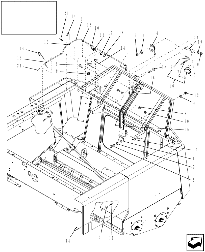
Запчасти Case IH AFX8010 (A.30.A.88[05]) - GRAIN TANK ELECTRICITY A - Distribution Systems

Схема запчастей Case IH AFX8010 - (A.30.A.88[05]) - GRAIN TANK ELECTRICITY A - Distribution Systems
19
14
22
16
20
18
17
9
12
7
24
13
14
14
25
2
14
21
1
5
12
16
8
16
4
21
7
7
14
6
13
10
27
11
8
4
3
15
26
FIT
1:1
100%

Артикул

Название

Примечание

Количество

1

86900854

WIRE HARNESS

Includes Ref. 23

1шт.

1

87281626

WIRE HARNESS

With Grain Tank Covers

1шт.

2

120103

BOLT,M8 x 1.25 x 16mm, Cl 8.8

1шт.

3

87017441

COVER

1шт.

4

86626239

SENDER UNIT

Sensor, Full Tank

2шт.

5

87329757

LAMP,Halogen, 12V, 16W, Clear

Includes Ref. 25

1шт.

6

120104

BOLT,Hex, M8 x 1.25 x 20mm, Cl 8.8

2шт.

7

140016

WASHER,M8 x 16mm OD x 1.6mm Thk

1шт.

8

322358

BELLEVILLE WASHER,M8 Bolt Size x 18mm OD x 1.4mm Thk

4шт.

9

385681

NUT,M4 x 0.7, Cl 8

1шт.

10

9706748

CLAMP,15.9mm, Coat, 8.7mm Bolt Hole, P Type

3шт.

11

325911

RIVET,Pop, 4.75mm OD x 7.4mm L

2шт.

12

832-46408

NUT,M8 x 1.25, Cl 8

1шт.

13

86590413

BASE,15.87mm W x 22.22mm OAL x 9.9mm Thk

Base, Wire Tie

1шт.

14

86566989

CABLE TIE,208mm L

CABLE STRAP

7шт.

14

86566990

CABLE TIE,292mm OAL x 4.8mm W

CABLE STRAP

1шт.

15

308761

CARRIAGE BOLT,M8 x 1.25 x 25mm, Cl 8.8

2шт.

15

412255

BOLT,Hex, M4 x 20mm, Cl 8.8

4шт.

16

86010402

CLAMP,12.7mm, Coat, 10.3mm Bolt Hole, P Type

1шт.

17

9861349

LOCK WASHER,38.4mm ID x 47.9mm OD x 1.6mm Thk

1шт.

18

9861348

NUT,1-1/2"-18

1шт.

19

9824840

WASHER,4.3mm ID x 9mm OD x 0.8mm Thk

1шт.

20

9706690

NUT,M8 x 1.25, Cl 8

2шт.

21

445394

RIVET,Pop, 3/16" x 1/2" OAL

1шт.

22

84058863

SENSOR

Grain Tank Covers Position

1шт.

23

625670

GROMMET

Not Shown

1шт.

24

87350863

BRACKET

1шт.

25

87329813

BULB,Halogen, 12.8V, 16W

1шт.

26

87331113

LAMP

Kit, Lamp and Jumper Harness, 200 mm long

1шт.

27

NS

NOT SERVICED

Jumper Harness, 200 mm long

1шт.

Выбрано товаров: 30