Запчасти Case IH 1670 (4-62) - WINDSHIELD WIPER MOTOR (06) - ELECTRICAL

Схема запчастей Case IH 1670 - (4-62) - WINDSHIELD WIPER MOTOR (06) - ELECTRICAL
14
3
4
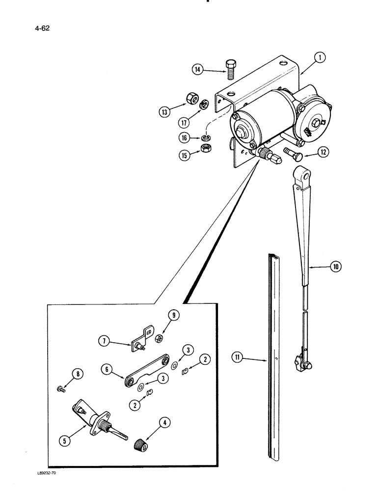
1
10
9
12
7
6
16
3
5
15
13
17
2
11
8
2
FIT
1:1
100%

Артикул

Название

Примечание

Количество

1

1276130C92

WIPER MOTOR

MOTOR ASSEMBLY - wiper, with mounting bracket, Includes: Ref. 2 - 9 and motor

1шт.

F96765

WIPER MOTOR

MOTOR - wiper, without bracket

1шт.

2

739487C1

CLIP

- spring

2шт.

3

148074R1

WASHER

2шт.

4

1267556C1

BUTTON

NUT - knurled drive

1шт.

5

196796C1

SHAFT ASSY.

SHAFT AND PIVOT ASSEMBLY - wiper motor

1шт.

6

260514C91

LINK

ASSEMBLY - connecting

1шт.

7

A36091

ARM

ASSEMBLY - drive

1шт.

8

118129C1

SCREW

- retaining, with washer

2шт.

9

27122R1

LOCK NUT,1/4"-28, GC

NUT - retaining

1шт.

10

1321282C1

ARM

- wiper, 18 inch

1шт.

11

1327520C1

WIPER BLADE

BLADE - wiper, 22 inch

1шт.

12

111-111

CARRIAGE BOLT,Short NK, 1/4"-20 x 1", G2

BOLT, CARRIAGE, Short NK, 1/4"-20 x 1", G2

1шт.

13

425-104

NUT,1/4"-20, Cl 5

- hex, 1/4 inch NC

1шт.

14

113-207

BOLT,Hex, 3/8" - 16 x 1", Gr 5

2шт.

15

129-103

NUT,Hex, 3/8" - 16, Gr 5

NUT, 3/8"-16, G5

2шт.

16

492-11038

LOCK WASHER,3/8"

2шт.

17

192-19

LOCK WASHER,Helical Spring, 0.256" ID, CST, ZND

WASHER, LOCK, 1/4"

2шт.

Выбрано товаров: 18