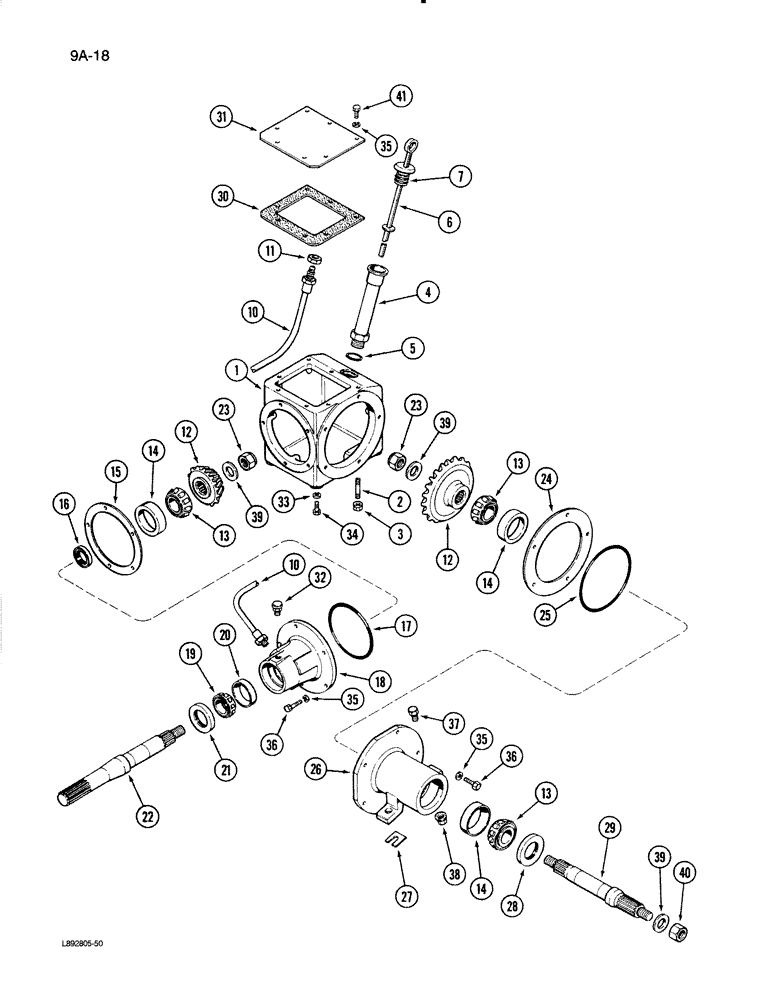
Запчасти Case IH 1670 (9A-18) - FEEDER DRIVER FORWARD GEAR HOUSING (13) - FEEDER

Схема запчастей Case IH 1670 - (9A-18) - FEEDER DRIVER FORWARD GEAR HOUSING (13) - FEEDER
39
15
5
30
27
14
39
29
23
12
31
28
16
37
40
35
23
11
13
3
10
14
14
19
22
2
32
41
17
35
4
13
18
39
36
36
21
7
33
10
1
13
34
23
20
6
25
35
24
38
12
FIT
1:1
100%

Артикул

Название

Примечание

Количество

1

191388C1

CASE

HOUSING - gear

1шт.

2

188126

PIPE,Nipple, 3/8" NPT x 2"

- drain

1шт.

3

144164

O-RING

- drain pipe

1шт.

4

195429C1

TUBE

- oil gauge

1шт.

5

237-6016

O-RING,0.116" Thk x 1.171" ID, -916, Cl 6, 90 Duro

- 1 inch OD tube

1шт.

6

195319C91

GAUGE ASSY.

GAUGE ASSEMBLY - oil, Includes: Ref. 7

1шт.

7

350684R1

O-RING,0.139" Thk x 0.734" ID, -210, Cl 5, 75 Duro

- 3/4 x 1 inch

2шт.

10

188589C91

HOSE

- bank lube, 22 inch

1шт.

11

F53473

LOCK NUT,1/8-27 NPSM

- hex special, 1/8-27 NPSM

1шт.

12

191285C1

GEAR-SET

GEAR SET - gear, drive (18 and 31 tooth)

1шт.

13

197609R91

BEARING ASSY,1.375" ID x 3" OD x 1.125"

CONE - bearing, inner 1-3/8 inch ID

3шт.

14

197608R1

BEARING ASSY,1.375" ID x 3" OD x 1.1562"

BEARING CUP, Inner 3" OD

3шт.

195484C2

SHIM KIT

KIT - rear housing shim, Includes: Ref. 15

1шт.

15

NSS

NOT SOLD SEPARAT

SHIM - housing, 0.005 inch

4шт.

15

NSS

NOT SOLD SEPARAT

SHIM - housing, 0.007 inch

4шт.

15

NSS

NOT SOLD SEPARAT

SHIM - housing, 0.020 inch

2шт.

16

938294R91

OIL SEAL,32.89mm ID x 54.08mm OD x 8mm Thk

- oil, input shaft inner

1шт.

17

G10347

O-RING,0.139" Thk x 4.984" ID, -250, Cl 5, 75 Duro

- rear bell housing, 5 x 5-1/4 x 9/64 inch

1шт.

18

191245C2

HUB

HOUSING - rear bell

1шт.

19

G57452

ROLLER BEARING

CONE - bearing, outer 1-3/8 inch ID

1шт.

20

G57451

BEARING, CUP

CUP - bearing, outer 2-1/2 inch OD

1шт.

21

192527C1

OIL SEAL,44.45mm ID x 69.95mm OD x 7.92mm Thk

- oil, input shaft outer

1шт.

22

191396C1

SHAFT

- input

1шт.

23

195428C1

LOCK NUT

- input and output shaft

2шт.

195485C1

SHIM KIT

KIT - right housing shim, Includes: Ref. 24

1шт.

24

NSS

NOT SOLD SEPARAT

SHIM - housing, 0.005 inch

2шт.

24

NSS

NOT SOLD SEPARAT

SHIM - housing, 0.007 inch

2шт.

24

NSS

NOT SOLD SEPARAT

SHIM - housing, 0.020 inch

2шт.

25

A28183

O-RING,0.139" Thk x 6.234" ID, -259, Cl 5, 75 Duro

- 6 x 6-1/2 x 9/64 inch

1шт.

26

191248C1

HUB

HOUSING - right bell

1шт.

27

935915R1

SHIM,33.02mm OD x 0.38mm Thk

- right bell housing

8шт.

28

192528C1

OIL SEAL,42.85mm ID x 76.33mm OD x 8mm Thk

- oil, output shaft

1шт.

29

191384C1

SHAFT

- output

1шт.

30

191397C1

GASKET

- cover

1шт.

31

191249C1

COVER

- gear housing

1шт.

32

61991R91

BREATHER,1/8"-27 NPT, Short, w/washer

1шт.

33

80679

LOCK WASHER,1/20.507 CST ZND

WASHER, LOCK, 1/2"

4шт.

34

113-424

BOLT,Hex, 1/2" - 13 x 1", Gr 5, Full Thd

4шт.

35

492-11038

LOCK WASHER,3/8"

16шт.

36

113-208

BOLT,Hex, 3/8" - 16 x 1-1/4", Gr 5

9шт.

37

113-410

BOLT,Hex, 1/2" - 13 x 1-1/2", Gr 5, Full Thd

2шт.

38

131-930

FLANGE NUT,Hex Serr, 1/2" - 13, Gr 5

- hex, flange lock, 1/2 inch NC

2шт.

39

238633R1

WASHER,23.11mm ID x 52.32mm OD x 4.55mm Thk

- input shaft

1шт.

40

9413974

LOCK NUT,7/8"-14, GB

NUT - hex, lock, 7/8 inch NF

1шт.

41

113-206

BOLT,Hex, 3/8" - 16 x 3/4", Gr 5, Full Thd

7шт.

Выбрано товаров: 45