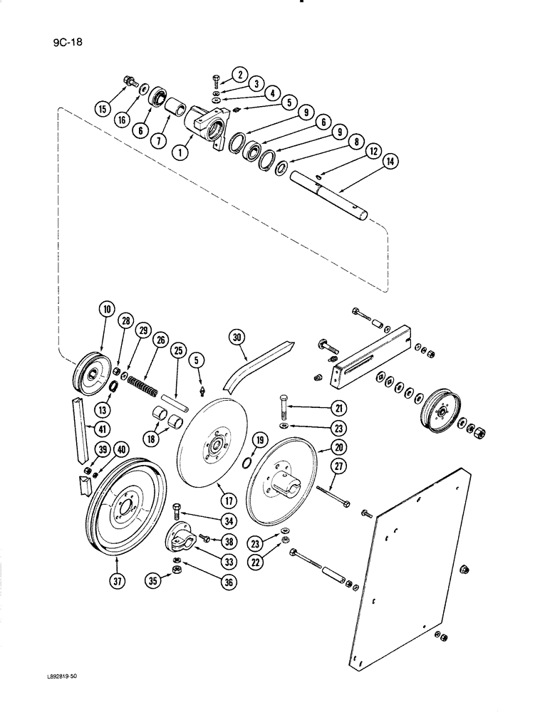
Запчасти Case IH 1670 (9C-18) - SLOW SPEED FAN DRIVE (15) - BEATER & CLEANING FANS

Схема запчастей Case IH 1670 - (9C-18) - SLOW SPEED FAN DRIVE (15) - BEATER & CLEANING FANS
36
16
40
6
8
21
23
10
27
12
6
26
3
1
34
9
38
28
20
23
5
2
15
35
22
33
9
14
7
39
5
29
37
17
13
25
19
18
30
41
FIT
1:1
100%

Артикул

Название

Примечание

Количество

1

185263C1

HUB

- slow speed jackshaft

1шт.

2

180124

BOLT,Hex, 3/8" - 16 x 1 1/4", Gr 5

- 3/8 NC x 1-1/4 inch

4шт.

3

22264R1

WASHER

- flat, 13/32 x 1 x 11/64 inch

4шт.

4

492-11038

LOCK WASHER,3/8"

4шт.

5

87414

LUBE NIPPLE,1/4" - 28

FITTING - grease, 1/4-28 inch

1шт.

6

1302725C91

BALL BEARING,31.75mm ID x 62mm OD x 18mm W

BEARING

2шт.

7

152926C1

SPACER

- 1-5/16 x 1-5/8 x 1-7/8 inch

1шт.

8

183274C2

WASHER,32.51mm ID x 47.75mm OD x 4.57mm Thk

WASHER - fan jackshaft

1шт.

9

360936R1

RING

- snap, fan hub bearing

2шт.

10

181360C1

PULLEY ASSY.

PULLEY ASSEMBLY - slow speed fan jackshaft, 5 inch

1шт.

12

124549

WOODRUFF KEY,#9, 3/16" x 3/4", HT

1шт.

13

609053R1

SNAP RING,#125, Ext

Ring, Snap, , slow speed fan jackshaft #125, Ext

1шт.

14

1309040C1

SHAFT

- slow speed fan jackshaft

1шт.

15

1302143C1

FLANGE BOLT,Lock, Hex, 1/2" - 13 x 1"

- hex flanged lock, 1 inch

1шт.

16

185129C1

WASHER,13.46mm ID x 38.1mm OD x 4.57mm Thk

WASHER - retainer, fan jackshaft bearing

1шт.

17

1324948C1

PULLEY ASSY.

PULLEY ASSEMBLY - fan drive adjustable, Includes: Ref. 18 and 19

1шт.

18

629232R1

BUSHING,31.8mm ID x 34.92mm OD x 25.4mm L

- pulley

2шт.

19

A27577

O-RING,0.139" Thk x 1.234" ID, -218, Cl 5, 75 Duro

- 1-1/4 inch OD tube

1шт.

20

1324949C1

PULLEY ASSY.

PULLEY ASSEMBLY - fan driven fixed, 11-1/4 inch OD

1шт.

21

275635R1

BOLT,Hex, 1/2" - 13 x 3", Gr 8

- hex, 1/2 NC x 3 inch, Grade 8

1шт.

22

9412230

LOCK NUT

- hex prevailing torque lock, 1/2 inch NC, Grade 8

1шт.

23

25546R1

WASHER,17/32" x 1 1/16" x .188", HDN

- flat, 17/32 x 1-1/16 x 3/16 inch

2шт.

25

185019C2

SLEEVE,8.18mm ID x 14.27mm OD x 69.85mm L

- fan drive spring

3шт.

26

1302540C1

SPRING

- fan drive outter pulley

3шт.

27

413-556

BOLT,Hex, 5/16" - 18 x 3-1/2", Gr 5

- hex, 5/16 NC x 3-1/2 inch

3шт.

28

131-1215

LOCK NUT,5/16"-18, GC

NUT, LOCK, 5/16"-18, GC

3шт.

29

20893R1

WASHER

- flat

3шт.

30

181359C1

BELT,1.25" W x 66.54" L

V-BELT , Fan jackshaft, Over center 1.25" W x 66.54" L

1шт.

33

182650C1

HUB

- fan pulley

1шт.

34

413-828

BOLT,Hex, 1/2" - 13 x 1-3/4", Gr 5

1шт.

35

425-108

NUT,1/2" - 13, Gr 5

NUT, , Hex 1/2"-13, G5

1шт.

36

80679

LOCK WASHER,1/20.507 CST ZND

WASHER, LOCK, 1/2"

1шт.

37

564569R11

PULLEY ASSY.

PULLEY ASSEMBLY - fan hub, 12-11/16 inch OD

1шт.

38

413-516

BOLT,Hex, 5/16" - 18 x 1", Gr 5

- hex, 5/16 NC x 1 inch

4шт.

39

120376

NUT,5/16"-18, G5

4шт.

40

80681

LOCK WASHER,5/16"

WASHER, LOCK, 5/16"

4шт.

41

610521R1

V-BELT

Slow speed fan jackshaft, 76 inch over center

1шт.

Выбрано товаров: 37