Запчасти Case IH 1670 (4-66) - WINDSHIELD WIPER MOTOR (06) - ELECTRICAL

Схема запчастей Case IH 1670 - (4-66) - WINDSHIELD WIPER MOTOR (06) - ELECTRICAL
2
3
15
12
14
13
10
5
16
7
1
17
4
6
11
8
9
FIT
1:1
100%

Артикул

Название

Примечание

Количество

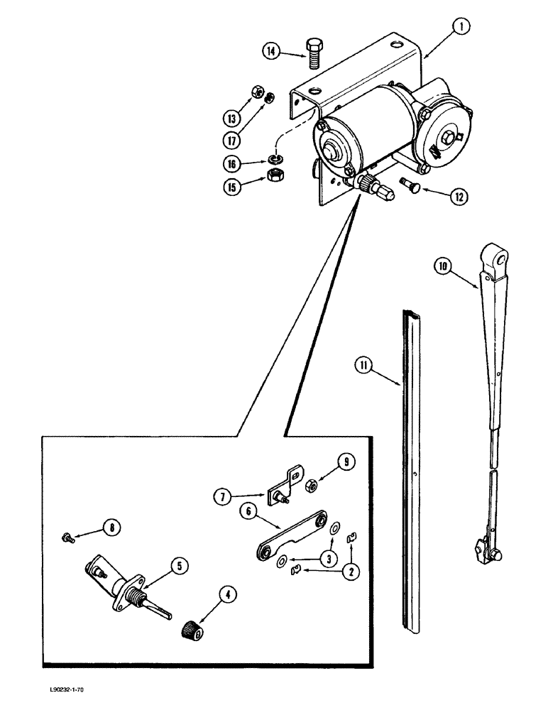
1

1276130C92

WIPER MOTOR

MOTOR ASSEMBLY - wiper, includes mounting bracket, Includes: Ref. 2 - 9A

1шт.

F96765

WIPER MOTOR

MOTOR - wiper, without bracket, no longer available, order kit 129068A1 and harness 115400A1

1шт.

2

739487C1

CLIP

- spring

2шт.

3

148074R1

WASHER

- flat, hardened, 6.0 x 14.4 x 0.4 mm

2шт.

4

1267556C1

BUTTON

NUT - knurled drive

1шт.

5

196796C1

SHAFT ASSY.

SHAFT AND PIVOT - wiper motor

1шт.

6

260514C91

LINK

- connecting

1шт.

7

A36091

ARM

- drive

1шт.

8

118129C1

SCREW

- retaining, with washer

2шт.

9

27122R1

LOCK NUT,1/4"-28, GC

NUT - retaining

1шт.

129068A1

PACKAGE,SERVICE

KIT - wiper motor (Replaces motor F96765)

1шт.

9a

115400A1

HARNESS

- adapter, wiper motor, used with kit 129068A1, shown on figure 4-14, Ref. 45

1шт.

10

1321282C1

ARM

- wiper, 18 inch (457 mm) long

1шт.

11

1327520C1

WIPER BLADE

BLADE - wiper, 22 inch (559 mm) long

1шт.

12

411-416

CARRIAGE BOLT,Sq Nk, 1/4" - 20 x 1", Gr 2

BOLT - carriage, 1/4 NC x 1 inch, grade 2

1шт.

13

425-104

NUT,1/4"-20, Cl 5

- hex, 1/4 inch NC

1шт.

14

413-616

BOLT,Hex, 3/8" - 16 x 1", Gr 5

- hex, 3/8 NC x 1 inch

2шт.

15

425-106

NUT,3/8"-16, Cl 5

2шт.

16

492-11038

LOCK WASHER,3/8"

2шт.

17

492-11025

LOCK WASHER,1/4"

WASHER, LOCK, 1/4"

2шт.

Выбрано товаров: 20