Запчасти Case IH 1670 (1-14) - PICTORIAL INDEX, BELTS, CHAINS (00) - PICTORIAL INDEX

Схема запчастей Case IH 1670 - (1-14) - PICTORIAL INDEX, BELTS, CHAINS (00) - PICTORIAL INDEX
13
11
2
26
3
12
6
27
9
4
10
7
21
8
25
22
1
24
20
23
5
FIT
1:1
100%

Артикул

Название

Примечание

Количество

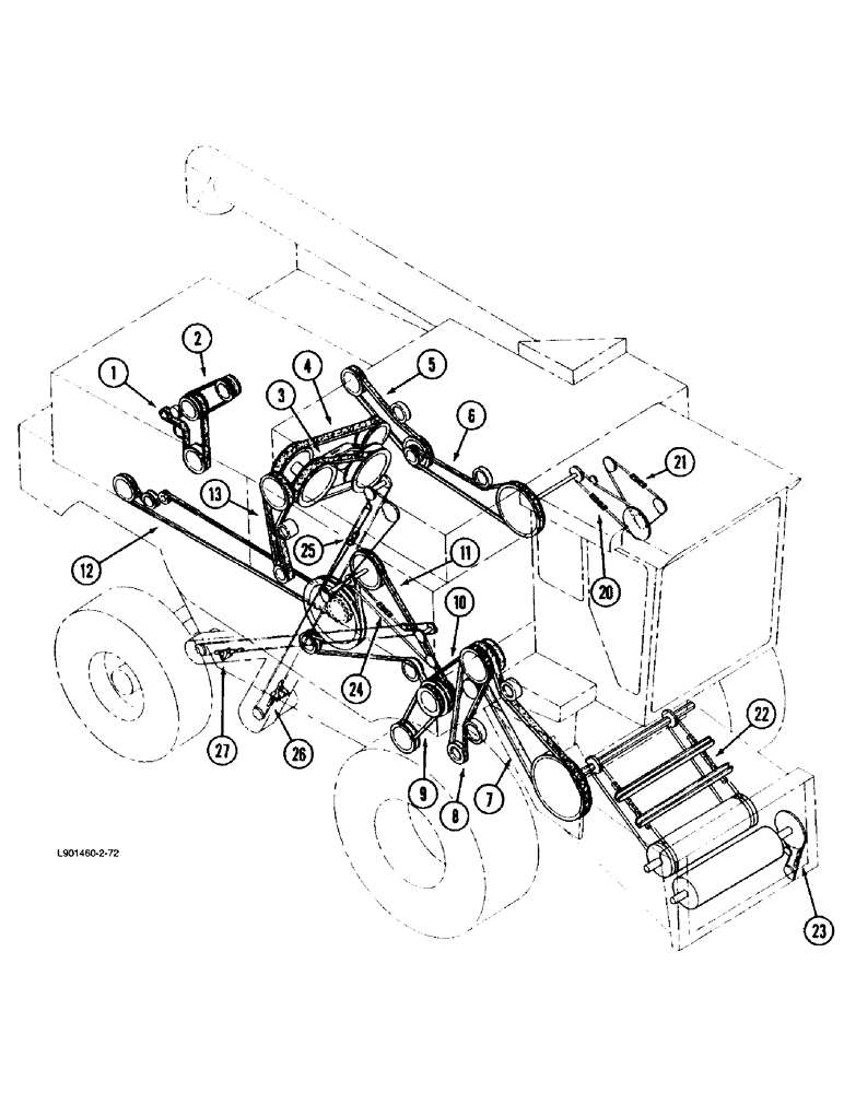
1

Engine Fan and Alternator Belt, Page 2-15

1шт.

2

Air Conditioning Compressor Belt, Page 9G-39

1шт.

3

Rotor Drive Belt, Page 9B-5

1шт.

4

Separator Drive Belt, Page 9A-15

1шт.

5

Auxiliary Pump Drive Belt, Page 8-21

1шт.

6

Grain Tank Unloader Drive Belt, Page 9E-13

1шт.

7

Feeder Drive Belt, Page 9A-23

1шт.

8

Header and Reel Drive Belt, Page 8-43

1шт.

9

Cleaning Fan Drive Belt, Page 9C-11

1шт.

10

Cleaning Fan Jackshaft Belt, Page 9A-3

1шт.

11

Elevator Drive Belt, Page 9A-5

1шт.

12

Straw Spreader Drive Belt, Page 9F-3

1шт.

13

Straw Chopper Drive Belt, Page 9F-9

1шт.

20

Grain Tank Unloader Drive Chain, Page 9E-17

1шт.

21

Rear Horizontal Auger Drive Chain, Page 9E-17

1шт.

22

Feeder Conveyor Chain, Page 9A-39

1шт.

23

Feeder Beater Drive Chain, Page 9A-37

1шт.

24

Tailings Elevator Drive Chain, Page 9D-23

1шт.

25

Clean Grain Elevator Drive Chain, Page 9D-13

1шт.

26

Clean Grain Elevator Conveyor Chain, Page 9D-7

1шт.

27

Tailings Elevator Conveyor Chain, Page 9D-21

1шт.

Выбрано товаров: 21