Запчасти Case IH 1670 (9G-38) - COMPRESSOR MOUNTING AND PULLEY (10) - CAB & AIR CONDITIONING

Схема запчастей Case IH 1670 - (9G-38) - COMPRESSOR MOUNTING AND PULLEY (10) - CAB & AIR CONDITIONING
1
17
19
21
25
24
9
2
24
4
8
26
21
3
6
13
FIT
1:1
100%

Артикул

Название

Примечание

Количество

1

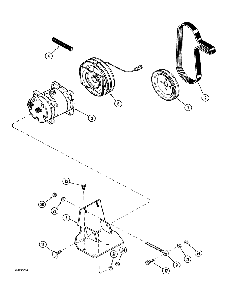
A189155

PULLEY

PULLEY - compressor drive

1шт.

2

L72739

BELT,12.50 mm W x 1092.00 mm L

Drive, Fan, Alternator and Water pump

1шт.

3

1977959C1

COMPRESSOR

COMPRESSOR ASSEMBLY - air conditioning, parts list figure 9G-40

1шт.

3

1977959C1R

REMAN-A/C COMPRESSOR

1670 CASE IH HILLSIDE COMBINE (S/N JJC0080540 & AFTER), COMPRESSOR ASSEMBLY (8/90-)

1шт.

3

1977959C1C

CORE-A/C COMPRESSOR

Return Number

1шт.

4

L72739

BELT,12.50 mm W x 1092.00 mm L

Drive, Compressor

1шт.

Used with 5-1/4 inch clutch.

1шт.

4

396829R1

V-BELT,0.50" W x 44.00" L

Drive, Compressor

1шт.

Used with 6 inch clutch.

1шт.

6

1981779C1

CLUTCH ASSEMBLY

CLUTCH - compressor, see figure 9G-40

1шт.

8

1979296C1

SUPPORT ASSY.

SUPPORT - compressor mounting

1шт.

9

1979298C1

BOLT (SPREADER),3/8" - 16 x 117mm

BOLT - eye, special

2шт.

12

814-10130

BOLT,Hex, M10 x 1.5 x 130mm, Cl 8.8

BOLT - hex, 10 - 1.5 x 130 mm

1шт.

13

614-10030

BOLT,Hex, M10 x 1.5 x 30mm, Cl 8.8, Full Thd

Bolt, , Full Thd Hex, M10 x 30, 8.8

4шт.

14

896-12010

WASHER,11mm ID x 21mm OD x 2.5mm Thk

WASHER - flat, 11 x 21 x 2.5 mm, hardened

4шт.

15

892-11010

LOCK WASHER,M10

LOCK WASHER, M10

4шт.

17

409-7624

BOLT,Hex Flg, 3/8" - 16 x 1 1/2", Spcl

BOLT, (Replaces bolt 187620C1) Hex Flg, 3/8"-16 x 1 1/2", Serr

2шт.

19

1324105C1

BOLT,Spcl, T-Hd, 3/8" - 16 x 38mm, HT

BOLT - flat raised head, special

2шт.

20

825-1410

NUT,M10, Cl 8

Nut, M10, Cl 8

5шт.

21

495-81129

WASHER,13/32" x 3/4" x .120"

WASHER - flat, 13/32 x 3/4 x 7/64 inch

4шт.

24

1319840C1

FLANGE NUT,Flg, 3/8"-16, G8

NUT - hex flange, special, 3/8 inch NC

8шт.

Выбрано товаров: 21