Запчасти Case IH 1670 (1-18) - PICTORIAL INDEX, PROPULSION SYSTEM (00) - PICTORIAL INDEX

Схема запчастей Case IH 1670 - (1-18) - PICTORIAL INDEX, PROPULSION SYSTEM (00) - PICTORIAL INDEX
5
22
8
7
13
27
17
23
12
4
3
24
18
9
6
14
2
11
15
1
21
16
19
25
20
26
12
10
FIT
1:1
100%

Артикул

Название

Примечание

Количество

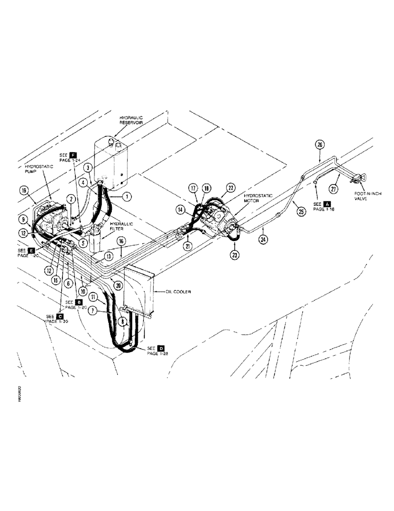
1

Reservoir Suction Filter Hose, Page 8-7

1шт.

2

Filter to Pump Hose, Page 8-7

1шт.

3

Reservoir Drain Hose, Page 8-5

1шт.

4

Oil Cooler to Reservoir Return Hose, Page 8-9

1шт.

5

Oil Cooler Return Tube, Page 8-9

1шт.

6

Oil Cooler Return Tube, Page 8-9

1шт.

7

Leveling Suction Hose, Page 8-9

1шт.

8

Oil Cooler to Leveling Suction Hose, Page 8-9

1шт.

9

Pump to Oil Cooler Hose, Page 8-9

1шт.

10

Oil Cooler Supply Tube, Page 8-9

1шт.

11

Oil Cooler Supply Hose, Page 8-9

1шт.

12

Upper Drain Hose, Page 6-7

1шт.

13

Drain Tube, Page 6-7

1шт.

14

Lower Drain Hose, Page 6-7

1шт.

15

Upper Forward Pressure Hose, Page 6-7

1шт.

16

Forward Pressure Tube, Page 6-7

1шт.

17

Lower Forward Pressure Hose, Page 6-7

1шт.

18

Hydrostatic Motor Valve to Block Hose, Page 6-31

1шт.

19

Reverse Pressure Tube, Page 6-7

1шт.

20

Reverse Pressure Tube, Page 6-7

1шт.

21

Lower Reverse Pressure Hose, Page 6-7

1шт.

22

Foot-N-Inch Hose, Page 6-11

1шт.

23

Foot-N-Inch Hose, Page 6-11

1шт.

24

Lower Foot-N-Inch Tube, Page 6-11

1шт.

25

Center Foot-N-Inch Tube, Page 6-11

1шт.

26

Upper Foot-N-Inch Tube, Page 6-11

1шт.

27

Foot-N-Inch Valve Return Tube, Page 6-11

1шт.

Выбрано товаров: 27