Запчасти Case IH 1670 (9A-04) - BELT DRIVE, RIGHT HAND SIDE (13) - FEEDER

Схема запчастей Case IH 1670 - (9A-04) - BELT DRIVE, RIGHT HAND SIDE (13) - FEEDER
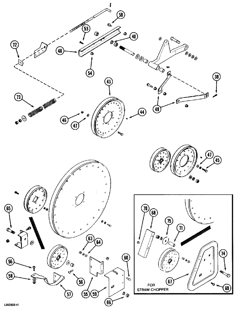
69
45
56
59
39
43
50
47
57
70
68
44
48
55
56
75
65
73
46
66
64
74
40
67
60
58
54
47
71
72
49
63
53
FIT
1:1
100%

Артикул

Название

Примечание

Количество

1

193447C91

ARM

LEVER ASSEMBLY - elevator jackshaft idler, Includes: Ref. 2

1шт.

2

556448R1

BUSHING,19.07mm ID x 22.23mm OD x 25.4mm L

- lever

2шт.

3

495-11081

WASHER,3/4", SAE

1шт.

4

191531C2

ROD

- idler lever

1шт.

5

425-108

NUT,1/2" - 13, Gr 5

NUT, , Hex 1/2"-13, G5

2шт.

6

432-1220

COTTER PIN,3/16" x 1 1/4"

3/16" x 1 1/4"

1шт.

7

495-11053

WASHER,1/2", SAE

(17/32" x 1-1/16" x 3/32") 1/2", SAE

3шт.

8

495-81162

WASHER,17/32" x 1 1/2" x .179"

- flat, 17/32 x 1-1/2 x 11/64 inch

1шт.

9

219-87

LUBE NIPPLE,1/4" - 28 NPTF

NIPPLE, LUBE, 1/4"-28 x .56" lg, Self-Tap

1шт.

10

1315483C1

BRACKET

SUPPORT - elevator drive rod

1шт.

11

413-516

BOLT,Hex, 5/16" - 18 x 1", Gr 5

- hex, 5/16 NC x 1 inch

11шт.

13

425-105

NUT,5/16"-18, G5

- hex, 5/16 inch NC

7шт.

14

492-11031

LOCK WASHER,5/16"

WASHER, LOCK, 5/16"

15шт.

17

193948C1

PULLEY,39.61mm W x 254mm OD

ASSEMBLY- drive, 9-3/4 inch O.D., Includes: Ref. 18

1шт.

18

47-49

RIVET,FH, 1/4" x 9/16"

- flat head solid, 1/4 x 9/16 inch (Replaces rivet 116056)

16шт.

19

413-620

BOLT,Hex, 3/8" - 16 x 1-1/4", Gr 5

- hex, 3/8 NC x 1-1/4 inch

1шт.

20

492-11038

LOCK WASHER,3/8"

7шт.

23

181055C1

BELT,0.879" W x 200.99" L

V-BELT , Drive, Over center, For combine with straw chopper 0.879" W x 200.99" L

1шт.

23

186509C2

BELT,0.879" W x 255.99" L

V-BELT , Drive, Over center, For combine with discharge beater 0.879" W x 255.99" L

1шт.

24

188253C2

SUPPORT

- elevator drive fixed idler

1шт.

25

154273C1

BOLT,Hex Serr, 3/8" - 16 x 1", Spcl

- hex, self-locking, special, 3/8 NC x 1 inch

4шт.

26

231-5146

FLANGE NUT,3/8"-16

12шт.

27

673214R91

PULLEY

- 7-5/16 inch (186 mm) O.D.

2шт.

28

425-1010

NUT,5/8"-11, G5

3шт.

29

413-1048

BOLT,Hex, 5/8" - 11 x 3", Gr 5

1шт.

30

495-11066

WASHER,5/8", SAE

- flat, 21/32 x 1-5/16 x 3/32 inch

2шт.

33

492-11062

BEARING WASHER,5/8"

WASHER, LOCK, 5/8"

2шт.

34

195161C1

PULLEY

- drive, 8-3/8 inch O.D.

1шт.

35

1979876C1

PULLEY

- shaker shaft driven, 24 inch O.D.

1шт.

36

28588R1

WASHER

- flat, 11/32 x 11/16 x 3/64 inch

4шт.

37

188298C2

STUD

PIN - jackshaft pivot arm

1шт.

38

425-1012

NUT,3/4"-10, G5

2шт.

39

432-1624

COTTER PIN,1/4" x 1 1/2"

Pin, Split (Cotter), 1/4" x 1-1/2"

1шт.

40

492-11075

LOCK WASHER,3/4"

3/4"

1шт.

43

183325C1

PULLEY

ASSEMBLY- jackshaft driven, 13 inch O.D., Includes: Ref. 44

1шт.

44

104235

RIVET,FH, 3/16" x 1/2"

24шт.

45

413-640

BOLT,Hex, 3/8" - 16 x 2-1/2", Gr 5

- hex, 3/8 NC x 2-1/2 inch

3шт.

46

232-4136

LOCK NUT,3/8"-16, GC

NUT, LOCK, 3/8"-16, GC

3шт.

47

495-81129

WASHER,13/32" x 3/4" x .120"

- flat, 13/32 x 3/4 x 7/64 inch

6шт.

48

186588C2

CHANNEL

- pivot arm support

1шт.

49

182676C2

SUPPORT

- elevator pivot

2шт.

50

409-7612

BOLT,3/8"-16 x 1.09" OAL

- hex serrated flange, 3/8 NC x 3/4 inch

1шт.

53

477-73816

SERRATED SCREW,Sl Truss Hd, 3/8" x 1"

- slotted truss head, special, 3/8 NC x 1 inch

1шт.

54

329-146

JAM NUT,Jam, 3/8"-16, G5

1шт.

55

1302352C2

SUPPORT

GUIDE - upper, elevator belt

1шт.

56

179464C1

SERRATED SCREW,Sl Truss Hd, 3/8" - 16 x 1 1/4"

- slotted truss head, special, 3/8 NC x 1-1/4 inch

2шт.

57

1302068C2

GUIDE

- lower, elevator belt

1шт.

58

495-81138

WASHER,10.31mm ID x 25.4mm OD x 4.93mm Thk

- flat, 13/32 x 1 x 11/64 inch

3шт.

59

1302350C1

SHIELD

- elevator fixed idler, used without straw chopper

1шт.

60

413-612

BOLT,Hex, 3/8" - 16 x 3/4", Gr 5

4шт.

63

425-106

NUT,3/8"-16, Cl 5

4шт.

64

495-11041

WASHER,0.406" ID x 0.812" OD x 0.065" W

(Flat, 13/32 x 13/16 x 1/16") 3/8", SAE

4шт.

65

413-1036

BOLT,Hex, 5/8" - 11 x 2-1/4", Gr 5

- hex, 5/8 NC x 2-1/4 inch

1шт.

66

425-1410

JAM NUT,Jam, 5/8"-11, G5

- hex, jam, 5/8 inch NC

1шт.

67

1302353C1

GUARD

SHIELD - elevator fixed idler, used with straw chopper

1шт.

68

1302351C1

DEFLECTOR

- elevator rear shield, used with straw chopper

1шт.

69

477-73108

SERRATED SCREW,Sl Truss Hd, 5/16" - 18 x 1/2"

- slotted truss head, 5/16 NC x 1/2 inch

2шт.

70

231-5145

SERRATED NUT,Flg, USR, 5/16"-18

NUT - hex serrated flange, 5/16 inch NC

2шт.

71

564737R1

SPACER,7/8" Tube x 2 1/16"

- 21/32 x 7/8 x 2-1/16 inch, used with straw chopper

1шт.

72

194652C1

PIVOT

- rod

1шт.

73

155311C1

SPRING

- arm rod

1шт.

74

413-1048

BOLT,Hex, 5/8" - 11 x 3", Gr 5

1шт.

75

534939R1

WASHER

- flat, 21/32 x 2-1/2 x 7/64 inch

1шт.

Выбрано товаров: 63