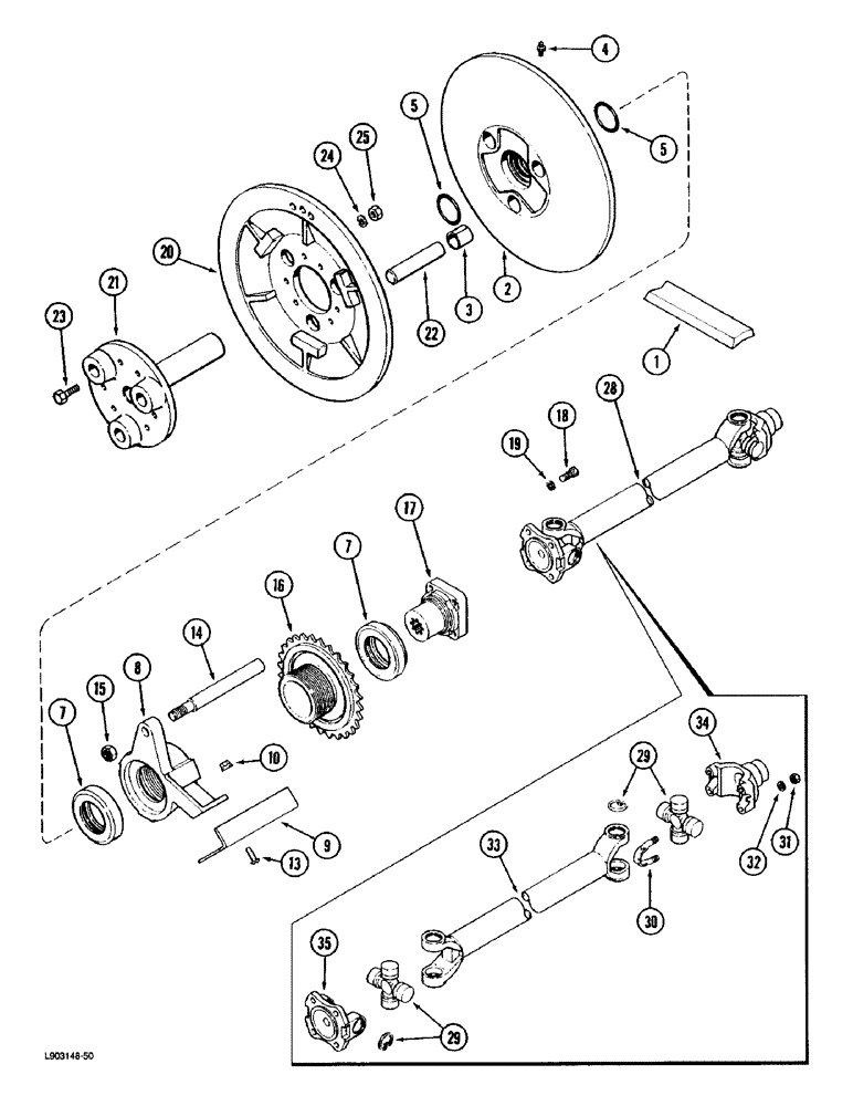
Запчасти Case IH 1670 (9A-08) - SEPARATOR JACKSHAFT DRIVE (13) - FEEDER

Схема запчастей Case IH 1670 - (9A-08) - SEPARATOR JACKSHAFT DRIVE (13) - FEEDER
2
20
3
19
33
10
1
34
25
28
21
7
17
4
30
23
29
35
7
32
5
24
9
8
18
14
31
16
29
15
13
5
22
FIT
1:1
100%

Артикул

Название

Примечание

Количество

1

193923C4

V-BELT,2134.68 mm L

Rotor variable drive 2134.68 mm L

1шт.

2

1330054C1

PULLEY

ASSEMBLY - rotor drive variable, 17-1/2 inch O.D., Includes: Ref. 3

1шт.

3

194665C1

BUSHING

- pulley

3шт.

4

219-86

LUBE NIPPLE,1/8" NPTF

FITTING - grease, straight, self-tap 1/8 PT x 5/8 inch

1шт.

5

238-5226

O-RING,0.139" Thk x 1.984" ID, -226, Cl 5, 75 Duro

2шт.

7

194654C91

BALL BEARING,2.75" ID x 4.481" OD x 0.87"

BEARING - jackshaft thrust

2шт.

8

194394C1

HUB

FITTING - variable pulley female

1шт.

9

188309C2

SUPPORT

- variable pulley limit switch

1шт.

10

231-5146

FLANGE NUT,3/8"-16

2шт.

13

477-73816

SERRATED SCREW,Sl Truss Hd, 3/8" x 1"

- slotted truss head, special, 3/8 NC x 1 inch

2шт.

14

413-12152

BOLT,Hex, 3/4" - 10 x 9-1/2", Gr 5

1шт.

15

329-1412

JAM NUT,Jam, 3/4"-10, G8

1шт.

16

194464C2

SPROCKET

- variable pulley male, 25 teeth

1шт.

17

191542C2

SPLINED COUPLING,12T

COUPLING - universal joint

1шт.

18

26-720

BOLT,Hex, 7/16" - 14 x 1-1/4", Gr 8

- hex, 7/16 NC x 1-1/4 inch, grade 8

4шт.

19

492-11044

LOCK WASHER,7/16"

WASHER, LOCK, (Replaces washer 366863C1) 7/16"

4шт.

20

188848C1

PULLEY

- rotor drive stationary, 17-1/2 inch O.D.

1шт.

21

188846C1

HUB

ASSEMBLY - rotor drive pulley, Includes: Ref. 22

1шт.

22

191544C2

PIN,28.48mm OD x 127mm L

- pulley

3шт.

23

326-828

BOLT,Hex, 1/2" - 13 x 1-3/4", Gr 8

6шт.

24

392-21050

LOCK WASHER,1/2"

1/2"

6шт.

25

429-108

NUT,1/2"-13, G8

- hex, 1/2 inch NC, grade 8

6шт.

28

191595C91

JOINT ASSY.

JOINT ASSEMBLY - universal drive, Includes: Ref. 29 - 35

1шт.

29

1300502C1

KIT

- bearing, journal

2шт.

30

1300501C1

U-BOLT,3/8" - 24 x 1.66" W x 1.40" L

- universal joint

2шт.

31

425-116

NUT,3/8" - 24, Gr 5

- hex, 3/8 inch NF

4шт.

32

492-11038

LOCK WASHER,3/8"

4шт.

33

NSS

NOT SOLD SEPARAT

SHAFT - drive

1шт.

34

NSS

NOT SOLD SEPARAT

YOKE - drive

1шт.

35

NSS

NOT SOLD SEPARAT

FLANGE - drive

1шт.

Выбрано товаров: 30