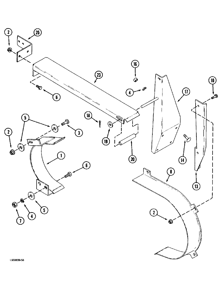
Запчасти Case IH 1670 (9A-12) - SEPARATOR DRIVE SHIELDS, FOR USE WITH DISCHARGE BEATER (13) - FEEDER

Схема запчастей Case IH 1670 - (9A-12) - SEPARATOR DRIVE SHIELDS, FOR USE WITH DISCHARGE BEATER (13) - FEEDER
7
14
10
18
25
5
4
1
8
2
23
4
5
16
20
2
17
3
13
6
2
19
6
FIT
1:1
100%

Артикул

Название

Примечание

Количество

1

1308774C1

GUARD ASSY.

SHIELD - drive pulley

1шт.

2

231-5146

FLANGE NUT,3/8"-16

7шт.

3

477-73816

SERRATED SCREW,Sl Truss Hd, 3/8" x 1"

- slotted truss head, special, 3/8 NC x 1 inch

3шт.

4

492-11038

LOCK WASHER,3/8"

2шт.

5

495-61041

WASHER,10.31mm ID x 25.4mm OD x 1.6mm Thk

2шт.

6

413-616

BOLT,Hex, 3/8" - 16 x 1", Gr 5

- hex, 3/8 NC x 1 inch

2шт.

7

425-106

NUT,3/8"-16, Cl 5

2шт.

5

495-21044

WASHER,3/8"

(flat, 7/16 x 1 x 5/64 inch) 3/8"

2шт.

6

113-207

BOLT,Hex, 3/8" - 16 x 1", Gr 5

2шт.

8

185395C92

PROTECTION PLATE

SHIELD ASSEMBLY - driven pulley (Replaces shield assembly 185395C91), Includes: Ref. 9

1шт.

9

188200C1

PRODUCT GRAPHIC

DECAL - caution, engine compartment, see figure 9H-36

1шт.

10

477-73812

SERRATED SCREW,Truss HD, 3/8" - 16 x 3/4"

- slotted truss head, special, 3/8 NC x 3/4 inch

6шт.

13

181168C1

SUPPORT

BRACKET - shield, outer

1шт.

14

434-820

CARRIAGE BOLT,Sht Sq Nk, 1/2" - 13 x 1 1/4", Gr 5

BOLT - carriage, 1/2 NC x 1-1/4 inch

5шт.

15

80679

LOCK WASHER,1/20.507 CST ZND

WASHER, LOCK, 1/2"

5шт.

16

425-108

NUT,1/2" - 13, Gr 5

NUT, , Hex 1/2"-13, G5

5шт.

17

181169C1

SUPPORT ASSY.

BRACKET - drive belt guide

1шт.

18

432-1216

COTTER PIN,3/16" x 1"

1шт.

19

495-11053

WASHER,1/2", SAE

(17/32" x 1-1/16" x 3/32") 1/2", SAE

1шт.

20

188440C1

HOSE

- separator channel, 4-1/2 inch, cut from 526602R1 bulk hose, see below

1шт.

23

191961C2

SUPPORT

- drive belt

1шт.

25

193686C1

ANGLE

- drive belt support

1шт.

526602R1

HOSE,12.7mm ID x 15240mm L

0.50" ID x 600.00"

1шт.

Выбрано товаров: 23