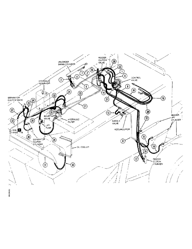
Запчасти Case IH 1670 (1-24) - PICTORIAL INDEX, CONTROL VALVE, FEEDERS AND SEPARATOR CLUTCH (00) - PICTORIAL INDEX

Схема запчастей Case IH 1670 - (1-24) - PICTORIAL INDEX, CONTROL VALVE, FEEDERS AND SEPARATOR CLUTCH (00) - PICTORIAL INDEX
31
22
9
28
7
33
21
26
36
6
35
29
15
19
34
14
10
18
16
1
25
30
27
20
37
8
24
32
23
13
12
2
11
5
3
17
4
FIT
1:1
100%

Артикул

Название

Примечание

Количество

1

Unloader Swing Hose, Page 8-75

1шт.

2

Unloader Swing Cylinder Tube, Page 8-75

1шт.

3

Unloader Swing Hose, Page 8-75

1шт.

4

Unloader Swing Hose, Page 8-75

1шт.

5

Unloader Swing Cylinder, Page 8-75

1шт.

6

Unloader Swing Hose, Page 8-75

1шт.

7

Unloader Swing Cylinder Tube, Page 8-75

1шт.

8

Header Lift Hose, Page 8-25

1шт.

9

Header Lift Cylinder Tube, Page 8-25

1шт.

10

Header Lift Hose, Page 8-25

1шт.

11

Header Lift Cylinder Hose, Page 8-25

1шт.

12

Header Lift Cylinder Hose, Page 8-25

1шт.

13

Accumulator Hose, Page 8-73

1шт.

14

Feeder Clutch Hose, Page 8-57, 8-59

1шт.

15

Feeder Clutch Hose, Page 8-57, 8-59

1шт.

16

Hydraulic Feeder Clutch Hose, Page 8-57, 8-59

1шт.

17

Hydraulic Feeder Clutch Hose, Page 8-57, 8-59

1шт.

18

Control Valve Hose, Page 8-49

1шт.

19

Control Valve Hose, Page 8-49

1шт.

20

Control Valve Hose, Page 8-49

1шт.

21

Header Lift Tube, Page 8-17

1шт.

22

Header Lift Return Hose, Page 8-17

1шт.

23

Header Lift Return Tube, Page 8-17

1шт.

24

Relief Valve Drain Hose, Page 8-17

1шт.

25

Filter to Reservoir Hose, Page 8-17

1шт.

26

Header Lift Pressure Hose, Page 8-15

1шт.

27

Header Lift Pressure Tube, Page 8-15

1шт.

28

Pump to Valve Hose, Page 8-15

1шт.

29

Header Lift Suction Hose, Page 8-15

1шт.

30

Oil Cooler Hose, Page 8-51

1шт.

31

Reel Drive Return Tube, Page 8-51

1шт.

32

Reel Drive Return Tube, Page 8-51

1шт.

33

Reel Return Hose, Page 8-51

1шт.

34

Separator Clutch Hose, Page 8-61, 8-63

1шт.

35

Separator Clutch Hose, Page 8-61, 8-63

1шт.

36

Feeder Clutch Hose, Page 8-61, 8-63

1шт.

37

Separator Clutch Return Hose, Page 8-61, 8-63

1шт.

Выбрано товаров: 37