Запчасти Case IH 1670 (9B-02) - ROTOR DRIVE MOUNTING (14) - ROTOR, CONCANVES & SIEVE

Схема запчастей Case IH 1670 - (9B-02) - ROTOR DRIVE MOUNTING (14) - ROTOR, CONCANVES & SIEVE
47
74
77
57
28
50
23
7
45
11
6
79
31
70
24
26
20
48
32
14
1
10
52
6
69
30
31
8
12
46
76
49
78
13
29
43
22
51
44
9
53
27
61
41
15
18
62
55
75
17
42
60
32
22
FIT
1:1
100%

Артикул

Название

Примечание

Количество

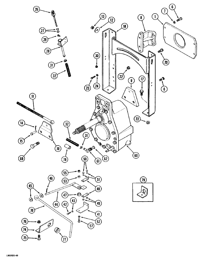
1

181315C1

PLATE

- gear housing support, front

1шт.

6

413-824

BOLT,Hex, 1/2" - 13 x 1-1/2", Gr 5

4шт.

7

80679

LOCK WASHER,1/20.507 CST ZND

WASHER, LOCK, 1/2"

4шт.

8

181314C2

BLOCK

- housing support, front

2шт.

9

188141C1

SUPPORT

- gear housing anchor

1шт.

10

188142C1

SUPPORT

- gear housing anchor

1шт.

11

188143C1

EYEBOLT

- gear housing

1шт.

12

495-81259

WASHER,21/32" x 2" x .238"

- flat, 21/32 x 2 x 1/4 inch

2шт.

13

425-1010

NUT,5/8"-11, G5

2шт.

14

432-1216

COTTER PIN,3/16" x 1"

1шт.

15

439-5832

HEADED PIN,12.7mm OD x 50.8mm L

PIN - headed, 1/2 x 2 inch

1шт.

17

409-7820

BOLT,Hex Flg, 1/2" - 13 x 1 1/4", Spcl

2шт.

18

1338395C1

SUPPORT ASSY.

SUPPORT - rotor drive

1шт.

20

434-820

CARRIAGE BOLT,Sht Sq Nk, 1/2" - 13 x 1 1/4", Gr 5

BOLT - carriage, 1/2 NC x 1-1/4 inch (Replaces bolt 485734R1)

6шт.

22

231-5148

FLANGE NUT,Flg, USR, 1/2"-13

6шт.

23

413-616

BOLT,Hex, 3/8" - 16 x 1", Gr 5

- hex, 3/8 NC x 1 inch

4шт.

24

492-11038

LOCK WASHER,3/8"

4шт.

26

194066C91

DIPSTICK

GAUGE ASSEMBLY - rotor gear housing, Includes: Ref. 27

1шт.

27

238-5210

O-RING,0.139" Thk x 0.734" ID, -210, Cl 5, 75 Duro

2шт.

28

193946C1

TUBE,12.7 mm OD

- gear housing gauge

1шт.

29

135270

SERRATED SCREW,5/16" - 18 x 3/4"

- slotted truss head, 5/16 NC x 3/4 inch, if used

2шт.

29

409-7516

BOLT,Hex Flg, 5/16" - 18 x 1", Spcl

If used Hex Flg, 5/16"-18 x 1", Serr

2шт.

30

231-5145

SERRATED NUT,Flg, USR, 5/16"-18

NUT - hex serrated flange, 5/16 inch NC

2шт.

31

214-1404

HOSE CLAMP,#04, 0.25" - 0.62", Type F Worm

CLAMP - adj, 1/4 - 5/8 inch diameter

2шт.

32

194043C1

HYDRAULIC HOSE,12.70 mm ID x 483.00 mm

- Gear housing, Cut from S118466X bulk hose, See below 12.70 mm ID x 483.00 mm

1шт.

41

1979167C1

SUPPORT ASSY.

SUPPORT - gear housing pivot

1шт.

42

413-512

BOLT,Hex, 5/16" - 18 x 3/4", Gr 5

- hex, 5/16 NC x 3/4 inch

2шт.

43

492-11031

LOCK WASHER,5/16"

WASHER, LOCK, 5/16"

2шт.

44

1979164C1

LEVER

- rotor drive shift

1шт.

45

495-81287

WASHER,13.49mm ID x 31.75mm OD x 3.4mm Thk

- flat, 17/32 x 1-1/4 x 7/64 inch

2шт.

46

132-344

COTTER PIN,3/16" x 1"

PIN, SPLIT (COTTER), 3/16" x 1"

2шт.

47

1979265C1

BUSHING

- shift lever

1шт.

48

188169C1

BAR

- shift lever

2шт.

49

120392

WASHER,1/4", SAE

- flat, 9/32 x 5/8 x 3/64 inch

4шт.

50

439-1416

HEADED PIN,1/4" x 1"

PIN - headed, 1/4 x 1 inch, grade 2 (Replaces pin 21886R1)

2шт.

51

432-812

COTTER PIN,3/4" OAL x 1/8" W

PIN, SPLIT (COTTER), 1/8" x 3/4"

2шт.

52

495-11041

WASHER,0.406" ID x 0.812" OD x 0.065" W

(Flat, 13/32 x 13/16 x 1/16") 3/8", SAE

1шт.

53

1979327C1

SPACER

- lever

1шт.

55

232-4136

LOCK NUT,3/8"-16, GC

NUT, LOCK, 3/8"-16, GC

1шт.

57

413-620

BOLT,Hex, 3/8" - 16 x 1-1/4", Gr 5

- hex, 3/8 NC x 1-1/4 inch

1шт.

60

1315340C3

HOUSING ASSY.

GEAR HOUSING ASSEMBLY - rotor drive, parts list figure 9B-9

1шт.

61

188272C1

ELBOW

- 90 degree, special

1шт.

62

237-6008

O-RING,0.087" Thk x 0.644" ID, -908, Cl 6, 90 Duro

8-1, 90 Duro, .644" ID x .087" Thk

1шт.

69

413-1244

BOLT,Hex, 3/4" - 10 x 2-3/4", Gr 5

- hex, 3/4 NC x 2-3/4 inch

2шт.

70

186648C2

ROD

- lever shaft control linkage

1шт.

74

188816C91

ANGLE

- support, rod lever control link, with decal

1шт.

75

413-820

BOLT,Hex, 1/2" - 13 x 1-1/4", Gr 5

- hex, 1/2 NC x 1-1/4 inch

2шт.

76

231-5148

FLANGE NUT,Flg, USR, 1/2"-13

2шт.

77

198825C1

GROMMET,15.88mm ID x 41.1mm OD x 26.9mm Thk

- control rod, 5/8 inch ID

1шт.

78

163493C1

STRIP,19.05mm ID x 25.4mm OD x 45.7mm L

SLEEVE - rubber, 3/4 ID x 1-13/64 inch long

1шт.

79

1979564C1

SUPPORT

- shift lever

1шт.

S118466X

LARGE HOSE

HOSE - bulk, 1/2 (13) ID x 300 inch (7620 mm) long

1шт.

Выбрано товаров: 52