Запчасти Case IH 1670 (1-26) - PICTORIAL INDEX, HEADER AND REEL DRIVE SYSTEM (00) - PICTORIAL INDEX

Схема запчастей Case IH 1670 - (1-26) - PICTORIAL INDEX, HEADER AND REEL DRIVE SYSTEM (00) - PICTORIAL INDEX
21
14
19
11
9
3
24
18
5
20
7
13
2
17
10
1
4
23
18
16
8
15
12
22
6
FIT
1:1
100%

Артикул

Название

Примечание

Количество

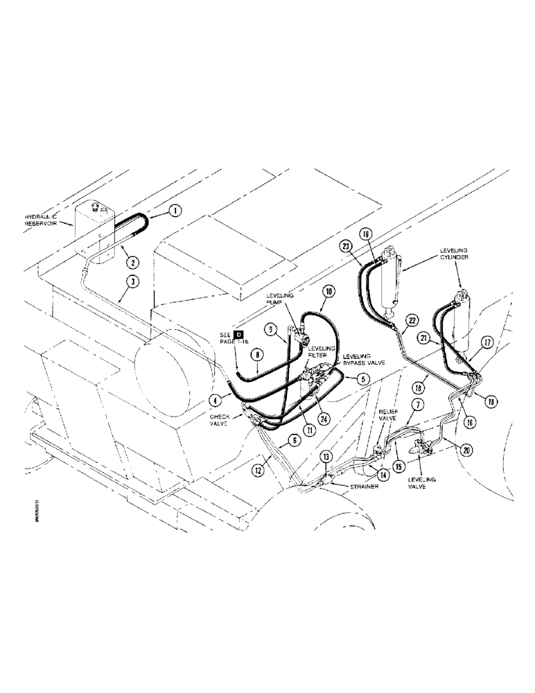
1

Oil Cooler Hose, Page 8-51

1шт.

2

Oil Cooler Tube, Page 8-51

1шт.

3

Reel Drive Return Tube, Page 8-51

1шт.

4

Reel Drive Return, Page 8-51

1шт.

5

Reel Drive Return, Page 8-51

1шт.

6

Reel Drive Hydraulic Tube, Page 8-51

1шт.

7

Reel Drive Valve Hose, Page 8-51

1шт.

8

Reel Drive Valve Hose, Page 8-49

1шт.

9

Reel Drive Pressure Hose, Page 8-51

1шт.

10

Reel Drive Hydraulic Tube, Page 8-51

1шт.

11

Reel Drive Valve Hose, Page 8-51

1шт.

12

Reel Drive Valve Hose, Page 8-49

1шт.

13

Reel Drive Header Pressure Fitting, Page 8-49

1шт.

14

Header Lifter Tube, Page 8-17

1шт.

15

Manifold Suction Hose, Page 8-47

1шт.

16

Header Pump Suction Hose, Page 8-47

1шт.

17

Header Pump Suction Hose, Page 8-47

1шт.

18

Elbow Tube, Page 8-47

1шт.

19

Header Pump Suction Hose, Page 8-47

1шт.

20

Elbow Tube, Page 8-47

1шт.

21

Header Drive Hose, Page 8-53, 8-55

1шт.

22

Header Drive Tube, Page 8-53, 8-55

1шт.

23

Header Drive Hose, Page 8-53, 8-55

1шт.

24

Header Drive Hose, Page 8-53, 8-55

1шт.

25

Header Drive Tube, Page 8-53, 8-55

1шт.

26

Header Drive Hose, Page 8-53, 8-55

1шт.

27

Pilot Pressure Tube, Page 8-53, 8-55

1шт.

28

Header Drive Return Tube, Page 8-53, 8-55

1шт.

29

Header Drive Return Tube, Page 8-53, 8-55

1шт.

30

Header Drive Return Tube, Page 8-53, 8-55

1шт.

31

Reel Drive Pump Pressure Hose, Page 8-53, 8-55

1шт.

32

Header Drive Return Tube, Page 8-53, 8-55

1шт.

33

Header Drive Pressure Tube, Page 8-53, 8-55

1шт.

34

Header Drive Pressure Tube, Page 8-53, 8-55

1шт.

35

Reel Drive Pump Pressure Hose, Page 8-53, 8-55

1шт.

36

Header Drive Pressure Tube, Page 8-53, 8-55

1шт.

Выбрано товаров: 36