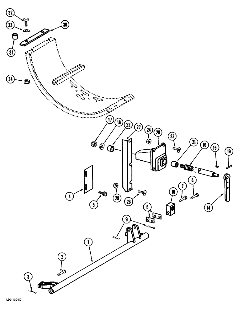
Запчасти Case IH 1670 (9B-30) - CONCAVE CONTROL (14) - ROTOR, CONCANVES & SIEVE

Схема запчастей Case IH 1670 - (9B-30) - CONCAVE CONTROL (14) - ROTOR, CONCANVES & SIEVE
3
6
23
24
8
21
16
5
14
32
22
7
27
19
4
18
17
28
34
29
15
31
9
33
2
20
30
1
10
FIT
1:1
100%

Артикул

Название

Примечание

Количество

1

191423C1

LEVER ASSY.

LEVER - concave control

1шт.

2

439-1823

HEADED PIN,12.7mm OD x 22.23mm L

PIN - headed, 1/2 x 1-7/16 inch, grade 2 (Replaces pin 21939R1)

2шт.

3

586591R1

COTTER PIN

PIN - hair, 1/8 inch

2шт.

4

188168C1

PLATE

BAR - concave indicator

1шт.

5

276-1458

SELF-TAP SCREW,Hex Hd, #10 x 1/2"

SCREW - self-tapping, hex head, No. 10 NC x 1/2 inch

2шт.

6

192888C1

PLATE

BAR - concave control

2шт.

7

439-1848

HEADED PIN,1/2" x 3"

PIN - clevis, 1/2 x 3 inch, grade 2 (Replaces pin 21814R1)

1шт.

8

439-1838

HEADED PIN,1/2" x 2 3/8"

PIN - headed, 1/2 x 2-3/8 inch, grade 2 (Replaces pin 22899R1)

1шт.

9

432-1216

COTTER PIN,3/16" x 1"

2шт.

10

192886C1

NUT

- adjusting, special

1шт.

14

170282C1

HANDLE

- concave control

1шт.

15

126-116

WOODRUFF KEY,#9, 3/16" x 3/4", HT

1шт.

16

192885C1

SHAFT

- concave adjusting

1шт.

17

231-14110

LOCK NUT,5/8"-11, GB

NUT - hex, self-locking, 5/8 inch NC

1шт.

18

396-11066

WASHER,0.66" ID x 1.31" OD x 0.1" Thk

- flat, 21/32 x 1-5/16 x 3/32 inch, hardened

2шт.

19

38-11620

PIN,1/4" x 1 1/4", Slotted

1шт.

20

192883C93

SUPPORT

HOUSING ASSEMBLY - concave control, Includes: Ref. 21 and 22

1шт.

21

551068R1

BUSHING,22.28mm ID x 25.43mm OD x 22.23mm L

- concave control housing

1шт.

22

568921R1

BUSHING,15.9mm ID x 19.02mm OD x 22.23mm L

- concave control housing

1шт.

23

179464C1

SERRATED SCREW,Sl Truss Hd, 3/8" - 16 x 1 1/4"

- slotted truss head, special, 3/8 NC x 1-1/4 inch

4шт.

24

231-5146

FLANGE NUT,3/8"-16

4шт.

27

182577C1

ANGLE

BRACKET - mounting, control housing

1шт.

28

477-73812

SERRATED SCREW,Truss HD, 3/8" - 16 x 3/4"

- slotted truss head, special, 3/8 NC x 3/4 inch

2шт.

29

231-5146

FLANGE NUT,3/8"-16

2шт.

30

186784C2

BAR

- grate hanger

3шт.

31

600179R1

SPACER,13.9mm ID x 21.34mm OD x 14.3mm L

6шт.

32

326-832

BOLT,Hex, 1/2" - 13 x 2", Gr 8

6шт.

33

496-21053

WASHER,17/32" x 1 1/16" x .134"

- flat, 17/32 x 1-1/16 x 1/8 inch, hardened

6шт.

34

232-4118

NUT,1/2"-13, GC

NUT, LOCK, 1/2"-13, GC

6шт.

Выбрано товаров: 0