Запчасти Case IH 1670 (9C-14) - SLOW SPEED FAN DRIVE (15) - BEATER & CLEANING FANS

Схема запчастей Case IH 1670 - (9C-14) - SLOW SPEED FAN DRIVE (15) - BEATER & CLEANING FANS
19
39
5
8
23
25
13
40
21
6
5
18
14
41
3
16
2
33
37
35
6
17
26
28
29
1
38
12
9
20
27
9
15
22
23
10
34
4
30
7
36
FIT
1:1
100%

Артикул

Название

Примечание

Количество

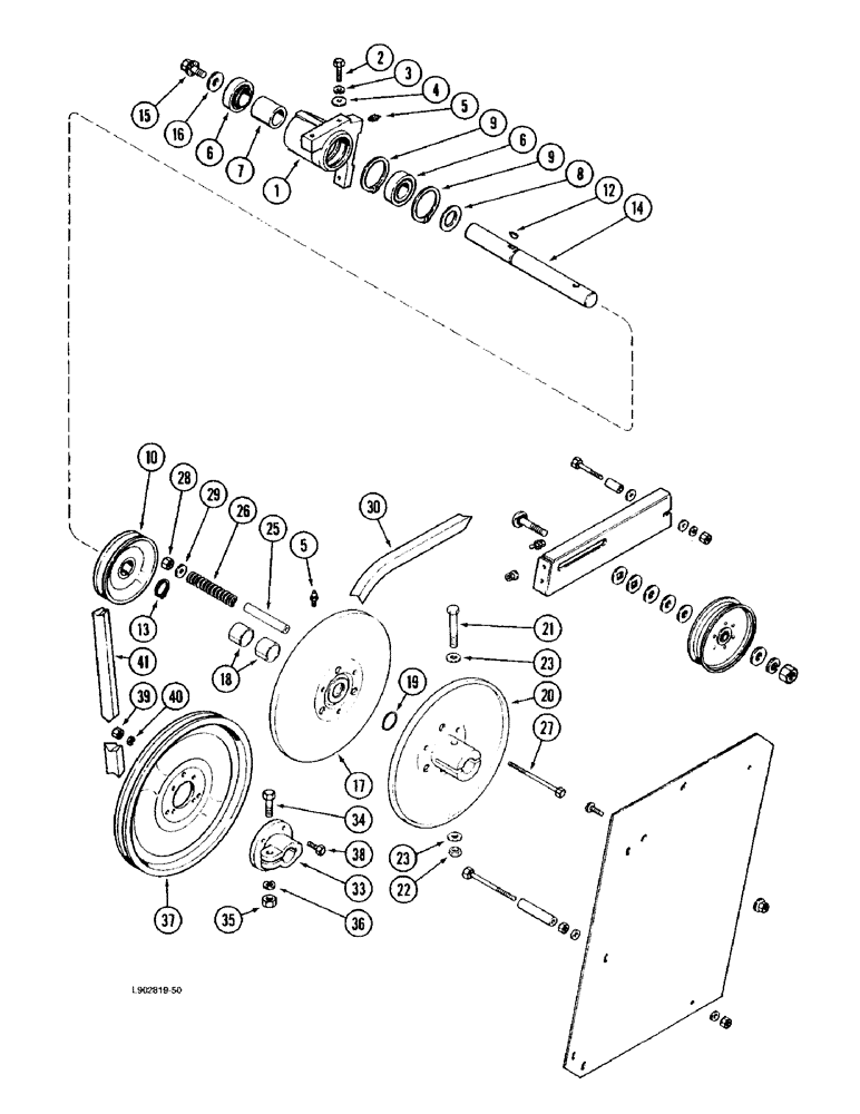
1

185263C1

HUB

- slow speed jackshaft

1шт.

2

413-620

BOLT,Hex, 3/8" - 16 x 1-1/4", Gr 5

- hex, 3/8 NC x 1-1/4 inch

4шт.

3

495-81138

WASHER,10.31mm ID x 25.4mm OD x 4.93mm Thk

- flat, 13/32 x 1 x 11/64 inch

4шт.

4

492-11038

LOCK WASHER,3/8"

4шт.

5

219-87

LUBE NIPPLE,1/4" - 28 NPTF

NIPPLE, LUBE, 1/4"-28 x .56" lg, Self-Tap

1шт.

6

1302725C91

BALL BEARING,31.75mm ID x 62mm OD x 18mm W

BEARING - self-aligning adapter

2шт.

7

152926C1

SPACER

- 1-15/16 x 1-5/8 x 1-7/8 inch

1шт.

8

183274C2

WASHER,32.51mm ID x 47.75mm OD x 4.57mm Thk

WASHER - flat, special, 1-9/32 x 1-7/8 x 3/16 inch

1шт.

9

360936R1

RING

- snap, fan hub bearing

2шт.

10

181360C1

PULLEY ASSY.

PULLEY - slow speed fan jackshaft, 5 inch

1шт.

12

126-116

WOODRUFF KEY,#9, 3/16" x 3/4", HT

(Replaces key 124549) #9, 3/16" x 3/4", HT

1шт.

13

100-16125

SNAP RING,#125, Ext

Ring, Snap, , Slow speed fan jackshaft #125, Ext

1шт.

14

1309040C1

SHAFT

- slow speed fan jackshaft

1шт.

15

1302143C1

FLANGE BOLT,Lock, Hex, 1/2" - 13 x 1"

- hex flange, special, 1/2 NC x 1 inch

1шт.

16

185129C1

WASHER,13.46mm ID x 38.1mm OD x 4.57mm Thk

WASHER - flat, special, 17/32 x 1-1/2 x 3/16 inch

1шт.

17

1324948C1

PULLEY ASSY.

PULLEY ASSEMBLY - fan drive, adjustable, Includes: Ref. 18 and 19

1шт.

18

629232R1

BUSHING,31.8mm ID x 34.92mm OD x 25.4mm L

- pulley

2шт.

19

238-5218

O-RING,0.139" Thk x 1.234" ID, -218, Cl 5, 75 Duro

1шт.

20

1324949C1

PULLEY ASSY.

PULLEY ASSEMBLY - fan driven fixed, 11-1/4 inch O.D.

1шт.

21

326-856

BOLT,Hex, 1/2" - 13 x 3-1/2", Gr 8

1шт.

22

232-4118

NUT,1/2"-13, GC

NUT, LOCK, 1/2"-13, GC

1шт.

23

396-31053

WASHER,17/32" x 1 1/16" x .188", HDN

- flat, 17/32 x 1-1/16 x 3/16 inch, hardened

2шт.

25

185019C2

SLEEVE,8.18mm ID x 14.27mm OD x 69.85mm L

- fan drive spring

3шт.

26

1302540C1

SPRING

- fan drive outer pulley

3шт.

27

413-580

BOLT,Hex, 5/16" - 18 x 5", Gr 5

3шт.

28

232-4115

LOCK NUT,5/16"-18, GC

NUT, LOCK, 5/16"-18, GC

3шт.

29

495-81117

WASHER,.344" x 1" x .120"

- flat, 11/32 x 1 x 7/64 inch (Replaces washer 20893R1)

3шт.

30

181359C1

BELT,1.25" W x 66.54" L

V-BELT , Fan jackshaft, Over center 1.25" W x 66.54" L

1шт.

33

182650C1

HUB

- fan pulley

1шт.

34

413-828

BOLT,Hex, 1/2" - 13 x 1-3/4", Gr 5

1шт.

35

425-108

NUT,1/2" - 13, Gr 5

NUT, , Hex 1/2"-13, G5

1шт.

36

80679

LOCK WASHER,1/20.507 CST ZND

WASHER, LOCK, 1/2"

1шт.

37

564569R11

PULLEY ASSY.

PULLEY - fan hub, 12-11/16 inch O.D.

1шт.

38

413-516

BOLT,Hex, 5/16" - 18 x 1", Gr 5

- hex, 5/16 NC x 1 inch

4шт.

39

425-105

NUT,5/16"-18, G5

- hex, 5/16 inch NC

4шт.

40

492-11031

LOCK WASHER,5/16"

WASHER, LOCK, 5/16"

4шт.

41

610521R1

V-BELT

Slow speed fan jackshaft, 76 inch over center

1шт.

Выбрано товаров: 37