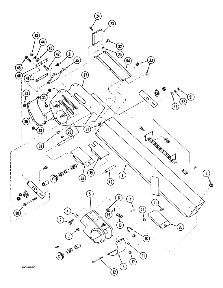
Запчасти Case IH 1670 (9D-18) - TAILINGS ELEVATOR (16) - GRAIN ELEVATORS & AUGERS

Схема запчастей Case IH 1670 - (9D-18) - TAILINGS ELEVATOR (16) - GRAIN ELEVATORS & AUGERS
11
12
6
32
51
39
53
3
27
16
54
31
17
48
1
4
14
22
45
26
44
31
30
52
33
23
41
38
8
33
42
35
2
33
49
31
40
21
15
25
5
24
33
7
20
43
13
FIT
1:1
100%

Артикул

Название

Примечание

Количество

1

191778C2

ELEVATOR TUBE,85.08" Length

HOUSING - elevator

1шт.

2

409-7620

BOLT,Hex Flg, 3/8" - 16 x 1 1/4", Spcl

- hex serrated flange, 3/8 NC x 1-1/4 inch

2шт.

3

231-5146

FLANGE NUT,3/8"-16

2шт.

4

495-81135

WASHER,10.31mm ID x 25.4mm OD x 3.4mm Thk

- flat, 13/32 x 1 x 7/64"

8шт.

5

191771C1

BOOT

- elevator

1шт.

6

477-73108

SERRATED SCREW,Sl Truss Hd, 5/16" - 18 x 1/2"

- slotted truss head, 5/16 NC x 1/2 inch

8шт.

7

231-5145

SERRATED NUT,Flg, USR, 5/16"-18

NUT - hex serrated flange, 5/16 inch NC

8шт.

8

156910C1

DOOR

- boot, non-perforated

1шт.

8

174193C1

DOOR

- boot, perforated

1шт.

11

232-4115

LOCK NUT,5/16"-18, GC

NUT, LOCK, 5/16"-18, GC

1шт.

12

413-5104

BOLT,Hex, 5/16" - 18 x 6-1/2", Gr 5

- hex, 5/16 NC x 6-1/2 inch

1шт.

13

155909C1

LATCH

- door

1шт.

14

439-1420

HEADED PIN,1/4" x 1 1/4"

PIN - headed, 1/4 x 1-1/4 inch, grade 2

1шт.

15

432-812

COTTER PIN,3/4" OAL x 1/8" W

PIN, SPLIT (COTTER), 1/8" x 3/4"

1шт.

16

664360R1

BOLT,U, 1/4" - 20 x 69.65"

U-BOLT - door

1шт.

17

13-14176

BOLT,Hex, 7/8" - 9 x 11", Gr 5

NUT - hex, self-locking, 1/4 inch NC (Replaces nut 22468R1)

4шт.

20

191790C2

END

HINGE - bottom

1шт.

21

135270

SERRATED SCREW,5/16" - 18 x 3/4"

- slotted truss head, 5/16 NC x 3/4 inch, if used

4шт.

21

409-7516

BOLT,Hex Flg, 5/16" - 18 x 1", Spcl

If used Hex Flg, 5/16"-18 x 1", Serr

4шт.

22

231-5145

SERRATED NUT,Flg, USR, 5/16"-18

NUT - hex serrated flange, 5/16 inch NC

4шт.

23

195201C1

SUPPORT

- upper

2шт.

24

535789R1

BOLT,Hex Serr, 5/16" - 18 x 1 1/4"

- hex flange, 5/16 NC x 1-1/4 inch

2шт.

25

231-5145

SERRATED NUT,Flg, USR, 5/16"-18

NUT - hex serrated flange, 5/16 inch NC

2шт.

26

181366C1

SIDE PLATE

COVER - head, left-hand

1шт.

27

181367C1

SIDE PLATE

COVER - head, right-hand

1шт.

30

188119C1

TROUGH

- head

1шт.

31

477-73108

SERRATED SCREW,Sl Truss Hd, 5/16" - 18 x 1/2"

- slotted truss head, 5/16 NC x 1/2 inch

20шт.

32

135270

SERRATED SCREW,5/16" - 18 x 3/4"

- slotted truss head, 5/16 NC x 3/4 inch, if used

11шт.

32

409-7516

BOLT,Hex Flg, 5/16" - 18 x 1", Spcl

If used Hex Flg, 5/16"-18 x 1", Serr

11шт.

33

231-5145

SERRATED NUT,Flg, USR, 5/16"-18

NUT - hex serrated flange, 5/16 inch NC

35шт.

35

191776C1

COVER

COVER - head

1шт.

38

191782C1

SUPPORT

COVER - head, lower

1шт.

39

181327C1

BOTTOM

COVER - head, lower

1шт.

40

181376C1

CLAMP

- tightener

1шт.

41

181375C1

SUPPORT

BAR - tightener

1шт.

42

24-620

SCREW

BOLT - hex, 3/8 NC x 1-1/4 inch, grade 2

1шт.

43

425-106

NUT,3/8"-16, Cl 5

1шт.

44

492-11038

LOCK WASHER,3/8"

1шт.

45

495-71041

WASHER,10.31mm ID x 31.75mm OD x 2.54mm Thk

- flat, 13/32 x 1-1/4 x 3/32 inch

1шт.

48

667486R1

BOLT

BOLT - hex, 1/2 NC x 3-1/2 inch

2шт.

49

27829R1

SPACER,9.2mm ID x 13.72mm OD x 147.6mm L

1шт.

50

424-5112

BOLT,Hex, 5/16" - 18 x 7", Gr 2

- hex, 5/16 NC x 7 inch, grade 2

1шт.

51

425-105

NUT,5/16"-18, G5

- hex, 5/16 inch NC

1шт.

52

492-11031

LOCK WASHER,5/16"

WASHER, LOCK, 5/16"

1шт.

53

495-11034

WASHER,5/16", SAE

5/16" SAE (flat, 11/32 x 11/16 x 1/16")

2шт.

54

191783C1

TOP COVER

COVER - head, top

1шт.

Выбрано товаров: 46