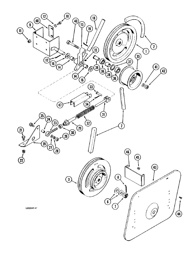
Запчасти Case IH 1670 (9F-08) - STRAW CHOPPER DRIVE (19) - STRAW SPREADER & CHOPPER

Схема запчастей Case IH 1670 - (9F-08) - STRAW CHOPPER DRIVE (19) - STRAW SPREADER & CHOPPER
34
12
16
22
37
25
10
7
47
13
38
31
30
45
15
46
8
16
41
2
1
33
14
35
29
40
36
44
14
2
36
3
39
17
11
48
23
28
27
9
43
24
26
18
19
21
20
42
6
32
FIT
1:1
100%

Артикул

Название

Примечание

Количество

1

1315264C1

PULLEY

- chopper drive, 7 and 14 inch O.D.

1шт.

2

1315265C1

V-BELT,16.00 mm W x 2504.82 mm L

Chopper Drive 16.00 mm W x 2504.82 mm L

1шт.

3

1315264C1

PULLEY

- chopper driven, 7 and 14 inch O.D.

1шт.

6

495-81063

WASHER,0.91" ID x 2" OD x 0.18" Thk

- flat, 29/32 x 2 x 5/32 inch (Replaces washer 23071R1)

2шт.

7

429-1314

NUT,7/8"-14, G8

NUT - hex slotted, 7/8 inch NF, grade 8 (Replaces nut 26963R1)

1шт.

8

432-828

COTTER PIN,1/8" x 1 3/4"

PIN, SPLIT (COTTER), 1/8" x 1 3/4"

1шт.

9

1315251C1

SUPPORT

- idler arm pivot

1шт.

10

413-616

BOLT,Hex, 3/8" - 16 x 1", Gr 5

- hex, 3/8 NC x 1 inch

4шт.

11

231-5146

FLANGE NUT,3/8"-16

4шт.

12

495-81135

WASHER,10.31mm ID x 25.4mm OD x 3.4mm Thk

- flat, 13/32 x 1 x 7/64"

4шт.

13

1315249C91

LEVER

ASSEMBLY - idler arm, Includes: Ref. 14

1шт.

14

559154R1

BUSHING,25.45mm ID x 28.6mm OD x 25.4mm L

- lever

2шт.

15

219-87

LUBE NIPPLE,1/4" - 28 NPTF

NIPPLE, LUBE, 1/4"-28 x .56" lg, Self-Tap

1шт.

16

495-11106

WASHER,1", SAE

- flat, 1-1/16 x 2 x 1/8 inch

2шт.

17

432-1624

COTTER PIN,1/4" x 1 1/2"

Pin, Split (Cotter), 1/4" x 1-1/2"

1шт.

18

1315248C1

TUBE,20.19 mm ID, 26.98 mm OD

LEVER - idler arm

1шт.

19

432-1224

COTTER PIN,3/16" x 1-1/2"

3/16" x 1 1/2"

1шт.

20

1315357C1

SUPPORT

- tension rod pivot

1шт.

21

413-816

BOLT,Hex, 1/2" - 13 x 1", Gr 5

2шт.

22

231-5148

FLANGE NUT,Flg, USR, 1/2"-13

2шт.

23

1315259C1

BOLT,3/4" - 10 x 113mm

- tension rod eye, special

1шт.

24

617794R1

SPACER,13.5mm ID x 19.05mm OD x 27mm L

- 3/4 x 1-1/16 inch

1шт.

25

326-832

BOLT,Hex, 1/2" - 13 x 2", Gr 8

1шт.

26

329-108

NUT,1/2"-13, G8

1шт.

27

496-21053

WASHER,17/32" x 1 1/16" x .134"

- flat, 17/32 x 1-1/16 x 1/8 inch, hardened

1шт.

28

392-21050

LOCK WASHER,1/2"

1/2"

1шт.

29

1315260C1

BOLT

CONNECTOR - tension rod

1шт.

30

425-1012

NUT,3/4"-10, G5

1шт.

31

1315256C1

ROD

- tension

1шт.

32

1315247C1

SPRING

- idler tension

1шт.

33

14145H

CLEVIS PIN,1/2" x 2.094"

PIN, CLEVIS, 1/2" x 2.094"

1шт.

34

432-816

COTTER PIN,1/8" x 1"

1/8" x 1"

1шт.

35

1345048C1

PULLEY

- idler (Replaces pulley 1406932R1)

1шт.

36

295109R91

BALL BEARING

- ball, idler pulley

2шт.

37

100-21206

SNAP RING,2.062", Int, #206

Ring, Snap, (Replaces 456736R1) 2.062", Int, #206

1шт.

38

654385R1

SPACER,26.21mm ID x 31.75mm OD x 19.05mm L

- tube, 1-1/32 x 1-1/4 x 5/64 inch

1шт.

39

1315278C2

BUSHING

- idler bearing

1шт.

40

413-1072

BOLT,Hex, 5/8" - 11 x 4-1/2", Gr 5

1шт.

41

396-31066

WASHER,21/32" x 1 5/16" x .188", HDN

- flat, 21/32 x 1-5/16 x 3/16 inch

1шт.

42

232-41110

NUT,5/8"-11, GC

NUT, LOCK, 5/8"-11, GC

1шт.

43

194759C6

GUARD

SHIELD - straw chopper drive

1шт.

44

477-73108

SERRATED SCREW,Sl Truss Hd, 5/16" - 18 x 1/2"

- slotted truss head, 5/16 NC x 1/2 inch

8шт.

45

231-5145

SERRATED NUT,Flg, USR, 5/16"-18

NUT - hex serrated flange, 5/16 inch NC

8шт.

46

181142C1

SUPPORT

- chopper drive shield

2шт.

47

1315364C1

CHANNEL

- tension rod lock

1шт.

48

1302709C1

SHIM,50.8mm OD x 0.66mm Thk

- idler pivot support

1шт.

Выбрано товаров: 46